русский

русский

Get a Quote
Продукция

Горячие продукты

новости компании

Ошибки при установке заглушек для трубопроводов, которых следует избегать,
Ошибки при установке заглушек для трубопроводов, которых следует избегать,
2026-05-15

А Заглушка трубопровода (также называемое устройством изоляции типа «лопатка/глухая пластина») — это механическое устройство, используемое для достижения позитивная изоляция В трубопроводных системах. Широко применяется в нефтегазовой, нефтехимической, нефтеперерабатывающей и ремонтно-изоляционной отраслях. Его основная функция заключается не в регулировании потока, а в обеспечении... нулевой проход жидкости в условиях технического обслуживания . Однако неправильная установка или эксплуатация могут привести к утечкам, нарушению герметичности, деформации фланца и даже к угрозе безопасности. В следующих разделах, исходя из инженерной логики, обобщены распространенные ошибки при монтаже, а также их последствия. 1. Несоблюдение требования о полном снижении давления перед установкой. Если в трубопроводе сохраняется остаточное давление, установка или замена заглушки может привести к механическому воздействию или повреждению уплотнительных поверхностей. Если срабатывание заглушки трубопровода выполняется без полного сброса давления, это может привести к следующим последствиям: ● Образование царапин или деформация уплотнительных поверхностей. ● Аномально высокий рабочий крутящий момент ● Неполная установка глухой пластины. ● В крайних случаях существует риск утечки жидкости. Таким образом, стандартная процедура требует: полного сброса давления, полного удаления остаточных сред и подтверждения нулевого давления перед началом операции изоляции. 2. Установка заглушки трубопровода при неправильном выравнивании фланца. Системы заглушек трубопроводов зависят от точного выравнивания фланцев. При наличии смещения или эксцентриситета фланца: ● Неравномерная нагрузка на глухую пластину ● Локализованная концентрация напряжений в герметизации ● Постоянные пути утечки после эксплуатации ● Заедание или блокировка рабочего механизма При наличии значительного смещения заглушку трубопровода не следует устанавливать с усилием. Сначала необходимо исправить опоры трубопровода или нарушения соосности. 3. Пренебрежение чистотой герметизирующей поверхности. Герметичность запорных клапанов обычно обеспечивается за счет герметизации «металл к металлу» или использования мягких уплотнительных конструкций. Если уплотнительные поверхности содержат: ● Сварочный шлак ● Ржавчина ● Мусор или частицы ● Остаточный материал прокладки В этом случае эффективная герметизация не будет достигнута даже при приложении расчетного крутящего момента. С инженерной точки зрения: если уплотнительная поверхность не чистая, микропротечки неизбежны. 4. Неправильная ориентация глухой пластины. Для некоторых конструкций заглушек трубопроводов существуют особые требования к направлению потока или ориентации при установке. При неправильной установке: ● Неполная установка глухой пластины. ● Неправильное направление нагрузки при герметизации. ● Недостаточный ход привода ● Сбой механической блокировки При монтаже необходимо строго следовать маркировке производителя (стрелке направления потока или ориентации конс...

Скользящий запорный клапан DVS обеспечивает нулевую утечку и надежную изоляцию для южноафриканского нефтяного клиента в трубопроводах различного типа.
Скользящий запорный клапан DVS обеспечивает нулевую утечку и надежную изоляцию для южноафриканского нефтяного клиента в трубопроводах различного типа.
2026-05-09

Крупный южноафриканский нефтяной клиент развернул скользящий заглушечный клапан DVS В многокомпонентной трубопроводной системе, требующей частого переключения между нефтепродуктами, природным газом и химическими растворителями. С момента установки система демонстрирует стабильную работу без утечек. Работа клапана в режиме онлайн под давлением полностью исключает необходимость остановки и сброса давления, значительно повышая безопасность технического обслуживания на месте. Проблема, с которой столкнулся клиент: нарушение герметичности и недостаточная изоляция при частом переключении между различными средами. Клиент — крупная компания по переработке и хранению нефти в Южной Африке. В их трубопроводной сети часто происходит переключение между различными средами, включая нефтепродукты, природный газ и химические растворители. Из-за существенных различий в характеристиках сред система предъявляет чрезвычайно высокие требования к герметичности клапанов, коррозионной стойкости и безопасности эксплуатации. При использовании обычных задвижка В связи с производством шаровых и других аналогичных изделий, в долгосрочной перспективе клиент столкнулся со следующими критическими эксплуатационными проблемами: Тип проблемы Характеристики обычных задвижек/шаровых клапанов Фактическое влияние на операционную деятельность Нарушение герметичности и внутренняя утечка Уплотнения со временем изнашиваются и не могут гарантировать полное отсутствие протечек. Утечка информации в СМИ создает серьезные риски для безопасности и окружающей среды. Для проведения технического обслуживания требуется остановка и сброс давления. Перед проведением технического обслуживания трубопроводы необходимо полностью сбросить давление. Длительные простои и значительные производственные потери Неспособность достичь истинной позитивной изоляции Изоляция зависит от герметизирующих компонентов с ограниченной надежностью. Риск перекрестного загрязнения при смене среды. Клиент специально запросил клапанное решение, которое могло бы: ● Работают без использования уплотнений ● Поддержка работы в условиях повышенного давления ● Предоставить абсолютная физическая изоляция Решение DVS с раздвижными запорными клапанами: физическая изоляция + управление в режиме реального времени + нулевая утечка В скользящем запорном клапане DVS для физического перекрытия прохождения рабочей среды используется сплошная заглушка. Такая конструкция принципиально исключает риски, связанные с традиционными клапанами, работающими за счет уплотнения. Следующие четыре технических преимущества сыграли ключевую роль в решении эксплуатационных задач заказчика: Абсолютная физическая изоляция с нулевой утечкой Сплошная заглушка напрямую блокирует поток рабочей среды, исключая проблемы старения и выхода из строя уплотнения. Это обеспечивает абсолютную герметичность при любых условиях эксплуатации. Работа сети в условиях повышенной нагрузки без остановки Клапан может переключаться между открытым и закрытым положениями, сохраняя при этом...

Каков производственный процесс изготовления задвижек, соответствующих стандарту ISO 15761? От сырья до испытаний под давлением.
Каков производственный процесс изготовления задвижек, соответствующих стандарту ISO 15761? От сырья до испытаний под давлением.
2026-04-30

ISO 15761 — это стандарт для стальных клапанов малого диаметра, используемых в нефтегазовой отрасли, охватывающий размеры от DN 15 до DN 100 и классы давления от Class 150 до Class 2500. Он применяется к задвижка шаровые вентили и обратные клапаны. Эти клапаны производятся не за один этап, а в рамках последовательной производственной цепочки. Качество каждого этапа напрямую влияет на следующий. Понимание этой цепочки помогает более эффективно выявлять критические проблемы при выборе клапанов, проверке соответствия стандартам и оценке поставщиков. Полный производственный процесс Шаг 1: Выбор материалов Материал определяет применимые условия эксплуатации и является отправной точкой всего процесса. К распространенным материалам, соответствующим стандарту ISO 15761, относятся: ● Углеродистая сталь для общего применения в нефтегазовой отрасли. ● Низкотемпературная углеродистая сталь для криогенных или низкотемпературных условий (например, для применения в СПГ). ● Нержавеющая сталь для работы в агрессивных средах Если в рабочей среде присутствует сероводород (H₂S), материалы также должны соответствовать требованиям NACE MR0175 / ISO 15156 для предотвращения сульфидного растрескивания под напряжением. Это требование применяется независимо от ISO 15761. Неправильный выбор материала не может быть компенсирован последующим контролем технологического процесса. Шаг 2: Ковка На этом этапе определяется внутреннее качество корпуса клапана. Ковка — это процесс формования нагретого металла под давлением, в результате которого образуется плотная внутренняя структура с меньшей вероятностью дефектов. Этот метод обычно предпочтителен для применений, связанных с высоким давлением или высокой надежностью. Для классов 800 и выше. поддельные тела В инженерной практике их обычно выбирают для снижения риска внутренних дефектов и повышения надежности конструкции, хотя окончательный выбор зависит от технических условий проекта. Шаг 3: Механическая обработка После формовки выполняется прецизионная механическая обработка для соответствия заданным размерам и требованиям к герметизации. Обработка уплотнительной поверхности является критически важным контрольным моментом. Контактные поверхности между седлом и диском должны подвергаться многократным процессам механической обработки и притирки для достижения заданной плоскостности и шероховатости поверхности, что напрямую влияет на эффективность отключения. Поверхность штока также должна соответствовать требованиям к низкой шероховатости для обеспечения долговременной стабильности герметизации сальника. Чрезмерная шероховатость ускоряет износ сальника и может привести к внешней утечке во время работы. Шаг 4: Сварка (наплавка уплотнительных поверхностей) Этот процесс используется для повышения эксплуатационных характеристик герметизирующей поверхности. Для обеспечения износостойкости или коррозионной стойкости уплотнительные поверхности обычно покрывают твердыми сплавами, такими как стеллит, для повышения их прочности. В процессе св...

Пять тысяч двести один
加载中...

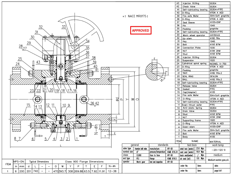
Шаровой кран с цапфой 8 дюймов, 900 фунтов, API6D A105 RTJ

  • Оплата:

    30% when order confirmed, 70% before shipment
  • происхождение продукта:

    china
  • Цвет:

    Customization
  • порт доставки:

    Shanghai, China
  • Время упреждения:

    30~60 days Ex Works after order confirmation
  • Material:

    A105
  • Method of Operation:

    Worm wheel
запрос сейчас
Деталь продукта

8-дюймовый шаровой кран с цапфой на 900 фунтов изготовлен в соответствии со стандартом API 6D. Корпус крана изготовлен из стали A105. Он имеет трехсекционную конструкцию: боковой входной шаровой кран с цапфой, полнопроходная конструкция, огнестойкость и антистатические свойства, шток, защищенный от выдувания, и двойной перепускной клапан (DBB). Тип соединения – RTJ. Имеет червячное колесо. режим работы.

Параметры продукта

Тип

Шаровой клапан с цапфой

Размер

8 дюймов

Давление

900 фунтов

Связь

РТЖ

Операция

Червячное колесо

Материал тела

А105

Стандарт проектирования

API 6D

Лицом к лицу

API 6D

Фланец

ASME B16.5

Кодекс испытаний и контроля

API 6D

Температура

-20 ~ 120 °С

Применимый носитель

Вода, нефть и газ

Функции

1. Шаровой клапан с цапфой 8 дюймов, 900 фунтов, API 6D A105 RTJ, обеспечивает низкий крутящий момент при работе и стабильную герметичность, идеально подходит для нефтегазопроводов высокого давления (шаровой клапан с цапфой, 900 фунтов, A105).

Фланцевый шаровой клапан RTJ A105 с цапфой обеспечивает надежное уплотнение «металл к металлу» и стабильную работу в условиях экстремального давления (8-дюймовый шаровой клапан API 6D с цапфой RTJ).

Технический чертеж

CE Certification Trunnion Ball Valve

Проверка размеров

CE Certification Trunnion Ball Valve

Испытание под давлением

Forged Steel Trunnion Ball Valve

Рисование

Forged Steel Trunnion Ball Valve

Табличка и упаковка

Forged Steel Trunnion Ball Valve

Отчет об инспекции

Forged Steel Trunnion Ball Valve

Оставить Сообщение

Если вы заинтересованы в наших продуктах и хотите знать больше деталей,пожалуйста, оставьте здесь сообщение,мы ответим вам как только мы можем.

сопутствующие товары
фланцевая коробка передач шарнирного типа
шаровой кран из кованой стали на цапфе 12 дюймов 600 фунтов

12-дюймовый шаровой кран, установленный на цапфе 600 фунтов, имеет редуктор, фланец RTJ, пожаробезопасный дизайн согласно API 607. Шаровой кран из 3 частей спроектирован согласно API 6d. конструктивная особенность & amp; выгода 1. небольшое сопротивление потока означает меньшее падение давления 2. простая конструкция клапана и легкий вес 3.Диверсифицированный уплотнительный материал, от металлического материала TCC, сателлита, нержавеющей стали до мягкого материала PTFE, тефлона, нейлона, Peek и т. Д. 4. хорошая производительность металлического и мягкого уплотнения 5. удобная и быстрая работа клапана 6. легко поддерживать из-за возобновляемого кольца сиденья 7.После полного открытия или закрытия уплотнительная поверхность клапана изолируется от средней коррозии. 8. широкий спектр применения с точки зрения размера и номинального давления быстрая деталь тип шаровой кран размер 12" давление класс 600 строительство цапфа   навесной шар, тройной тип, боковой вход соединение рф фланец операция шестерня   управляемый тело   материал Astm A105 дизайн & amp;   производство API 6D давление   & Amp; температура Asme B16.34 лицом к лицу Asme B16.10 конец   соединение ASM B16,5 тест & amp;   код проверки API 598 пожаробезопасный API 607 температура   спектр -29 ℃ ~ 200 ℃ средний вода, масло   и газ происхождения Китай спецификация материала нет Наименование углерод   стали астме нержавеющий   стали астме WCB LCB CF8 CF8M cf3 CF3M 1 underplate WCB LCB CF8 CF8M cf3 CF3M 2 болт нижней пластины а193 б7 а320 л7 а193 б8 3 цапфа а182 ф6 а182 ф6 A182 F304 a182 f316 а182 ф304л a182 f316l 4 тело A216 WCB a352 lcb a351 cf8 a351 cf8m a351 cf3 a351 cf3m 5 гайка капота а194 2ч а4 4 а194 8 6 болт капота а193 б7 а320 л7 а193 б8 7 шапка A216 WCB a352 lcb a351 cf8 a351 cf8m a351 cf3 a351 cf3m 8 прокладка ss спиральная рана / графит или   ss спиральная рана / ptfe 9 втулка вала сс / графит 10 кольцо сиденья rptfe или pom 11 мяч a105 / ep.cr или f6 а182 ф6 a351 cf8 a351 cf8m a351 cf3 a351 cf3m 12 сиденье a105 / ep.cr или f6 а182 ф6 A182 F304 a182 f316 а182 ф304л a182 f316l 13 весна 17-17ph (инконель для   NACE) NI-CR сплав 14 О-образное кольцо витон 15 стебель а182 ф6 а182 ф6 A182 F304 a182 f316 а182 ф304л a182 f316l 16 уплотнительная крышка а182 ф6 а182 ф6 A182 F304 a182 f316 а182 ф304л a182 f316l 17 О-образное кольцо витон 18 зубчатый привод & ЕПРС; материал   в соответствии со стандартом astm связанные знания В чем разница между плавающим и цапфовым шаровым краном? Шаровая часть плавающего шарового крана подвижная. под давлением среды шар имеет определенное смещение и давит на уплотняющую поверхность выпускного конца, чтобы обеспечить его герметичное уплотнение. Плавающая конструкция подходит для шаровых кранов небольшого размера и низкого размера. рейтинг среднего давления. Шаровая часть шарового крана, установленного на цапфе, зафиксирована. под средним давлением плавающее седло будет двигаться к шару, чтобы обеспечить герметичность. шаровой кран, установленный на цапфе, часто имеет больший размер и боле

API 6D шаровой кран установлен на цапфе
Цилиндрический шаровой кран из литой стали 24 дюйма 300 фунтов API 6d

фланцевый шаровой кран класса 300 имеет литой стальной корпус, шар из нержавеющей стали, шток, седло и вкладыш из девлона. конструктивная особенность 1. пожаробезопасный дизайн согласно API 607 2. с впрыском герметика для самосмазывания 3. с антистатическим дизайном 4. с противовыбросовым стержнем 5. с вентиляционным и сливным отверстием 6. полный дизайн скважины 7. тройной тип и цапфа 8. привод работает для простоты эксплуатации быстрая деталь тип шаровой кран размер 24" давление ANSI 300 строительство тип цапфы   шар, корпус из 3-х частей, боковой вход, полнопроходной соединение фланец   соединение операция коробка передач   операция тело   материал astm a216   WCB код проекта API 6D давление   & Amp; временный код Asme B16.34 лицом к лицу Asme B16.10 конец   соединение ASM B16,5 тест & amp;   код проверки API 598,   API 6D пожаробезопасный API 607 температура   спектр -29 ℃ ~ 200 ℃ средний воговского происхождения Китай измерение класс 300 дп мм 50 65 80 100 150 200 250 300 350 400 450 500 600 700 аэс в 2 2.5 3 4 6 8 10 12 14 16 18 20 24 28 L (РЧ) мм 216 241 283 305 403 502 568 648 762 +838 914 +991 1143 1346 в 8,5 9,5 11,13 12 15,88 19,75 22,38 +25,5 30 33 36 39 45 53 l1 (Мт) мм 216 241 283 305 457 521 559 635 762 +838 914 +991 1143 1346 в 8,5 9,5 11,13 12 18 +20,5 22 25 30 33 36 39 45 53 l2 (RTJ) мм 232 257 298 321 419 518 584 664 +778 +854 930 1010 1165 1372 в 9,13 10,13 11,75 12,63 16,5 20,38 23 26,13 30,63 33,63 36,63 39,75 45,89 54 час мм 153 165 195 213 272 342 495 580 625 720 790 840 1050 1150 в 6,02 6,5 7,68 8,39 10,7 13,5 +19,5 22,85 24,6 28,35 31 33,1 41,34 45,3 делать (ж) мм 400 400 600 850 1100 1500 * 350 * 350 * 600 * 600 * 800 * 800 * 800 * 800 в 15,74 15,74 23,62 33,46 43,3 59 13,8 13,8 23,6 23,6 +31,5 +31,5 +31,5 +31,5 РЧ (кг) & ЕПРС; 18 27 47 80 118 200 365 530 740 1030 1320 1540 2600 3900 м.т. (кг) & ЕПРС; 14 2 38 65 105 185 342 503 713 1000 1285 1498 2540 3825 * работает червячная передача или электрический привод система контроля качества dervos в дерво мы контролируем качество на протяжении всего производственного процесса. осмотр отливки: хотя при проверке отливки мы можем выяснить проблему сырья, такого как некачественное литье, неквалифицированная толщина стенок, химический состав и т. д., которые гарантируют, что вас не обманут. механическая проверка: С одной стороны, мы могли бы обеспечить точность обработки посредством этого процесса. с другой стороны, мы можем обнаружить ошибку обработки как можно раньше, чтобы выиграть больше времени на ремонт и переделку Окончательная проверка: заключительные инспекционные мероприятия включают в себя проверку документов и документации, визуальный осмотр, проверку размеров, испытание под давлением, проверку окраски и упаковки. Вам не нужно приходить и проверять лично, и все документы могут быть предоставлены в качестве доказательства.

шаровой кран на цапфе
шарнирный кран dn300 pn63 dbb на цапфе

Шаровой кран, установленный на цапфе dn300, pn63, полнопроходной, двойной блок и выпускное уплотнение pmss (металлическое уплотнение + мягкое уплотнение), устойчивое к выбросам, работает с редуктором штока с корпусом lf2, шаром / седлом lf2 + enp и штоком 410. быстрая деталь тип шаровой кран размер DN300 Расчетное давление PN63 строительство dbb, шаровой кран на цапфе тип соединения фланец operationtype коробка передач работает материал корпуса LF2 материал шара LF2 + епр материал ствола 410 материал сиденья lf2 + enp код проекта API 6D измерение лицом к лицу API 6D конец соединения ASM B16,5 давление & amp; температура Asme B16.34 средний вода, нефть и газ происхождения Китай

шаровой кран на цапфе
API 6D шаровой кран 8-дюймовый класс 300 wcb коробка передач

Шаровой кран API 6D разработан с шарнирная опора и полнопроходная конструкция. фланцевый шаровой кран имеет 300 фунтов расчетное давление и номинальный размер 8 дюймов с режимом работы коробки передач, соответствующие к NACE MR0175 требование. быстрая деталь тип шаровой кран размер 8” давление 300lb строительство корпус из двух частей,   полнопроходной, цапфа соединение рф фланец режим работы коробка передач материал корпуса A216 WCB отделочный материал шар / шток f6a, сиденье rptfe дизайн & amp; производство API 6D давление & amp; временный код Asme B16.34 концы с концами Asme B16.10 конец соединения ASM B16,5 осмотр API 6D,   API 598 диапазон температур -29 ℃ ~ 200 ℃ средний масло,   вода, газ упаковка дервосов тест по окраске & amp; доклад опрессовка и усиление проверка размеров

Пять тысяч двести один
Кованой стали 3 частей установленный trunnion шариковый клапан 600 фунт клапан api6d

В API 6Д шариковый клапан конструирован с цапфы установлен шаровой полнопроходной и структура. Клапан шаровой фланцевый имеет расчетное давление 600 фунтов и 10 дюймов номинальный размер С режим работы коробки передач, в соответствии с NACE MR0175 требование.

Пять тысяч двести один
Привод с трехкомпонентным шаровым краном A105 4 дюйма 150 фунтов

В 4 дюйма 150 фунтов шаровой кран представляет собой 3-х частей один с уменьшенный порт, A105 корпус, F6A шток, шар и седло. В В клапан выполнен по API6D и протестирован под API 598.

Пять тысяч двести один
150LB v шаровой кран дуплекс из нержавеющей стали 4A

В 150LB шаровой кран, изготовленный из дуплексной нержавеющей стали 4А, имеет специальный v-образный канал шар. В клапан особенно подходит для сред, содержащих волокна, мелкие твердые частицы, суспензию и т. д.

Пять тысяч двести один
Шариковый клапан типа положения 3 частей, ASTM A105N, класс 800, 1 дюйм

Китай Поставщик шарового клапана углеродистой стали предлагает 3 шт. Шаровой клапан типа положения, ASTM A105N, класс 800, 1 дюйма, бесплатный плавающий шар, API 608, BS 5351.

Шаровой кран
Кованый шаровой кран DN150 PN16, установленный на цапфе, полнопроходной ISO17292

Шаровой кран DN150 PN16 изготовлен в соответствии со стандартом ISO 17292. Испытание на огнестойкость соответствует требованиям стандарта API 607. Корпус клапана изготовлен из ASTM A105. Его режим работы - турбинный. Шаровой кран на цапфе со структурной длиной 400 мм имеет структурные характеристики полнопроходного клапана.

Шаровой кран
8" шаровой кран 2500LB установленный на цапфе API 6D RTJ F51

8-дюймовый шаровой кран 2500LB изготовлен в соответствии со стандартом API 6D. Корпус клапана изготовлен из F51. Он имеет структурные характеристики полнопроходного шара, установленного на цапфе. Он также имеет противопожарную, антистатическую и антистатическую конструкцию. шток плавающего клапана.Кроме того, он также соответствует требованиям NACE MR0175.

Шаровой кран
API6D 2" 1500LB Шаровой кран RTJ из кованой стали с цапфой

2-дюймовый шаровой кран 1500LB изготовлен в соответствии со стандартом API 6D. Он также соответствует стандарту проектирования NACE MR0175. Корпус клапана изготовлен из ASTM-A105. Он имеет структурные характеристики полнопроходного шара, установленного на цапфе. режим подключения и режим работы коробки передач.

оставьте сообщение

    Если вы заинтересованы в наших продуктах и хотите знать больше деталей,пожалуйста, оставьте здесь сообщение,мы ответим вам как только мы можем.

Главная

Продукция

около

контакт