русский

русский

Get a Quote
Продукция

Горячие продукты

новости компании

Ошибки при установке заглушек для трубопроводов, которых следует избегать,
Ошибки при установке заглушек для трубопроводов, которых следует избегать,
2026-05-15

А Заглушка трубопровода (также называемое устройством изоляции типа «лопатка/глухая пластина») — это механическое устройство, используемое для достижения позитивная изоляция В трубопроводных системах. Широко применяется в нефтегазовой, нефтехимической, нефтеперерабатывающей и ремонтно-изоляционной отраслях. Его основная функция заключается не в регулировании потока, а в обеспечении... нулевой проход жидкости в условиях технического обслуживания . Однако неправильная установка или эксплуатация могут привести к утечкам, нарушению герметичности, деформации фланца и даже к угрозе безопасности. В следующих разделах, исходя из инженерной логики, обобщены распространенные ошибки при монтаже, а также их последствия. 1. Несоблюдение требования о полном снижении давления перед установкой. Если в трубопроводе сохраняется остаточное давление, установка или замена заглушки может привести к механическому воздействию или повреждению уплотнительных поверхностей. Если срабатывание заглушки трубопровода выполняется без полного сброса давления, это может привести к следующим последствиям: ● Образование царапин или деформация уплотнительных поверхностей. ● Аномально высокий рабочий крутящий момент ● Неполная установка глухой пластины. ● В крайних случаях существует риск утечки жидкости. Таким образом, стандартная процедура требует: полного сброса давления, полного удаления остаточных сред и подтверждения нулевого давления перед началом операции изоляции. 2. Установка заглушки трубопровода при неправильном выравнивании фланца. Системы заглушек трубопроводов зависят от точного выравнивания фланцев. При наличии смещения или эксцентриситета фланца: ● Неравномерная нагрузка на глухую пластину ● Локализованная концентрация напряжений в герметизации ● Постоянные пути утечки после эксплуатации ● Заедание или блокировка рабочего механизма При наличии значительного смещения заглушку трубопровода не следует устанавливать с усилием. Сначала необходимо исправить опоры трубопровода или нарушения соосности. 3. Пренебрежение чистотой герметизирующей поверхности. Герметичность запорных клапанов обычно обеспечивается за счет герметизации «металл к металлу» или использования мягких уплотнительных конструкций. Если уплотнительные поверхности содержат: ● Сварочный шлак ● Ржавчина ● Мусор или частицы ● Остаточный материал прокладки В этом случае эффективная герметизация не будет достигнута даже при приложении расчетного крутящего момента. С инженерной точки зрения: если уплотнительная поверхность не чистая, микропротечки неизбежны. 4. Неправильная ориентация глухой пластины. Для некоторых конструкций заглушек трубопроводов существуют особые требования к направлению потока или ориентации при установке. При неправильной установке: ● Неполная установка глухой пластины. ● Неправильное направление нагрузки при герметизации. ● Недостаточный ход привода ● Сбой механической блокировки При монтаже необходимо строго следовать маркировке производителя (стрелке направления потока или ориентации конс...

Скользящий запорный клапан DVS обеспечивает нулевую утечку и надежную изоляцию для южноафриканского нефтяного клиента в трубопроводах различного типа.
Скользящий запорный клапан DVS обеспечивает нулевую утечку и надежную изоляцию для южноафриканского нефтяного клиента в трубопроводах различного типа.
2026-05-09

Крупный южноафриканский нефтяной клиент развернул скользящий заглушечный клапан DVS В многокомпонентной трубопроводной системе, требующей частого переключения между нефтепродуктами, природным газом и химическими растворителями. С момента установки система демонстрирует стабильную работу без утечек. Работа клапана в режиме онлайн под давлением полностью исключает необходимость остановки и сброса давления, значительно повышая безопасность технического обслуживания на месте. Проблема, с которой столкнулся клиент: нарушение герметичности и недостаточная изоляция при частом переключении между различными средами. Клиент — крупная компания по переработке и хранению нефти в Южной Африке. В их трубопроводной сети часто происходит переключение между различными средами, включая нефтепродукты, природный газ и химические растворители. Из-за существенных различий в характеристиках сред система предъявляет чрезвычайно высокие требования к герметичности клапанов, коррозионной стойкости и безопасности эксплуатации. При использовании обычных задвижка В связи с производством шаровых и других аналогичных изделий, в долгосрочной перспективе клиент столкнулся со следующими критическими эксплуатационными проблемами: Тип проблемы Характеристики обычных задвижек/шаровых клапанов Фактическое влияние на операционную деятельность Нарушение герметичности и внутренняя утечка Уплотнения со временем изнашиваются и не могут гарантировать полное отсутствие протечек. Утечка информации в СМИ создает серьезные риски для безопасности и окружающей среды. Для проведения технического обслуживания требуется остановка и сброс давления. Перед проведением технического обслуживания трубопроводы необходимо полностью сбросить давление. Длительные простои и значительные производственные потери Неспособность достичь истинной позитивной изоляции Изоляция зависит от герметизирующих компонентов с ограниченной надежностью. Риск перекрестного загрязнения при смене среды. Клиент специально запросил клапанное решение, которое могло бы: ● Работают без использования уплотнений ● Поддержка работы в условиях повышенного давления ● Предоставить абсолютная физическая изоляция Решение DVS с раздвижными запорными клапанами: физическая изоляция + управление в режиме реального времени + нулевая утечка В скользящем запорном клапане DVS для физического перекрытия прохождения рабочей среды используется сплошная заглушка. Такая конструкция принципиально исключает риски, связанные с традиционными клапанами, работающими за счет уплотнения. Следующие четыре технических преимущества сыграли ключевую роль в решении эксплуатационных задач заказчика: Абсолютная физическая изоляция с нулевой утечкой Сплошная заглушка напрямую блокирует поток рабочей среды, исключая проблемы старения и выхода из строя уплотнения. Это обеспечивает абсолютную герметичность при любых условиях эксплуатации. Работа сети в условиях повышенной нагрузки без остановки Клапан может переключаться между открытым и закрытым положениями, сохраняя при этом...

Каков производственный процесс изготовления задвижек, соответствующих стандарту ISO 15761? От сырья до испытаний под давлением.
Каков производственный процесс изготовления задвижек, соответствующих стандарту ISO 15761? От сырья до испытаний под давлением.
2026-04-30

ISO 15761 — это стандарт для стальных клапанов малого диаметра, используемых в нефтегазовой отрасли, охватывающий размеры от DN 15 до DN 100 и классы давления от Class 150 до Class 2500. Он применяется к задвижка шаровые вентили и обратные клапаны. Эти клапаны производятся не за один этап, а в рамках последовательной производственной цепочки. Качество каждого этапа напрямую влияет на следующий. Понимание этой цепочки помогает более эффективно выявлять критические проблемы при выборе клапанов, проверке соответствия стандартам и оценке поставщиков. Полный производственный процесс Шаг 1: Выбор материалов Материал определяет применимые условия эксплуатации и является отправной точкой всего процесса. К распространенным материалам, соответствующим стандарту ISO 15761, относятся: ● Углеродистая сталь для общего применения в нефтегазовой отрасли. ● Низкотемпературная углеродистая сталь для криогенных или низкотемпературных условий (например, для применения в СПГ). ● Нержавеющая сталь для работы в агрессивных средах Если в рабочей среде присутствует сероводород (H₂S), материалы также должны соответствовать требованиям NACE MR0175 / ISO 15156 для предотвращения сульфидного растрескивания под напряжением. Это требование применяется независимо от ISO 15761. Неправильный выбор материала не может быть компенсирован последующим контролем технологического процесса. Шаг 2: Ковка На этом этапе определяется внутреннее качество корпуса клапана. Ковка — это процесс формования нагретого металла под давлением, в результате которого образуется плотная внутренняя структура с меньшей вероятностью дефектов. Этот метод обычно предпочтителен для применений, связанных с высоким давлением или высокой надежностью. Для классов 800 и выше. поддельные тела В инженерной практике их обычно выбирают для снижения риска внутренних дефектов и повышения надежности конструкции, хотя окончательный выбор зависит от технических условий проекта. Шаг 3: Механическая обработка После формовки выполняется прецизионная механическая обработка для соответствия заданным размерам и требованиям к герметизации. Обработка уплотнительной поверхности является критически важным контрольным моментом. Контактные поверхности между седлом и диском должны подвергаться многократным процессам механической обработки и притирки для достижения заданной плоскостности и шероховатости поверхности, что напрямую влияет на эффективность отключения. Поверхность штока также должна соответствовать требованиям к низкой шероховатости для обеспечения долговременной стабильности герметизации сальника. Чрезмерная шероховатость ускоряет износ сальника и может привести к внешней утечке во время работы. Шаг 4: Сварка (наплавка уплотнительных поверхностей) Этот процесс используется для повышения эксплуатационных характеристик герметизирующей поверхности. Для обеспечения износостойкости или коррозионной стойкости уплотнительные поверхности обычно покрывают твердыми сплавами, такими как стеллит, для повышения их прочности. В процессе св...

Скользящий линейный запорный клапан
加载中...

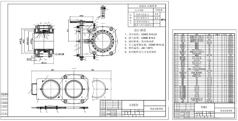
Запорный клапан скользящего типа, 10 дюймов, класс 300, ASME B16.34, с ручным винтовым приводом.

  • Оплата:

    30% when order confirmed, 70% before shipment
  • происхождение продукта:

    china
  • Цвет:

    Customization
  • порт доставки:

    Shanghai, China
  • Время упреждения:

    30~60 days Ex Works after order confirmation
  • Material:

    A105 Forged Carbon Steel
  • Method of Operation:

    Manual Screw-Operated
запрос сейчас
Деталь продукта

Введение

Этот 10-дюймовый скользящий запорный клапан класса 300 обеспечивает абсолютную надежную изоляцию трубопроводов среднего и высокого давления, сочетая в себе надежность прочного физического барьера с простотой ручного винтового привода.

В отличие от обычных клапанов, в которых используются подверженные износу седла, механизм скользящей заглушки создает настоящий физический барьер, обеспечивая нулевую утечку во время технического обслуживания без необходимости сброса давления в системе. Это значительно сокращает время простоя и повышает безопасность персонала.

Конструкция с ручным винтовым приводом обеспечивает точное и контролируемое перемещение заглушки, а также обладает встроенной функцией самоблокировки для удержания положения под давлением — идеально подходит для применений, где электрический или пневматический привод может быть недоступен или нежелателен.

Изготовленный в соответствии со стандартом ASME B16.34 с фланцами RF согласно ASME B16.5, этот клапан доступен в вариантах из кованой углеродистой стали (A105), нержавеющей стали или легированных материалов в зависимости от условий эксплуатации. Каждое изделие проходит 100% испытание под давлением в соответствии со стандартом API 598.

Эта 10-дюймовая конфигурация класса 300 является популярным выбором для паровых, нефтяных, газовых и химических трубопроводов. Другие размеры от 1 до 60 дюймов и классы давления до класса 2500 доступны в рамках нашей полной линейки заглушек.

Вырез для слайда THD

Slide Line Blind Suppliers

Функции

1. Ручной винтовой механизм с самоблокировкой.

Прецизионный винтовой привод обеспечивает плавное и контролируемое позиционирование глухой пластины. Самоблокирующийся механизм удерживает положение под давлением без дополнительных тормозных устройств.

2. Абсолютная физическая изоляция

Сплошная глухая пластина создает настоящий барьер, обеспечивая нулевую утечку во время технического обслуживания — в отличие от клапанов, зависящих от седла, которые со временем могут изнашиваться или ухудшаться.

3. Работа в линию без сброса давления.

Скользящий механизм позволяет переключаться между режимами подачи и заглушки без продувки системы, что сокращает время простоя и потери продукции.

4,10″ Класс 300 – Оптимальная балансировка

Обладает более высокой пропускной способностью по давлению, чем класс 150, и при этом остается более экономичным, чем класс 600, что делает его универсальным выбором для широкого спектра промышленных применений.

5. Конструкция из кованой углеродистой стали.

Кованый корпус из стали A105 обеспечивает высокую прочность, ударостойкость и надежную работу при термических циклах.

6. Проверено в соответствии со стандартом API 598.

100% гидростатические и пневматические испытания гарантируют герметичность перед отгрузкой.

Стандартные технические характеристики

Параметр

Спецификация

Тип

Скользящий запорный клапан

Размер

10″ (DN250)

Номинальное давление

Класс 300 (PN50)

Связь

Фланец RF, ASME B16.5

Операция

Ручной винтовой привод (самоблокирующийся)

Материал тела

Кованая углеродистая сталь A105 (возможны другие сплавы)

Материал уплотнения/седла

Соединение металл-металл (нержавеющая сталь + графит)

Стандарт проектирования

ASME B16.34

Измерение «лицом к лицу»

В соответствии со стандартом ASME B16.10 или стандартом производителя.

Испытания и проверка

API 598 (100% гидростатический и пневматический режимы)

Диапазон температур

от -29°C до +425°C (в зависимости от герметичности)

Применимые медиа

Пар, нефть, газ, вода, углеводороды

Приложение

Изоляция трубопроводов, нефтеперерабатывающие заводы, нефтехимические предприятия, электроэнергетика

Технический чертеж

Line Blind Valve China

Гибкие варианты дизайна

Индивидуально разработанные конфигурации для требовательных приложений.

Помимо базовой модели, этот заглушечный клапан может быть адаптирован для работы при высоких температурах, соответствия требованиям пожарной безопасности и обеспечения нулевого уровня выбросов (защиты от капель). Для установок, где пространство ограничено, доступен компактный вариант, обеспечивающий те же надежные характеристики изоляции при меньших габаритах.

Упрощенное обслуживание уплотнений – Разборка не требуется

Уплотнения интегрированы в защитную пластину, что позволяет операторам осматривать или заменять их без разборки клапана. Проверки состояния можно проводить во время эксплуатации клапана, до любого изменения его положения, обеспечивая проверку целостности уплотнения перед началом работы.

Низкая общая стоимость владения

Обтекаемая, прочная конструкция клапана обеспечивает надежное перекрытие потока с минимальным техническим обслуживанием. Уникальный механизм привода позволяет одному оператору быстро и безопасно перекрыть трубопровод — без использования инструментов — сокращая время работы и упрощая процедуры технического обслуживания.

Параметры

●Удлинители маховика

●Блокирующее устройство

●Концевые выключатели

●Сливные/вентиляционные отверстия

●Защитные накладки на пластины для защиты уплотнений

●Компактная конструкция (фланцевое соединение с резьбой)

●Защита от дождя/пыли

●Ограничитель крутящего момента

Оставить Сообщение

Если вы заинтересованы в наших продуктах и хотите знать больше деталей,пожалуйста, оставьте здесь сообщение,мы ответим вам как только мы можем.

сопутствующие товары
линейный запорный клапан
8-дюймовый линейный запорный клапан класса 150# из углеродистой стали ASME DIN ISO

Линейный глухой клапан (очковый клапан) представляет собой разновидность задвижки, перекрывающей газовую среду вручную, электрически, пневматически или гидравлически. Обычно он делится на электрический глухой клапан, гидравлический глухой клапан, закрытый пробковый клапан и электрический открытый глухой клапан.

Линейный слепой клапан
Линейный слепой клапан класса 150–2500 1–60 дюймов ASME B16.34

Линейные заглушки применяются в трубопроводных системах, когда необходимо либо полное перекрытие, либо беспрепятственный переход потока без значительного падения давления. THD (конструкция сквозного отверстия) обеспечивает быструю и плавную регулировку положения. Вариант THD-slide имеет конфигурацию с несколькими болтами, что упрощает эксплуатацию и уменьшает габаритную длину. Наличие дополнительных болтов корпуса делает этот тип особенно подходящим для применений с высоким давлением.

ASME B16.34 10-дюймовый линейный слепой клапан 150 фунтов, радиочастотное соединение, корпус A105, турбина
ASME B16.34 10-дюймовый линейный запорный клапан 150 фунтов, радиочастотное соединение, корпус A105, работа в режиме турбины

10-дюймовый линейный глухой клапан 150 фунтов изготовлен в соответствии со стандартом ASME B16.34. Корпус клапана изготовлен из A105. Он имеет противокапельные структурные характеристики. Его режим подключения - RF. И он имеет режим работы турбины.

Пять тысяч двести один
Запорный клапан DN400 PN40 из кованой заготовки EN12516-1/2 RF

Задвижка DN400 PN40 изготовлена в соответствии со стандартом EN12516-1/2. Корпус клапана изготовлен из стали LF2. Клапан предназначен для работы с паром при рабочей температуре 250°C, рабочем давлении 1,3 МПа, расчетном давлении 2 МПа, диапазоне расчетных температур от -39°C до +350°C и диапазоне температур окружающей среды от -39°C до +34,7°C. Тип соединения – RF. Имеет редуктор. режим работы. Параметры продукта Тип Задвижка Размер ДН400 Давление ПН40 Связь РЧ Операция МЕХАНИЗМ Материал тела A182 LF2 Стандарт проектирования EN12516-1/2 Лицом к лицу Стандарты поставщиков Размеры фланца ГОСТ 33259-Тип B Кодекс испытаний и контроля EN12266-1/2 Температура -29 ~ 120 °С Применимый носитель Вода, нефть и газ Функции 1. Цельнокованая конструкция обеспечивает высокую структурную целостность и герметичность при давлении PN40. 2. Механизм скользящей заглушки с фланцем RF обеспечивает безопасную и эффективную изоляцию участков трубопровода. Технический чертеж Проверка размеров Испытание под давлением Рисование Табличка и упаковка Отчет об инспекции

Пять тысяч двести один
10-дюймовый задвижной клапан RF A105 для турбин, грузоподъемностью 150 фунтов, стандарт ASME B16.34

Запорный клапан-слайдер 10 дюймов, 150 фунтов, изготовлен в соответствии со стандартом ASME B16.34. Корпус клапана изготовлен из стали A105. Он имеет конструкцию, предотвращающую каплеобразование. Способ соединения – RF. Имеет турбинную конструкцию. режим работы. Параметры продукта Тип Задвижка Размер 10 дюймов Давление 150 фунтов Связь РЧ Операция Турбина Материал тела А105 Стандарт проектирования ASME B16.34 Лицом к лицу Стандарт производителя Размеры фланца ASME B16.5 Кодекс испытаний и контроля API 598 Температура -29 ~ 150 °С Применимый носитель Вода, нефть и газ Функции 1. Турбинный скользящий механизм обеспечивает плавную и эффективную работу при изоляции трубопроводов большого диаметра. 2. Корпус из кованой углеродистой стали A105 с фланцем RF обеспечивает прочность, долговечность и надежную герметизацию. Технический чертеж Проверка размеров Испытание под давлением Рисование Табличка и упаковка Отчет об инспекции

оставьте сообщение

    Если вы заинтересованы в наших продуктах и хотите знать больше деталей,пожалуйста, оставьте здесь сообщение,мы ответим вам как только мы можем.

Главная

Продукция

около

контакт