русский

русский

Get a Quote
Продукция

Горячие продукты

новости компании

Ошибки при установке заглушек для трубопроводов, которых следует избегать,
Ошибки при установке заглушек для трубопроводов, которых следует избегать,
2026-05-15

А Заглушка трубопровода (также называемое устройством изоляции типа «лопатка/глухая пластина») — это механическое устройство, используемое для достижения позитивная изоляция В трубопроводных системах. Широко применяется в нефтегазовой, нефтехимической, нефтеперерабатывающей и ремонтно-изоляционной отраслях. Его основная функция заключается не в регулировании потока, а в обеспечении... нулевой проход жидкости в условиях технического обслуживания . Однако неправильная установка или эксплуатация могут привести к утечкам, нарушению герметичности, деформации фланца и даже к угрозе безопасности. В следующих разделах, исходя из инженерной логики, обобщены распространенные ошибки при монтаже, а также их последствия. 1. Несоблюдение требования о полном снижении давления перед установкой. Если в трубопроводе сохраняется остаточное давление, установка или замена заглушки может привести к механическому воздействию или повреждению уплотнительных поверхностей. Если срабатывание заглушки трубопровода выполняется без полного сброса давления, это может привести к следующим последствиям: ● Образование царапин или деформация уплотнительных поверхностей. ● Аномально высокий рабочий крутящий момент ● Неполная установка глухой пластины. ● В крайних случаях существует риск утечки жидкости. Таким образом, стандартная процедура требует: полного сброса давления, полного удаления остаточных сред и подтверждения нулевого давления перед началом операции изоляции. 2. Установка заглушки трубопровода при неправильном выравнивании фланца. Системы заглушек трубопроводов зависят от точного выравнивания фланцев. При наличии смещения или эксцентриситета фланца: ● Неравномерная нагрузка на глухую пластину ● Локализованная концентрация напряжений в герметизации ● Постоянные пути утечки после эксплуатации ● Заедание или блокировка рабочего механизма При наличии значительного смещения заглушку трубопровода не следует устанавливать с усилием. Сначала необходимо исправить опоры трубопровода или нарушения соосности. 3. Пренебрежение чистотой герметизирующей поверхности. Герметичность запорных клапанов обычно обеспечивается за счет герметизации «металл к металлу» или использования мягких уплотнительных конструкций. Если уплотнительные поверхности содержат: ● Сварочный шлак ● Ржавчина ● Мусор или частицы ● Остаточный материал прокладки В этом случае эффективная герметизация не будет достигнута даже при приложении расчетного крутящего момента. С инженерной точки зрения: если уплотнительная поверхность не чистая, микропротечки неизбежны. 4. Неправильная ориентация глухой пластины. Для некоторых конструкций заглушек трубопроводов существуют особые требования к направлению потока или ориентации при установке. При неправильной установке: ● Неполная установка глухой пластины. ● Неправильное направление нагрузки при герметизации. ● Недостаточный ход привода ● Сбой механической блокировки При монтаже необходимо строго следовать маркировке производителя (стрелке направления потока или ориентации конс...

Скользящий запорный клапан DVS обеспечивает нулевую утечку и надежную изоляцию для южноафриканского нефтяного клиента в трубопроводах различного типа.
Скользящий запорный клапан DVS обеспечивает нулевую утечку и надежную изоляцию для южноафриканского нефтяного клиента в трубопроводах различного типа.
2026-05-09

Крупный южноафриканский нефтяной клиент развернул скользящий заглушечный клапан DVS В многокомпонентной трубопроводной системе, требующей частого переключения между нефтепродуктами, природным газом и химическими растворителями. С момента установки система демонстрирует стабильную работу без утечек. Работа клапана в режиме онлайн под давлением полностью исключает необходимость остановки и сброса давления, значительно повышая безопасность технического обслуживания на месте. Проблема, с которой столкнулся клиент: нарушение герметичности и недостаточная изоляция при частом переключении между различными средами. Клиент — крупная компания по переработке и хранению нефти в Южной Африке. В их трубопроводной сети часто происходит переключение между различными средами, включая нефтепродукты, природный газ и химические растворители. Из-за существенных различий в характеристиках сред система предъявляет чрезвычайно высокие требования к герметичности клапанов, коррозионной стойкости и безопасности эксплуатации. При использовании обычных задвижка В связи с производством шаровых и других аналогичных изделий, в долгосрочной перспективе клиент столкнулся со следующими критическими эксплуатационными проблемами: Тип проблемы Характеристики обычных задвижек/шаровых клапанов Фактическое влияние на операционную деятельность Нарушение герметичности и внутренняя утечка Уплотнения со временем изнашиваются и не могут гарантировать полное отсутствие протечек. Утечка информации в СМИ создает серьезные риски для безопасности и окружающей среды. Для проведения технического обслуживания требуется остановка и сброс давления. Перед проведением технического обслуживания трубопроводы необходимо полностью сбросить давление. Длительные простои и значительные производственные потери Неспособность достичь истинной позитивной изоляции Изоляция зависит от герметизирующих компонентов с ограниченной надежностью. Риск перекрестного загрязнения при смене среды. Клиент специально запросил клапанное решение, которое могло бы: ● Работают без использования уплотнений ● Поддержка работы в условиях повышенного давления ● Предоставить абсолютная физическая изоляция Решение DVS с раздвижными запорными клапанами: физическая изоляция + управление в режиме реального времени + нулевая утечка В скользящем запорном клапане DVS для физического перекрытия прохождения рабочей среды используется сплошная заглушка. Такая конструкция принципиально исключает риски, связанные с традиционными клапанами, работающими за счет уплотнения. Следующие четыре технических преимущества сыграли ключевую роль в решении эксплуатационных задач заказчика: Абсолютная физическая изоляция с нулевой утечкой Сплошная заглушка напрямую блокирует поток рабочей среды, исключая проблемы старения и выхода из строя уплотнения. Это обеспечивает абсолютную герметичность при любых условиях эксплуатации. Работа сети в условиях повышенной нагрузки без остановки Клапан может переключаться между открытым и закрытым положениями, сохраняя при этом...

Каков производственный процесс изготовления задвижек, соответствующих стандарту ISO 15761? От сырья до испытаний под давлением.
Каков производственный процесс изготовления задвижек, соответствующих стандарту ISO 15761? От сырья до испытаний под давлением.
2026-04-30

ISO 15761 — это стандарт для стальных клапанов малого диаметра, используемых в нефтегазовой отрасли, охватывающий размеры от DN 15 до DN 100 и классы давления от Class 150 до Class 2500. Он применяется к задвижка шаровые вентили и обратные клапаны. Эти клапаны производятся не за один этап, а в рамках последовательной производственной цепочки. Качество каждого этапа напрямую влияет на следующий. Понимание этой цепочки помогает более эффективно выявлять критические проблемы при выборе клапанов, проверке соответствия стандартам и оценке поставщиков. Полный производственный процесс Шаг 1: Выбор материалов Материал определяет применимые условия эксплуатации и является отправной точкой всего процесса. К распространенным материалам, соответствующим стандарту ISO 15761, относятся: ● Углеродистая сталь для общего применения в нефтегазовой отрасли. ● Низкотемпературная углеродистая сталь для криогенных или низкотемпературных условий (например, для применения в СПГ). ● Нержавеющая сталь для работы в агрессивных средах Если в рабочей среде присутствует сероводород (H₂S), материалы также должны соответствовать требованиям NACE MR0175 / ISO 15156 для предотвращения сульфидного растрескивания под напряжением. Это требование применяется независимо от ISO 15761. Неправильный выбор материала не может быть компенсирован последующим контролем технологического процесса. Шаг 2: Ковка На этом этапе определяется внутреннее качество корпуса клапана. Ковка — это процесс формования нагретого металла под давлением, в результате которого образуется плотная внутренняя структура с меньшей вероятностью дефектов. Этот метод обычно предпочтителен для применений, связанных с высоким давлением или высокой надежностью. Для классов 800 и выше. поддельные тела В инженерной практике их обычно выбирают для снижения риска внутренних дефектов и повышения надежности конструкции, хотя окончательный выбор зависит от технических условий проекта. Шаг 3: Механическая обработка После формовки выполняется прецизионная механическая обработка для соответствия заданным размерам и требованиям к герметизации. Обработка уплотнительной поверхности является критически важным контрольным моментом. Контактные поверхности между седлом и диском должны подвергаться многократным процессам механической обработки и притирки для достижения заданной плоскостности и шероховатости поверхности, что напрямую влияет на эффективность отключения. Поверхность штока также должна соответствовать требованиям к низкой шероховатости для обеспечения долговременной стабильности герметизации сальника. Чрезмерная шероховатость ускоряет износ сальника и может привести к внешней утечке во время работы. Шаг 4: Сварка (наплавка уплотнительных поверхностей) Этот процесс используется для повышения эксплуатационных характеристик герметизирующей поверхности. Для обеспечения износостойкости или коррозионной стойкости уплотнительные поверхности обычно покрывают твердыми сплавами, такими как стеллит, для повышения их прочности. В процессе св...

Пять тысяч двести один
加载中...

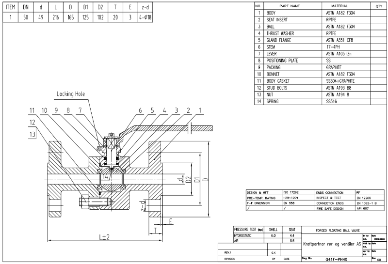
Корпус кованого плавающего шарового крана DN50 PN40 F304 ISO 17292 RF

Кованый плавающий шаровой кран DN50 PN40 изготовлен в соответствии со стандартом ISO 17292. Корпус крана изготовлен из стали ASTM A182 F304. Он имеет следующие конструктивные характеристики: полнопроходной, плавающий шар, огнестойкий, антистатичный и противовыбросовый шток. Тип соединения – армированный (RF). Управление осуществляется маховиком.

  • Оплата:

    30% when order confirmed, 70% before shipment
  • происхождение продукта:

    china
  • Цвет:

    Customization
  • порт доставки:

    Shanghai, China
  • Время упреждения:

    30~60 days Ex Works after order confirmation
  • Material:

    ASTM A182 F304 ASTM A182 F304
  • Method of Operation:

    H.W.
запрос сейчас
Деталь продукта

Описание продукта

Тип

Кованый плавающий шаровой кран

Размер

Ду50

Давление

ПН40

Связь

РФ

Операция

ХВ

Материал корпуса

ASTM A182 F304

Норма дизайна

ISO17292

Лицом к лицу

EN 558

Соединение заканчивается

EN 1092-1 Б

Код испытаний и проверок

EN12266

Температура

-29 ~ 120 °С

Применимая среда

Вода, нефть и газ

Функции

1.Изготовлен из кованой нержавеющей стали F304, обеспечивающей превосходную коррозионную стойкость и долговечность.

2.Конструкция плавающего шарового крана соответствует стандарту ISO 17292 с RF-концами для герметичного уплотнения и надежного регулирования расхода.

Технический рисунок

RF Forged Floating Ball Valve

Проверка размеров

RF Forged Floating Ball Valve

Испытание под давлением

RF Forged Floating Ball Valve

Паспортная табличка и упаковка

RF Forged Floating Ball Valve

Отчет о проверке

Forged Floating Ball Valve Forged Floating Ball Valve Forged Floating Ball Valve Forged Floating Ball Valve

Оставить Сообщение

Если вы заинтересованы в наших продуктах и хотите знать больше деталей,пожалуйста, оставьте здесь сообщение,мы ответим вам как только мы можем.

сопутствующие товары
плавучий шаровой клапан класса 150
алюминиевый бронзовый плавающий шаровой кран 1 дюйм 150 фунтов

1-дюймовый шаровой кран плавающего типа изготовлен из алюминиевой бронзы C95800. Шаровой кран с уменьшенным внутренним диаметром имеет рычажный привод, фланец ВЧ, корпус из двух частей. быстрая деталь тип шаровой кран размер 1" давление ANSI 150 строительство плавающий   шар, корпус из 2 частей, боковой вход, уменьшенное отверстие соединение отбортованный   конец операция рычаг   операция тело   материал алюминий   бронзовый астм b148 c95800 СМИ w.o.g доступные модификации для шарового крана Номинальное давление размер клапана порт и усиление полный порт -материал корпуса, шара, штока, седла, уплотнения, болта и гайки работа клапана (рычаг, коробка передач, пневматический или гидравлический или электрический привод) -конечный тип подключения -доступный удлиненный ствол индивидуальное покрытие & amp; упаковка -модификации дренажного порта упаковка дервосов хорошая упаковка означает хорошее первое впечатление. только представьте, как вы себя чувствуете, когда видите две коробки ниже? и вы узнаете причину, почему в дерво мы так ценим упаковку. в дерво, мы уверены, 1. Каждый клапан чистый и сухой. что мы делаем? очистить клапан перед упаковкой антикоррозионное масло крышка фланца 2. нет повреждений клапанов при доставке. как нам этого добиться? закрепить клапан железной проволокой -разделить клапан мягким материалом клапан с фанерой Коробка 3.strong и ясный знак перевозкы груза

двухкомпонентный литой стальной шаровой кран
литой шаровой кран из 2-х частей, 4-дюймовый ключ класса 150

тип 2 части плавающий шаровой кран имеет полный порт, пожаробезопасную конструкцию, противовыбросовый шток, фланец ANSI 150 и рычаг. Шаровой кран из углеродистой стали оснащен корпусом w216 a2, штоком и шаром f316, мягким седлом ptfe. быстрая деталь тип шаровой кран размер 4" давление 150 фунтов строительство плавающий тип   шар, корпус из двух частей, полнопроходной соединение поднятый   конец лицевого фланца операция гаечный ключ   операция тело   материал литая сталь   WCB отделка   материал ss316 & ptfe стандарт дизайна API 6D давление   & Amp; временный код Asme B16.34 лицом к лицу Asme B16.10 конец   соединение ASM B16,5 осмотр   код API 6D температура   спектр -29 ℃ ~ + 125 ℃ СМИ вода, масло   и газ материал & amp; измерение нет Наименование углерод   стали астме нержавеющий   стали астме WCB LCB CF8 CF8M cf3 CF3M 1 тело A216 WCB a352 lcb a351 cf8 a351 cf8m a351 cf3 a351 cf3m 2 гайка капота а194 2ч а4 4 а194 8 3 болт капота а193 б7 а320 л7 а193 б8 4 шапка A216 WCB a352 lcb a351 cf8 a351 cf8m a351 cf3 a351 cf3m 5 прокладка ss спиральная рана / графит или   ss спиральная рана / ptfe 6 мяч a105 / ep.cr или f6 а182 ф6 a351 cf8 a351 cf8m a351 cf3 a351 cf3m 7 кольцо сиденья rptfe или pom 8 маленькая весна нержавеющая сталь 9 небольшой мяч a182 f304 a182 f316l 10 стебель а182 ф6 а182 ф6 A182 F304 a182 f316 а182 ф304л a182 f316l 11 седло птфэ 12 набивка стволов ПТФЭ или графит 13 железа а182 ф6 A182 F304 a182 f316 а182 ф304л a182 f316l 14 сальник болт а193 б7 а193 б8 15 фланец A216 WCB a351 cf8 16 позиционная пластина стали 17 wrentch A216 WCB материал   в соответствии со стандартом astm класс 150 дп мм 15 20 25 40 50 65 80 100 150 200 250 аэс в 0,5 0,75 1 1,5 2 2.5 3 4 6 8 10 L (РЧ) мм 108 117 127 165 178 191 203 229 394 457 533 в 4,25 4,6 5 6,5 7 7,5 8 9 15,5 18 21 l1 (Мт) мм 140 152 165 190 216 241 283 305 457 521 559 в 5,5 6 6,5 7,48 8,5 9,5 11,13 12 18 +20,5 22 l2 (RTJ) мм 119 129,7 139,7 178 191 203 216 241 406 470 546 в 4,69 5,11 5,5 6,9 7,5 8 8,5 9,5 16 18,5 +21,5 час мм 66 74 87 105 132 152 182 215 250 285 495 в 2,6 2,9 3,48 4,2 5,28 6,08 7,28 8,6 10 11,4 +19,5 делать (ж) мм 130 130 160 230 400 400 600 850 1100 1500 * 350 в 5,1 5,11 6,3 9 15,74 15,74 23,62 33,46 43,3 59 13,8 РЧ (кг) & ЕПРС; 2,3 3 4.5 7 15 20 25 40 97 160 240 м.т. (кг) & ЕПРС; 2,0 2.5 3,8 5,8 12 17 21 36 92,8 154 227 * работает червячная передача или электрический привод специальные тесты инспекции В дополнение к регулярным гидравлическим испытаниям и воздушным испытаниям dervos также может проводить специальные испытания в соответствии с требованиями клиентов, такие как pt-тест, rt-тест, ut-тест, криогенный тест, тест на низкую утечку, тест на огнестойкость, тест на твердость и т. д. ,

шаровый кран dn100 wcb
шаровый кран din-dn100 pn16 wcb плавающий шаровой нагревательный кожух

шаровой кран DIN с полными порами РЧ с плавающей точкой огнезащитный антистатический рычаг Корпус wcb a105 + шарик enp 17-4ph шток f304 + седло ni55 x750 пружинная сварка фланца нагревательная рубашка dn100 pn16 быстрая деталь тип шаровой кран размер DN100 Расчетное давление PN16 строительство плавающий шаровой кран тип соединения выступающий фланец operationtype рычаг материал корпуса WCB ballmaterial A105 + ni60 материал ствола 17-4PH seatmaterial F304 + ni55 код проекта en12516-1 измерение лицом к лицу en558-1 конец соединения en1092-1 b1 давление & amp; температура en12266 средний вода, нефть и газ происхождения Китай

производитель шаровых кранов API 6D
api 6d плавающий шаровой кран 2 дюйма 600 фунтов расширенный шток a105

Шаровой кран API 6D разработан с удлиненный шток для специального использования, например, подземный шаровой кран или низкая температура применение. длина расширенного стебля может быть настроена в соответствии с клиентом запрос. быстрая деталь тип шаровой кран размер 2 дюйма давление класс 600 строительство Трещина   корпус, боковой вход, плавающий тип, пожаробезопасная конструкция, антистатическая система,   противовыбросовый шток, удлиненный капот соединение рф фланец режим работы рычаг материал корпуса a105n отделочный материал шарик и шток ss304, сиденье rptfe дизайн & amp; производство API 6D давление & amp; временный код Asme B16.34 концы с концами Asme B16.10 конец соединения ASM B16,5 осмотр API 6D,   API 598 диапазон температур -29 ℃ ~ 200 ℃ средний масло,   вода, газ КК процесс в дерво осмотр отливки : мы может выяснить проблему с сырьем, например, плохое литье, неквалифицированное толщина стен, химический состав и т. д., которые гарантируют, что вы не будете быть обманутым механическая проверка: -Обеспечение точность обработки -найти как можно раньше избавиться от ошибки обработки, чтобы выиграть больше времени на ремонт, переделка Окончательная проверка: -финал инспекционной деятельности включает документ и контрольную запись обзор, визуальный осмотр, проверка размеров, опрессовка, окраска и упаковка чек об оплате - сэкономьте время и деньги: вам не нужно приходить и проверять лично и все документы могут быть предоставлены в качестве доказательства. отчет о проверке будет предоставляется бесплатно, в том числе: -en 10204 3.1 сертификат испытаний мельницы -инспекционный отчет, показывающий весь процесс проверки

 шаровой кран из кованой стали a105 npt
кованая сталь dn25 pn100 шаровой кран n105 npt

dn25 pn100 кованая сталь a105 npt соединительный путь 2 шт. конструкция полнопористый рычажный механизм плавающий шар корпус и крышка a105 шарик a182 f304 седло ptfe стержень a182 f304 уплотнительное кольцо стержень уплотнение из витона уплотнение из графитового сальника конструкция из нержавеющей стали и изготовление asme b16.34 лицом к дизайн лицевой стороны изготовление стандартное изготовление стандартные винты и размеры ansi b1.20.1 проверка и испытание api598 конструкция пожарной безопасности api 607 быстрая деталь тип шаровой кран размер DN25 давление PN100 строительство 2 куска соединение нтр режим работы рычаг материал корпуса A105 обложка A105 дизайн & amp; производство Asme B16.34 концы с концами Asme B16.10 конец соединения ansi b1.20.1 осмотр API 598 диапазон температур -29 ℃ ~ + 538 ℃ средний нефть, вода, газ

Пять тысяч двести один
2 шт плавающий шаровой кран wcb 150 фунтов 4 дюйма с уменьшенным отверстием

Двухсекционный плавающий шаровой кран, изготовленный в соответствии с API 6a, имеет конструкцию с уменьшенным отверстием, пожаробезопасную конструкцию, противовыбросовый шток. с седлом rptfe и уплотнительным кольцом ptfe, 4-дюймовый клапан wcb является сертификатом для вас.

Пять тысяч двести один
В JIS 2 части плавая шариковый клапан РЧ×ДНР 25А 16К

Этот шариковый клапан, разработанный в соответствии с ASME в16.34, располагает двумя различными способами соединения--одна сторона для РФ и другой стороной договора. Клапан с плавающим шаром, PTFE сиденье, тело scs13 ПК и другие функции имеет превосходное проведение запечатывания.

Пять тысяч двести один
2-дюймовый 600 фунтов шаровой клапан клапан api6d РФ полный проход 2 шт тип

Кованой стали шаровой клапан изготовлен из А105 тела и 17-4ph с отделкой взыскать конец фланца и работы рычага. Этот плавая шариковый клапан особенности надежное уплотнение производительность и простота в эксплуатации.

Пять тысяч двести один
Из нержавеющей стали 2 шт тип шариковый клапан 1-1/2 дюйма 800lb задерживающего

Изготовлен из F316, плавая шариковый клапан конструирован в соответствии кода на Асме Б16.34. Клапан состоит из двух частей Тело, плавая шарик, рычаг управления, с хорошим надежное проведение запечатывания и небольшой крутящий момент.

Кованый стальной плавающий шаровой кран
Корпус плавающего шарового крана из кованой стали DN25 PN16 ASTM ISO 17292

Кран с плавающим шаром из кованой стали DN25 PN16 изготовлен в соответствии со стандартом ISO17292. Корпус клапана изготовлен из стали ASTM-A105. Он имеет разъемный корпус, плавающий шар, полнопроходной, огнестойкий, антистатичный, с противовыбросовым штоком. Тип соединения – армированный (RF). Управление осуществляется маховиком.

Пять тысяч двести один
1 дюйм трехкомпонентный ручной шаровой кран полнопроходной

изготовленный из CF8M, 2-х компонентный клапан разработан в соответствии с ASME B16.34. смешанный с 15 процентов стекловолокна, RPTFE седло клапана более пригодно для работы при высоких температурах и коррозионных условиях.

Пять тысяч двести один
Фланцевое концевой шаровой кран, ASTM A350 LF6, CL600, 1 / 2 Дюйм, из двух частей

китай Фланцевые концевой шаровой кран Производитель, Dervos предлагает Фланцевые концевой шаровой кран, ASTM A350 LF6, класс 600, 1 / 2 Дюймовая, двухкомпонентная, ковка, API 608, bs 5351, ASME B16.34.

оставьте сообщение

    Если вы заинтересованы в наших продуктах и хотите знать больше деталей,пожалуйста, оставьте здесь сообщение,мы ответим вам как только мы можем.

Главная

Продукция

около

контакт