русский

русский

Get a Quote
Продукция

Горячие продукты

новости компании

Can Line Blind Valves Handle High-Temperature Steam Applications?
Can Line Blind Valves Handle High-Temperature Steam Applications?
2026-03-19

Recently, Dervos Valve helped a client in Hungary overcome a common challenge in industrial steam systems: how to safely isolate high-temperature pipelines without leakage or downtime.   Operating with saturated steam at around 250°C and exposed to temperatures as low as -39°C, the client’s system demanded a solution that was both robust and reliable. Traditional valves often failed to maintain a tight seal under such conditions, and conventional isolation methods required depressurizing the line, increasing downtime and operational risk.   To address these challenges, Dervos supplied a DN400 PN40 sliding line blind valve, engineered specifically for the project’s harsh conditions. The valve’s sliding blind mechanism allows operators to switch between flow and isolation positions without depressurizing the system, enhancing safety and efficiency during maintenance.   Built with forged 20GML steel and a metal-to-metal stainless steel sealing structure, the valve delivers reliable performance under both high-temperature steam and extreme outdoor climates. Its full-bore design minimizes flow resistance, while the worm gear manual actuator ensures smooth and controlled operation even at large sizes and high pressure ratings. Safety features such as anti-misoperation devices and protective blind plate structures further reduce the risk of errors during handling.   Since installation, the valve has enabled leak-free operation, safer maintenance procedures, and stable performance in extreme temperatures. Designed for a service life exceeding 30 years, it provides a long-term, low-maintenance solution, giving the client confidence in their steam system’s reliability and safety.   This project highlights how a carefully engineered sliding line blind valve can solve critical isolation challenges in high-temperature steam applications, combining operational safety, durability, and efficiency in one solution.

Являются ли задвижки полнопроходными?
Являются ли задвижки полнопроходными?
2026-03-13

В промышленных трубопроводных системах задвижки обычно считаются запорными клапанами с низким сопротивлением. Когда клапан полностью открыт, затвор полностью отводится от пути потока, позволяя жидкости проходить через него с минимальным препятствием. Однако, со строгой инженерной точки зрения, не все задвижки относятся к полнопроходным клапанам. Если диаметр седла равен или очень близок к внутреннему диаметру трубопровода, поток практически не испытывает сопротивления. В этом случае клапан можно считать полнопроходным (или почти полнопроходным). Такая конструкция широко используется в нефтегазопроводах, системах водоснабжения и других областях, где требуется низкое падение давления. Если диаметр седла клапана немного меньше внутреннего диаметра трубы, внутри клапана возникнет незначительное ограничение потока. В таких случаях более точным описанием клапана является клапан с уменьшенным диаметром. Такая конфигурация чаще встречается в клапанах меньших размеров или оптимизированных по стоимости. клапан дизайны. В инженерной практике можно применить простую логику выбора: ● Если система требует минимального сопротивления потоку или очистки трубопровода с помощью поршня, диаметр отверстия клапана должен соответствовать диаметру трубопровода. ● Если клапан используется для общего запорного режима, большинство стандартных задвижек уже могут обеспечить требуемую пропускную способность. Таким образом, можно сделать краткий вывод: Задвижки, как правило, имеют конструкцию, близкую к полнопроходной, но является ли она действительно полнопроходной, зависит от того, совпадает ли диаметр седла с внутре

Монтаж шаровых кранов большого диаметра
Монтаж шаровых кранов большого диаметра
2026-03-09

Большой диаметр шаровой клапан Клапаны широко используются в таких отраслях, как нефтехимическая промышленность, энергетика, транспортировка грузов по трубопроводам на большие расстояния и крупномасштабные системы водоочистки. Неправильная установка может привести к протечкам, заклиниванию клапанов или повреждению конструкции из-за напряжений. Поэтому для обеспечения долгосрочной стабильной работы крайне важны правильные методы установки. 1. Предварительная проверка перед установкой Если предварительная проверка перед установкой недостаточна, вероятность возникновения эксплуатационных сбоев во время эксплуатации возрастает. В первую очередь, осмотрите корпус клапана на наличие повреждений при транспортировке. Если на корпусе клапана или уплотнительных поверхностях обнаружены царапины, следы ударов или деформации, установку следует прекратить и связаться с поставщиком. Далее проверьте модель клапана, номинальное давление и стандарты подключения. Если расчетное давление системы не соответствует классу давления клапана, могут возникнуть риски для безопасности эксплуатации. Например, если в трубопроводной системе высокого давления по ошибке используется клапан низкого давления, корпус клапана может подвергнуться пластической деформации под воздействием гидравлического удара. Также необходимо проверить состояние поверхности шара и уплотнительных колец. При наличии царапин на поверхности шара эффективность герметизации снизится. Это особенно важно в газотранспортных системах, где микроутечки более вероятны. 2. Инструкция по установке На шаровых кранах большого диаметра обычно имеется маркировка направления потока. При неправильном направлении установки могут возникнуть следующие проблемы: Если направление потока жидкости совпадает с расчетным направлением, рабочий крутящий момент останется более стабильным. Если клапан установлен в обратном направлении, шток может испытывать повышенную механическую нагрузку, что ускорит износ штока при длительной эксплуатации. Для двустороннего двойного уплотнения шаровой клапан Хотя двунаправленный поток допускается, для обеспечения более равномерного распределения герметизирующего напряжения все же рекомендуется установка в соответствии с указанным направлением потока. В высокотемпературных или паровых системах неправильное направление установки может привести к ускорению старения уплотнительного кольца из-за теплового расширения. 3. Контроль напряжений в трубопроводе Шаровые краны большого диаметра тяжелые. При установке без надлежащей опоры дополнительные изгибающие моменты могут передаваться на фланцевые соединения. При осевом смещении трубопроводов необходимо установить опоры для сегментированной фиксации. Без опорных конструкций корпус клапана может подвергаться длительной гравитационной растягивающей нагрузке, что в конечном итоге приведет к нарушению герметичности фланца. Как правило, рекомендуется устанавливать независимые опоры с обеих сторон шаровых кранов большого диаметра. Если трубопроводная система подв...

Пять тысяч двести один
加载中...

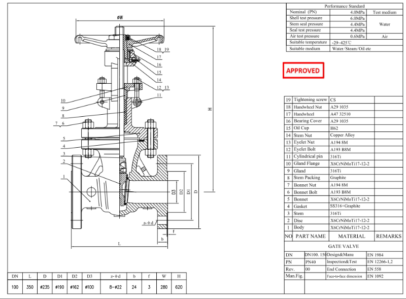
Задвижка из нержавеющей стали DN100 PN40 EN 1.4571 EN1984

  • Оплата:

    30% when order confirmed, 70% before shipment
  • происхождение продукта:

    china
  • Цвет:

    Customization
  • порт доставки:

    Shanghai, China
  • Время упреждения:

    30~60 days Ex Works after order confirmation
  • Material:

    X6CrNiMoTi17-12-2
  • Method of Operation:

    hand wheel
запрос сейчас
Деталь продукта

Задвижка DN100 PN40 из нержавеющей стали изготовлена в соответствии со стандартом EN 1984. Корпус задвижки выполнен из стали X6CrNiMoTi17-12-2. Стандарт EN 1.4571 (AISI 316Ti) широко используется в средне- и высокотемпературных условиях, где требуется устойчивость к межкристаллитной коррозии и умеренной хлоридной коррозии, особенно в сварных системах без последующей термообработки. Тип соединения – EN558. Имеется маховик. operation mode.

Product Parameters

Type

Stainless Steel Gate Valve

Size

DN100

Pressure

PN40

Connection

EN 558

Operation

Hand Wheel

Body Material

X6CrNiMoTi17-12-2

Design Norm

EN 1984

Face to Face dimension

EN 1092

End connection

EN 558

Test & Inspection Code

EN 12266-1,2

Temperature

-29 ~ 425°C

Applicable Medium

Water, Oil and Gas

Features

1.Made from EN 1.4571 stainless steel, offering excellent corrosion resistance and high-temperature stability for PN40 pressure applications.

2.Gate valve design compliant with EN 1984 ensures reliable shutoff and long service life in industrial piping systems.

Technical Drawing

DN100 PN40 Stainless Steel Gate Valve

Dimension Checking

DN100 PN40 Stainless Steel Gate Valve

Pressure Testing

DN100 PN40 Stainless Steel Gate Valve

Spectrum

DN100 PN40 Stainless Steel Gate Valve

Nameplate & Packing

DN100 PN40 Stainless Steel Gate Valve

Оставить Сообщение

Если вы заинтересованы в наших продуктах и хотите знать больше деталей,пожалуйста, оставьте здесь сообщение,мы ответим вам как только мы можем.

сопутствующие товары
Фланцевая задвижка из нержавеющей стали
Задвижка из нержавеющей стали DIN 3352 PN16 OS&Y

Задвижка CF8M из нержавеющей стали спроектирована с фланцевым соединением и управлением с помощью маховика в соответствии с DIN 3352. Полнопроходная задвижка PN16 DN200 имеет конструкцию OS&Y, упругий клин и сменное седло. Характеристики конструкции Проектирование и производство: DIN 3352 Сквозной размер: DIN3202 Конец фланца: EN1092-1 Испытание и проверка: EN12266-1/2 Особенность конструкции -Полнопроходная конструкция -Превосходная скорость потока и небольшие потери на трение -Низкое значение крутящего момента для закрытия и открытия клапана -Гибкий клин для лучшей посадки и простоты эксплуатации -Гладкая поверхность и превосходное уплотнение лицевой поверхности седла -Каждый клапан имеет определенный номер на корпусе для отслеживания. Краткая информация Тип Ворота Клапан Размер DN 200 Давление ПН 16 Строительство Болтовой Крышка, выдвижной шток, внешний винт и вилка Связь Фланец Связь Операция Маховик Материал корпуса Нержавеющая сталь Сталь СФ8М Материал отделки Нержавеющая сталь Температурный диапазон -268°~+648° Середина Вода, нефть и газ Источник Китай Упаковка Дервос Упаковка — важная часть, которой мы никогда не могли пренебречь. У Dervos есть процесс упаковки каждого заказа, чтобы обеспечить безопасную и четкую доставку заказа.

Пять тысяч двести один
4-дюймовая задвижка 150 фунтов API603 из нержавеющей стали HW-OP OS&Y CF8M

Задвижка 4 дюйма, 150 фунтов, изготовлена ​​в соответствии с API. 603 стандарт. Корпус клапана изготовлен из ASTM A351 CF8M+STL. Он имеет конструктивные особенности крышки затвора, упругого клина и выдвижного стебля. Его испытания и проверки соответствуют API 598, и его режим работы — управление маховиком.

Пять тысяч двести один
Задвижка из нержавеющей стали DN200 PN40 EN1984 HW-OP BB RF OS&Y

Задвижка DN200 PN40 изготовлена ​​в соответствии с EN1984. стандарт. Корпус клапана изготовлен из стали 1.4571+STL. Он имеет структурную характеристики крышки затвора, упругого затвора, поднимающегося штока и кронштейна. Его связь режим EN1092-1/B. И он имеет режим работы маховика.

Пять тысяч двести один
Задвижка из нержавеющей стали DIN DN125 PN16 HW-OP BB RF

Задвижка DN125 PN16 изготовлена ​​по DIN. стандарт 3352. Корпус клапана изготовлен из стали 1.4408. Он имеет структурную характеристики крышки затвора, выдвижной шток, эластичный клин, из нержавеющей стали 316 изоляционная оболочка и конструктивная длина 325 мм. Его режим подключения RF EN1092-1 B1. И он имеет режим работы маховика.

Пять тысяч двести один
2-дюймовая шиберная задвижка из нержавеющей стали 150 фунтов RF CF3 API600 с маховиком

2-дюймовая задвижка 150 фунтов изготовлена ​​в соответствии с API. 600 стандарт. Корпус клапана изготовлен из A351 CF3. Он имеет структурную характеристики крышки затвора, кронштейна поднимающегося штока. Его режим подключения — RF. И у него есть режим работы с маховиком.

Пять тысяч двести один
Задвижка дуплексная нержавеющая сталь DN100 PN40 5A EN 1984

Дуплексный задвижной клапан из нержавеющей стали DN100 PN40 5A изготовлен в соответствии со стандартом EN 1984. Корпус клапана изготовлен из стали ASTM A995 5A+STL. Он имеет следующие конструктивные характеристики: полнопроходной, с крышкой на болтах, выдвижным штоком с бугелем и гибким клином. Тип соединения – EN1092-1 B1. Управление – маховик.

Пять тысяч двести один
Задвижка из нержавеющей стали EN1984 DN150 PN40 EN 1.4571

Задвижка DN150 PN40 из нержавеющей стали изготовлена в соответствии со стандартом EN 1984. Корпус задвижки выполнен из стали X6CrNiMoTi17-12-2. Стандарт EN 1.4571 (AISI 316Ti) широко используется в средне- и высокотемпературных условиях, где требуется устойчивость к межкристаллитной коррозии и умеренной хлоридной коррозии, особенно в сварных системах без последующей термообработки. Тип соединения – EN558. Имеется маховик. operation mode. Product Parameters Type Stainless Steel Gate Valve Size DN150 Pressure PN40 Connection EN 558 Operation Hand Wheel Body Material X6CrNiMoTi17-12-2 Design Norm EN 1984 Face to Face dimension EN 1092 End connection EN 558 Test & Inspection Code EN 12266-1,2 Temperature -29 ~ 425 °C Applicable Medium Water, Oil and Gas Features 1.EN 1.4571 stainless steel construction provides strong resistance to pitting and stress corrosion in aggressive media. 2.DN150 PN40 configuration designed to EN 1984 standard ensures stable operation and tight isolation in medium-pressure pipelines. Technical Drawing Dimension Checking Pressure Testing Spectrum Nameplate & Packing

Пять тысяч двести один
Задвижка из нержавеющей стали API 602 DN25 PN40 F316Ti EN1092-1 B1

Фланцевый задвижной клапан DN25 PN40 изготовлен в соответствии со стандартом API602. Корпус клапана изготовлен из стали A182-F316Ti. Способ соединения — EN1092-1 B1. Клапан оснащен маховиком. режим работы. Параметры продукта Тип Задвижка из нержавеющей стали Размер ДН25 Давление ПН40 Связь EN1092-1 B1 Операция Маховое колесо Материал тела A182-F316Ti Стандарт проектирования API 602 Размеры фланца EN 1092 Материал соответствует AISI/ASTM Кодекс испытаний и контроля EN 12266 Температура -29 ~ 120 °С Применимый носитель Вода, нефть и газ Функции 1. Корпус из нержавеющей стали F316Ti обеспечивает повышенную устойчивость к межкристаллитной коррозии и эксплуатации при высоких температурах. Задвижка 2.DN25 PN40, разработанная в соответствии со стандартом API 602 с фланцем EN1092-1 B1, обеспечивает стабильную работу и герметичную изоляцию в технологических трубопроводах. Технический чертеж Проверка размеров Испытание под давлением Спектр Отчет об инспекции

Пять тысяч двести один
Задвижка из нержавеющей стали DN100 PN16 RF DIN 3352 с рукояткой

Задвижка DN100 PN16 из нержавеющей стали изготовлена в соответствии со стандартом DIN 3352. Корпус задвижки выполнен из стали A351 CF8M+STL. Характеристики конструкции: болтовое крепление крышки, выдвижной шток, гибкий клин, межосевые расстояния соответствуют стандарту DIN 3202-F4. Способ соединения – RF. Имеется рукоятка. режим работы. Параметры продукта Тип Задвижка из нержавеющей стали Размер ДН100 Давление PN16 Связь РЧ Операция Ручка Материал тела A351 CF8M+STL Стандарт проектирования DIN 3350 Лицом к лицу DIN 3202-F4 Размеры фланца EN 1092-1 Кодекс испытаний и контроля EN 12266 Температура - 29 ~ 425 °С Применимый носитель Вода, нефть и газ Функции 1. Конструкция задвижки из нержавеющей стали с выдвижным штоком обеспечивает точное регулирование потока и герметичное перекрытие потока. 2. Номинальный ток PN16, радиочастотный фланец, соответствие стандарту DIN 3352, управление осуществляется с помощью рукоятки для удобного ручного контроля. Технический чертеж Проверка размеров Испытание под давлением Рисование Табличка и упаковка Отчет об инспекции

Пять тысяч двести один
Задвижка из нержавеющей стали EN1984 DN150 PN40 EN 1.4571

Задвижка DN150 PN40 из нержавеющей стали изготовлена в соответствии со стандартом EN 1984. Корпус задвижки выполнен из стали X6CrNiMoTi17-12-2. Стандарт EN 1.4571 (AISI 316Ti) широко используется в средне- и высокотемпературных условиях, где требуется устойчивость к межкристаллитной коррозии и умеренной хлоридной коррозии, особенно в сварных системах без последующей термообработки. Тип соединения – EN558. Имеется маховик. operation mode. Product Parameters Type Stainless Steel Gate Valve Size DN150 Pressure PN40 Connection EN 558 Operation Hand Wheel Body Material X6CrNiMoTi17-12-2 Design Norm EN 1984 Face to Face dimension EN 1092 End connection EN 558 Test & Inspection Code EN 12266-1,2 Temperature -29 ~ 425 °C Applicable Medium Water, Oil and Gas Features 1.EN 1.4571 stainless steel construction provides strong resistance to pitting and stress corrosion in aggressive media. 2.DN150 PN40 configuration designed to EN 1984 standard ensures stable operation and tight isolation in medium-pressure pipelines. Technical Drawing Dimension Checking Pressure Testing Spectrum Nameplate & Packing

поршневой обратный клапан
чугунный обратный клапан подъема поршня gs-c25 pn16 рф фланец

Обратный обратный клапан лифта из литой стали оснащен диском поршневого типа, болтовой крышкой и фланцем pn16. подпружиненный обратный клапан соответствует DIN 3356. быстрая деталь тип чек об оплате   клапан (обратный клапан) номинальный диаметр дп   150 nominalpressure пн 16 строительство лифт   тип / тип поршня, крышка на болтах соединение отбортованный   соединение дизайн & amp; производство шум   3356 концы с концами ан   558 соединение ан   1092 тест & amp;   осмотр ан   12266 материал корпуса углерод   сталь GS c25 СМИ w.o.g. ассортимент продукцииМатериал корпуса: CS, SS, легированная сталь, CI, бронза, латуньдиапазон размеров: 2 ”~ 12” (dn50 ~ dn300)Тип конца: стыковая сварка, раструбная сварка, фланцевая, навинчиваемаядиапазон давления: 150 фунтов ~ 2500 фунтов (pn16 ~ pn420)температурный диапазон: -46 ℃ ~ + 425 ℃ связанные знаниячто такое поршневой обратный клапан? как правило, у нас есть обратный клапан поворотного типа и обратный клапан подъемного типа. поршневой обратный клапан и шаровой обратный клапан принадлежат к обратному клапану подъемного типа. во многих случаях поршневой обратный клапан использует пружину для удержания диска в закрытом положении. конструкция поршневого обратного клапана очень похожа на шаровой клапан только без ручного управления. Благодаря поршневому типу диска и превосходной герметичности поршневые обратные клапаны подходят для небольших размеров и условий высокого давления.

заглушка без смазки
не смазываемый втулочный клапан 6 дюймов

6-дюймовый клапан с заглушкой в ​​несмазываемой конструкции и мягким седлом. Полнопроходной плунжерный клапан изготовлен из корпуса из углеродистой стали и седла ptfe согласно API 6d, с фланцевым соединением класса 150. быстрая деталь тип штепсель   клапан размер 6 '' Расчетное давление 150lb строительство самосмазывающихся   тип, с рукавом, мягкое сиденье тип соединения ВЧ   фланец операция коробка передач   операция код проекта API 599 лицом к лицу как я   B16.10 конец соединения как я   B16.5 давление & amp;   температура как я   B16.34 тест & amp;   осмотр апи   598 материал корпуса A216   WCB диапазон температур -29 ℃ ~ 425 ℃ применение вода,   нефтяной газ материал & amp; измерение нет Наименование углерод   стали астме нержавеющий   стали астме WCB LCB CF8 CF8M cf3 CF3M 1 тело A216 WCB a350 lcb a351 cf8 a351 cf8m a351 cf3 a351 cf3m 2 капот A216 WCB a350 lcb a351 cf8 a351 cf8m a351 cf3 a351 cf3m 3 штепсель A105 A182 F304 a351 cf8 a351 cf8m a351 cf3 a351 cf3m 4 стебель а182 ф6 а182 ф6 A182 F304 a182 f316 а182 ф304л a182 f316l 5 кольцо сиденья птфэ 6 прокладка ПТФЭ или нержавеющая сталь и графит 7 седло птфэ птфэ птфэ птфэ птфэ птфэ 8 маленькая весна 17-17ph 9 небольшой мяч a182 f304 или a182 f316 10 железа а182 ф6 а182 ф6 A182 F304 a182 f316 а182 ф304л a182 f316l 11 фланец сальника A216 WCB a350 lcb a351 cf8 a351 cf8m a351 cf3 a351 cf3m 12 набивка стволов ПТФЭ или графит 13 болт капота a193 b7 или a320 l7 или a320   b8 или a193 b8m 14 гайка капота а194 2ч или а194 4 или а194 8 класс 150 дп мм 15 20 25 40 50 65 80 100 150 200 250 300 аэс в 1/2 3/4 1 1 1/2 2 2 1/2 3 4 6 8 10 12 л (РЧ) мм 108 117 127 165 178 191 203 229 394 457 533 610 в 4,25 4,6 5 6,5 7 7,5 8 9 15,5 18 21 24 l1 (мт) мм 140 152 165 190 216 241 283 305 457 521 559 635 в 5,5 6 6,5 7,48 8,5 9,5 11,13 12 18 +20,5 22 25 l2 (RTJ) мм 119 129,7 139,7 178 191 203 216 241 406 470 546 622 в 4,69 5,11 5,5 6,9 7,5 8 8,5 905 16 18,5 +21,5 +24,5 час мм 59 63 75 92 153 165 195 213 272 342 495 580 в 2,3 2.5 2,95 3,74 6,02 6,5 7,68 8,39 10,7 13,5 +19,5 22,85 д (ж) мм 130 130 160 230 400 400 600 850 1100 1500 350 * 350 * в 5,1 5,1 6,3 9 15,74 15,74 23,62 33,46 43,3 59 13,8 13,8 Вес (кг) ВЧ 2,3 3 4.5 7 15 20 25 40 97 160 240 390 м.т. 2,0 2.5 3,8 5,8 12 17 21 36 92,8 154 227 365

оставьте сообщение

    Если вы заинтересованы в наших продуктах и хотите знать больше деталей,пожалуйста, оставьте здесь сообщение,мы ответим вам как только мы можем.

Главная

Продукция

около

контакт