русский

русский

Get a Quote
Продукция

Горячие продукты

новости компании

Глухой клапан
Глухой клапан
2026-02-11

В промышленных клапанных системах высококачественный глухой клапан Обеспечивает безопасную и эффективную работу оборудования. Подходит для газопроводов в металлургической, химической, нефтеперерабатывающей и коммунальной отраслях, являясь эффективным устройством для надежной изоляции газа. Принцип работы и особенности Клапан с глухой заслонкой состоит из левого, центрального и правого корпусов клапана, самой заслонки, валов, компенсатора и двух приводных устройств (для зажима и перемещения соответственно). В зажимном механизме используется приводной узел для управления системой рычагов, позволяющей трем ходовым винтам работать синхронно и прижимать корпуса клапанов к пластине клапана для обеспечения герметизации. Такая конструкция обеспечивает хорошую синхронизацию и равномерное распределение усилия герметизации. Вдоль внешнего нижнего края клапанной пластины установлены позиционирующие ролики для повышения надежности уплотнения и обеспечения общей стабильности и точности герметизации во время работы, что продлевает срок службы клапана. клапан . Последовательность работы клапана Приводной механизм зажима приводит в действие кривошипно-рычажный механизм, заставляя ходовые винты синхронно вращаться и отводить центральный корпус от уплотнительных поверхностей (состояние разъединения). Направляющие колеса, установленные на центральном корпусе, перемещаются в поперечном направлении и одновременно приводят в движение клапанную пластину. Когда корпуса клапанов полностью открыты, клапанная пластина располагается между уплотнительными поверхностями левого и правого корпусов, и уплотнител

Различия между шаровыми кранами с широким корпусом и цельными шаровыми кранами
Различия между шаровыми кранами с широким корпусом и цельными шаровыми кранами
2026-02-06

Ширококорпусные шаровые краны и цельнолитые шаровые краны — это два типа шаровых кранов, используемых для регулирования потока среды в трубопроводах. Как шаровые краны с широким корпусом, так и цельнокорпусные шаровые краны имеют цельную (интегральную) конструкцию корпуса, в отличие от конструкций с разъемным корпусом. Это отличает их от двух- и трехсекционных шаровых кранов, корпуса которых состоят из сегментов. Для шаровых кранов с широким корпусом и внутренней резьбой корпус изготавливается из круглого или шестигранного прутка, либо из кованого материала. Шаровой сердечник имеет уменьшенный диаметр и вставляется с одной стороны. клапан Корпус. Шток имеет внутреннюю противовыбросовую конструкцию. На входной и выходной сторонах корпуса обработаны плоские поверхности для облегчения сборки шарового клапана и возможности использования гаечных ключей при монтаже трубопровода. В широкофюзеляжном варианте шаровой клапан В таких клапанах сальниковое уплотнение штока относительно неглубокое, а внутренний объем наполнителя ограничен, что приводит к умеренной герметичности штока. Поэтому эти клапаны больше подходят для работы со средами низкого давления. В отличие от них, двух- и трехсекционные шаровые клапаны имеют сальниковую конструкцию штока, обеспечивающую надежное уплотнение в условиях работы со средами высокого давления. Конструкция фланцевых шаровых кранов с широким корпусом в основном такая же, как и у шаровых кранов с широким корпусом и внутренней резьбой. Как правило, фланец соединяется с промежуточным корпусом клапана с помощью резьбовых крепежных элементов, хотя в некоторых конструкциях используется цельнокованая конструкция. Ширококорпусные шаровые краны с наружной резьбой могут использовать конструкцию типа "муфта", где муфта приваривается непосредственно к трубопроводу и соединяется с наружной резьбой на корпусе крана. Такая конструкция обеспечивает легкую разборку и сборку во время технического обслуживания или замены крана без необходимости использования отдельных муфт на трубопроводе. Корпуса цельнолитых шаровых клапанов с внутренней резьбой и цельнолитых фланцевых шаровых клапанов изготавливаются методом литья, при этом шаровой сердечник имеет уменьшенный диаметр. Шток имеет внутреннюю противовыбросовую конструкцию. Входной и выходной концы цельнолитых шаровых клапанов с внутренней резьбой имеют шестигранную форму, аналогичную форме обычных клапанов с внутренней резьбой, что облегчает работу с гаечным ключом и обеспечивает надежную установку. В шаровых клапанах с цельным фланцем фланец и корпус клапана отливаются как единое целое, что исключает необходимость механической обработки и сборки фланца отдельно, как в шаровых клапанах с широким корпусом. Такой подход снижает затраты и упрощает производственный процесс. Цельнолитые шаровые краны пластинчатого типа имеют меньшую длину корпуса, что делает их более подходящими для трубопроводов с ограниченным пространством. Как в шаровых кранах с широким корпусом, так и в цельнолитых шаровых кра...

Конструкция клинового задвижного клапана и принцип его герметизации
Конструкция клинового задвижного клапана и принцип его герметизации
2026-01-30

В клиновом задвижном клапане уплотнительные поверхности затвора имеют клиновидную форму, образуя определенный угол относительно центральной оси затвора. Затвор приводится в действие штоком клапана для закрытия. По мере увеличения усилия штока возрастает и нормальная сила, действующая на клиновидные уплотнительные поверхности, создавая эффект принудительного уплотнения. Такая конструкция значительно улучшает герметичность в условиях низкого давления. При открытии уплотнительные поверхности затвора мгновенно отсоединяются от седла, что помогает уменьшить износ уплотнительных поверхностей и продлить срок службы клапана. Применимые стандарты для Клиновые задвижки Клиновые задвижки обычно изготавливаются в соответствии со следующими стандартами: ● GB/T 12234-2019 – Стальные задвижки с болтовым креплением крышки для нефтегазовой промышленности ● GB/T 12232-2005 – Задвижки общего назначения из чугуна с фланцами ● Стандарт API 600 (2015) – Сталь задвижка для нефтяной и газовой промышленности Типы клиновых задвижек Задвижки клинового типа обычно выпускаются в трех вариантах исполнения: сплошная клиновая задвижка, гибкая клиновая задвижка и двойная клиновая задвижка. Гибкий клиновой затвор и двойной клиновой затвор основаны на контролируемой деформации уплотнительных поверхностей для достижения улучшенного контакта с седлом клапана. Такая конструкция повышает надежность уплотнения и эффективно предотвращает заедание или заклинивание затвора, вызванное колебаниями температуры, обеспечивая бесперебойную работу даже в условиях колеблющихся температур. Конструкция и принцип герметизации параллельного задвижного клапана В задвижке с параллельными заслонками уплотнительные поверхности на входном и выходном концах заслонки параллельны центральной оси заслонки. В однозадвижных конфигурациях герметизация в основном достигается за счет перемещения плавающей заслонки или плавающего седла в нужное положение рабочей средой. В двухзадвижных конфигурациях герметизация может осуществляться с помощью пружин или компенсационного механизма между заслонками. На протяжении всего процесса открытия и закрытия уплотнительные поверхности заслонки и седла остаются в постоянном контакте, обеспечивая надежную герметизацию. Применимые стандарты для параллельных задвижек К общим стандартам для параллельных задвижек относятся: ● GB/T 23300-2009 – Параллельные задвижки ● JB/T 5298-2016 – Стальные параллельные задвижки для трубопроводов ● API 6D – Трубопроводные клапаны для нефтегазовой промышленности Типы и характеристики параллельных задвижек Параллельные задвижки выпускаются в однозатворном и двухзатворном исполнении. ● Задвижки могут иметь сквозные отверстия или быть сплошными. Задвижки со сквозными отверстиями соответствуют внутреннему диаметру седла, что облегчает очистку и дренаж трубопровода. ● В зависимости от требований применения, уплотнение может быть выполнено на входном, выходном или на обоих концах. Данная конструкция обеспечивает гибкость в выборе способов герметизации, со...

Пять тысяч двести один
加载中...

Задвижка из нержавеющей стали API 602 DN25 PN40 F316Ti EN1092-1 B1

  • Оплата:

    30% when order confirmed, 70% before shipment
  • происхождение продукта:

    china
  • Цвет:

    Customization
  • порт доставки:

    Shanghai, China
  • Время упреждения:

    30~60 days Ex Works after order confirmation
  • Material:

    A182-F316Ti
  • Method of Operation:

    Hand Wheel
запрос сейчас
Деталь продукта

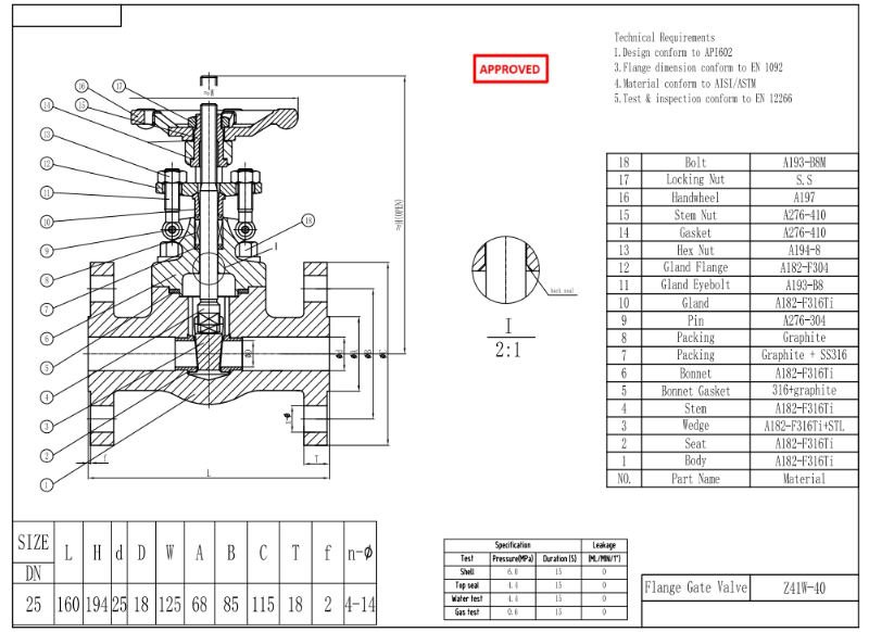
Фланцевый задвижной клапан DN25 PN40 изготовлен в соответствии со стандартом API602. Корпус клапана изготовлен из стали A182-F316Ti. Способ соединения — EN1092-1 B1. Клапан оснащен маховиком. режим работы.

Параметры продукта

Тип

Задвижка из нержавеющей стали

Размер

ДН25

Давление

ПН40

Связь

EN1092-1 B1

Операция

Маховое колесо

Материал тела

A182-F316Ti

Стандарт проектирования

API 602

Размеры фланца

EN 1092

Материал соответствует

AISI/ASTM

Кодекс испытаний и контроля

EN 12266

Температура

-29 ~ 120 °С

Применимый носитель

Вода, нефть и газ

Функции

1. Корпус из нержавеющей стали F316Ti обеспечивает повышенную устойчивость к межкристаллитной коррозии и эксплуатации при высоких температурах.

Задвижка 2.DN25 PN40, разработанная в соответствии со стандартом API 602 с фланцем EN1092-1 B1, обеспечивает стабильную работу и герметичную изоляцию в технологических трубопроводах.

Технический чертеж

Stainless Steel Gate Valve

Проверка размеров

Stainless Steel Gate Valve

Испытание под давлением

Stainless Steel Gate Valve

Спектр

Stainless Steel Gate Valve

Отчет об инспекции

Stainless Steel Gate Valve Stainless Steel Gate Valve Stainless Steel Gate Valve Stainless Steel Gate Valve

Оставить Сообщение

Если вы заинтересованы в наших продуктах и хотите знать больше деталей,пожалуйста, оставьте здесь сообщение,мы ответим вам как только мы можем.

сопутствующие товары
Фланцевая задвижка из нержавеющей стали
Задвижка из нержавеющей стали DIN 3352 PN16 OS&Y

Задвижка CF8M из нержавеющей стали спроектирована с фланцевым соединением и управлением с помощью маховика в соответствии с DIN 3352. Полнопроходная задвижка PN16 DN200 имеет конструкцию OS&Y, упругий клин и сменное седло. Характеристики конструкции Проектирование и производство: DIN 3352 Сквозной размер: DIN3202 Конец фланца: EN1092-1 Испытание и проверка: EN12266-1/2 Особенность конструкции -Полнопроходная конструкция -Превосходная скорость потока и небольшие потери на трение -Низкое значение крутящего момента для закрытия и открытия клапана -Гибкий клин для лучшей посадки и простоты эксплуатации -Гладкая поверхность и превосходное уплотнение лицевой поверхности седла -Каждый клапан имеет определенный номер на корпусе для отслеживания. Краткая информация Тип Ворота Клапан Размер DN 200 Давление ПН 16 Строительство Болтовой Крышка, выдвижной шток, внешний винт и вилка Связь Фланец Связь Операция Маховик Материал корпуса Нержавеющая сталь Сталь СФ8М Материал отделки Нержавеющая сталь Температурный диапазон -268°~+648° Середина Вода, нефть и газ Источник Китай Упаковка Дервос Упаковка — важная часть, которой мы никогда не могли пренебречь. У Dervos есть процесс упаковки каждого заказа, чтобы обеспечить безопасную и четкую доставку заказа.

Пять тысяч двести один
4-дюймовая задвижка 150 фунтов API603 из нержавеющей стали HW-OP OS&Y CF8M

Задвижка 4 дюйма, 150 фунтов, изготовлена ​​в соответствии с API. 603 стандарт. Корпус клапана изготовлен из ASTM A351 CF8M+STL. Он имеет конструктивные особенности крышки затвора, упругого клина и выдвижного стебля. Его испытания и проверки соответствуют API 598, и его режим работы — управление маховиком.

Пять тысяч двести один
Задвижка из нержавеющей стали DN200 PN40 EN1984 HW-OP BB RF OS&Y

Задвижка DN200 PN40 изготовлена ​​в соответствии с EN1984. стандарт. Корпус клапана изготовлен из стали 1.4571+STL. Он имеет структурную характеристики крышки затвора, упругого затвора, поднимающегося штока и кронштейна. Его связь режим EN1092-1/B. И он имеет режим работы маховика.

Пять тысяч двести один
Задвижка из нержавеющей стали DIN DN125 PN16 HW-OP BB RF

Задвижка DN125 PN16 изготовлена ​​по DIN. стандарт 3352. Корпус клапана изготовлен из стали 1.4408. Он имеет структурную характеристики крышки затвора, выдвижной шток, эластичный клин, из нержавеющей стали 316 изоляционная оболочка и конструктивная длина 325 мм. Его режим подключения RF EN1092-1 B1. И он имеет режим работы маховика.

Пять тысяч двести один
2-дюймовая шиберная задвижка из нержавеющей стали 150 фунтов RF CF3 API600 с маховиком

2-дюймовая задвижка 150 фунтов изготовлена ​​в соответствии с API. 600 стандарт. Корпус клапана изготовлен из A351 CF3. Он имеет структурную характеристики крышки затвора, кронштейна поднимающегося штока. Его режим подключения — RF. И у него есть режим работы с маховиком.

Пять тысяч двести один
Задвижка дуплексная нержавеющая сталь DN100 PN40 5A EN 1984

Дуплексный задвижной клапан из нержавеющей стали DN100 PN40 5A изготовлен в соответствии со стандартом EN 1984. Корпус клапана изготовлен из стали ASTM A995 5A+STL. Он имеет следующие конструктивные характеристики: полнопроходной, с крышкой на болтах, выдвижным штоком с бугелем и гибким клином. Тип соединения – EN1092-1 B1. Управление – маховик.

Пять тысяч двести один
Задвижка из нержавеющей стали DN100 PN40 EN 1.4571 EN1984

Задвижка DN100 PN40 из нержавеющей стали изготовлена в соответствии со стандартом EN 1984. Корпус задвижки выполнен из стали X6CrNiMoTi17-12-2. Стандарт EN 1.4571 (AISI 316Ti) широко используется в средне- и высокотемпературных условиях, где требуется устойчивость к межкристаллитной коррозии и умеренной хлоридной коррозии, особенно в сварных системах без последующей термообработки. Тип соединения – EN558. Имеется маховик. operation mode. Product Parameters Type Stainless Steel Gate Valve Size DN100 Pressure PN40 Connection EN 558 Operation Hand Wheel Body Material X6CrNiMoTi17-12-2 Design Norm EN 1984 Face to Face dimension EN 1092 End connection EN 558 Test & Inspection Code EN 12266-1,2 Temperature -29 ~ 425°C Applicable Medium Water, Oil and Gas Features 1.Made from EN 1.4571 stainless steel, offering excellent corrosion resistance and high-temperature stability for PN40 pressure applications. 2.Gate valve design compliant with EN 1984 ensures reliable shutoff and long service life in industrial piping systems. Technical Drawing Dimension Checking Pressure Testing Spectrum Nameplate & Packing

Пять тысяч двести один
Задвижка из нержавеющей стали EN1984 DN150 PN40 EN 1.4571

Задвижка DN150 PN40 из нержавеющей стали изготовлена в соответствии со стандартом EN 1984. Корпус задвижки выполнен из стали X6CrNiMoTi17-12-2. Стандарт EN 1.4571 (AISI 316Ti) широко используется в средне- и высокотемпературных условиях, где требуется устойчивость к межкристаллитной коррозии и умеренной хлоридной коррозии, особенно в сварных системах без последующей термообработки. Тип соединения – EN558. Имеется маховик. operation mode. Product Parameters Type Stainless Steel Gate Valve Size DN150 Pressure PN40 Connection EN 558 Operation Hand Wheel Body Material X6CrNiMoTi17-12-2 Design Norm EN 1984 Face to Face dimension EN 1092 End connection EN 558 Test & Inspection Code EN 12266-1,2 Temperature -29 ~ 425 °C Applicable Medium Water, Oil and Gas Features 1.EN 1.4571 stainless steel construction provides strong resistance to pitting and stress corrosion in aggressive media. 2.DN150 PN40 configuration designed to EN 1984 standard ensures stable operation and tight isolation in medium-pressure pipelines. Technical Drawing Dimension Checking Pressure Testing Spectrum Nameplate & Packing

Пять тысяч двести один
Радиочастотное соединение, 2-дюймовый переключающий клапан 300 фунтов, корпус WCB, маховик, ASME B16.34

Изготовлен переключающий клапан 2 дюйма, 300 фунтов. согласно стандарту ASME B16.34. Корпус клапана изготовлен из ASTM A216 WCB. Это имеет структурные характеристики крышки заглушки, общий внутренний материал это F316L. Его режим подключения — RF. И у него есть режим работы с маховиком.

шаровой кран
3 / 4 дюйма Ansi Класс 150 Плавающий шаровой клапан Нержавеющая сталь

сделано как на API6D, два ПК плавающий шаровой клапан, 3 / 4 дюйма и 150 фунтов, имеет разные ends.find Ваш плавающий шаровой клапан или другие клапаны легко в dervos.

Обратный клапан с наклонным диском
10-дюймовый обратный клапан с наклонным диском, 150 фунтов WCB Wafer API6D

Обратный клапан с наклонным диском 10 дюймов, 150 фунтов изготовлен в соответствии со стандартом API 6D. Корпус клапана изготовлен из A216 WCB + SS316. Он имеет структурные характеристики типа наклонной пластины. Режим подключения - межфланцевый.

фланцевый клапан jis фланцевый
Морской бронзовый шаровой клапан DN32 5K FF фланцевый

Клапан dn32 jis 5k подходит для морского применения. бронзовый шаровой клапан с маховиком и фланцем. быстрая деталь тип морской   шаровой вентиль размер дп   32 Расчетное давление 5k тип соединения Ф.Ф.   фланец код проекта JIS   f7301 лицом к лицу JIS   b2002 материал корпуса бронза отделочный материал бронза применение вода,   нефтяной газ система закупок поздние сроки поставки стали обычной проблемой в 2018 году. однако дерво удерживают более 90% своевременных поставок, так как же нам этого добиться? он владеет нашим отделом закупок. Как мы реагируем на кризис задержки? -Посещай фабрику каждый день и курируй на месте - инициировать связанные ресурсы, такие как механические мастерские и квалифицированные рабочие, чтобы помочь в ускорении производства какие преимущества мы можем сделать для вас, сохраняя своевременную доставку? избежать наказания от конечного пользователя накопить репутацию завоевать доверие клиента Часто задаваемые вопросы 1. у вас есть свой литейный или кузнечный цех? нет, но у нас есть утвержденный список литейных заводов за последнее десятилетие проверок отливок, который может гарантировать, что наши отливки имеют хорошее качество и все сырье отслеживаются. 2. Можете ли вы сделать рентгенографию NDE, MT, UT, LP? Конечно, мы можем проводить все эти тесты на наших клиентах, но за эти тесты будет взиматься дополнительная плата. 3. какой тест вы будете делать для каждого заказа? после сборки клапана мы проведем гидравлическое испытание корпуса & amp; герметизация и воздушные испытания. Кроме того, мы сделаем проверку размеров (размер лицом к лицу, размер фланца) согласно сборочному чертежу и стандартам.

оставьте сообщение

    Если вы заинтересованы в наших продуктах и хотите знать больше деталей,пожалуйста, оставьте здесь сообщение,мы ответим вам как только мы можем.

Главная

Продукция

около

контакт