русский

русский

Get a Quote
Продукция

Горячие продукты

новости компании

Лучшие угловые шаровые клапаны для точного регулирования потока в фармацевтическом производстве.
Лучшие угловые шаровые клапаны для точного регулирования потока в фармацевтическом производстве.
2026-05-22

Введение Точный контроль параметров среды имеет решающее значение в фармацевтическом производстве, особенно в системах очищенной воды, линиях чистого пара, процессах CIP/SIP и дозировании, где нестабильность потока может повлиять на стабильность партии и результаты валидации. В таких условиях выбор оптимальных угловых шаровых клапанов для точного регулирования потока в фармацевтическом производстве — это не только вопрос точности дросселирования, но и соответствия материалам, возможности очистки и надежности герметизации в течение длительного времени. В отличие от стандартных прямоходных шаровых запорных клапанов, угловые шаровые клапаны уменьшают количество поворотов трубопровода, объединяя изменение направления и регулирование потока в одном корпусе. Такая конфигурация часто используется в фармацевтических системах, монтируемых на раме, где требуются компактные размеры и возможность дренажа. Обзор углового шарового клапана Ан угловой шаровой клапан Клапан работает с 90-градусной конфигурацией корпуса, что позволяет рабочей среде изменять направление при прохождении через область седла клапана. Движение затвора клапана обеспечивает точное регулирование потока, что делает его подходящим для регулировки малых расходов и стабильного снижения давления. На фармацевтических заводах угловые шаровые клапаны часто устанавливаются в следующих местах: ● Циркуляционные контуры WFI (воды для инъекций) ● Системы распределения чистого пара ● Возвратные линии CIP ● Биотехнологические установки ● Стерильные системы дозирования химических веществ Для санитарных целей предпочтительны кованые корпуса из нержавеющей стали, такие как ASTM A182 F316L или CF3M, благодаря их коррозионной стойкости и низкому содержанию феррита. Для минимизации скопления бактерий часто используются электрополированные внутренние поверхности и покрытия с низким шероховатостью Ra. В случаях, когда требуется герметичность, для проектирования клапанов и определения их рабочих давлений и температур обычно используются стандарты, такие как API 602 Американского института нефти и ASME B16.34. Основные моменты, которые следует учитывать при выборе угловых шаровых клапанов для фармацевтической промышленности. Класс давления и условия системы Большинство фармацевтических вспомогательных систем работают в диапазонах давления 150 или 300 класса, хотя для систем подачи чистого пара высокого давления могут потребоваться клапаны класса 600. При выборе класса давления следует учитывать следующие факторы: ● рабочее давление ● условия циклической подачи пара ● термический шок во время процедур SIP ● усилие отключения привода Недостаточное номинальное давление может привести к деформации седла и протечке штока после многократных термических циклов. Термостойкость В системах паровой стерилизации температура во время работы может превышать 180°C. Стандартные мягкие сиденья из ПТФЭ могут деформироваться при длительном воздействии, особенно в условиях регулирования потока воздуха. При повышенных температурах ин...

Ошибки при установке заглушек для трубопроводов, которых следует избегать,
Ошибки при установке заглушек для трубопроводов, которых следует избегать,
2026-05-15

А Заглушка трубопровода (также называемое устройством изоляции типа «лопатка/глухая пластина») — это механическое устройство, используемое для достижения позитивная изоляция В трубопроводных системах. Широко применяется в нефтегазовой, нефтехимической, нефтеперерабатывающей и ремонтно-изоляционной отраслях. Его основная функция заключается не в регулировании потока, а в обеспечении... нулевой проход жидкости в условиях технического обслуживания . Однако неправильная установка или эксплуатация могут привести к утечкам, нарушению герметичности, деформации фланца и даже к угрозе безопасности. В следующих разделах, исходя из инженерной логики, обобщены распространенные ошибки при монтаже, а также их последствия. 1. Несоблюдение требования о полном снижении давления перед установкой. Если в трубопроводе сохраняется остаточное давление, установка или замена заглушки может привести к механическому воздействию или повреждению уплотнительных поверхностей. Если срабатывание заглушки трубопровода выполняется без полного сброса давления, это может привести к следующим последствиям: ● Образование царапин или деформация уплотнительных поверхностей. ● Аномально высокий рабочий крутящий момент ● Неполная установка глухой пластины. ● В крайних случаях существует риск утечки жидкости. Таким образом, стандартная процедура требует: полного сброса давления, полного удаления остаточных сред и подтверждения нулевого давления перед началом операции изоляции. 2. Установка заглушки трубопровода при неправильном выравнивании фланца. Системы заглушек трубопроводов зависят от точного выравнивания фланцев. При наличии смещения или эксцентриситета фланца: ● Неравномерная нагрузка на глухую пластину ● Локализованная концентрация напряжений в герметизации ● Постоянные пути утечки после эксплуатации ● Заедание или блокировка рабочего механизма При наличии значительного смещения заглушку трубопровода не следует устанавливать с усилием. Сначала необходимо исправить опоры трубопровода или нарушения соосности. 3. Пренебрежение чистотой герметизирующей поверхности. Герметичность запорных клапанов обычно обеспечивается за счет герметизации «металл к металлу» или использования мягких уплотнительных конструкций. Если уплотнительные поверхности содержат: ● Сварочный шлак ● Ржавчина ● Мусор или частицы ● Остаточный материал прокладки В этом случае эффективная герметизация не будет достигнута даже при приложении расчетного крутящего момента. С инженерной точки зрения: если уплотнительная поверхность не чистая, микропротечки неизбежны. 4. Неправильная ориентация глухой пластины. Для некоторых конструкций заглушек трубопроводов существуют особые требования к направлению потока или ориентации при установке. При неправильной установке: ● Неполная установка глухой пластины. ● Неправильное направление нагрузки при герметизации. ● Недостаточный ход привода ● Сбой механической блокировки При монтаже необходимо строго следовать маркировке производителя (стрелке направления потока или ориентации конс...

Скользящий запорный клапан DVS обеспечивает нулевую утечку и надежную изоляцию для южноафриканского нефтяного клиента в трубопроводах различного типа.
Скользящий запорный клапан DVS обеспечивает нулевую утечку и надежную изоляцию для южноафриканского нефтяного клиента в трубопроводах различного типа.
2026-05-09

Крупный южноафриканский нефтяной клиент развернул скользящий заглушечный клапан DVS В многокомпонентной трубопроводной системе, требующей частого переключения между нефтепродуктами, природным газом и химическими растворителями. С момента установки система демонстрирует стабильную работу без утечек. Работа клапана в режиме онлайн под давлением полностью исключает необходимость остановки и сброса давления, значительно повышая безопасность технического обслуживания на месте. Проблема, с которой столкнулся клиент: нарушение герметичности и недостаточная изоляция при частом переключении между различными средами. Клиент — крупная компания по переработке и хранению нефти в Южной Африке. В их трубопроводной сети часто происходит переключение между различными средами, включая нефтепродукты, природный газ и химические растворители. Из-за существенных различий в характеристиках сред система предъявляет чрезвычайно высокие требования к герметичности клапанов, коррозионной стойкости и безопасности эксплуатации. При использовании обычных задвижка В связи с производством шаровых и других аналогичных изделий, в долгосрочной перспективе клиент столкнулся со следующими критическими эксплуатационными проблемами: Тип проблемы Характеристики обычных задвижек/шаровых клапанов Фактическое влияние на операционную деятельность Нарушение герметичности и внутренняя утечка Уплотнения со временем изнашиваются и не могут гарантировать полное отсутствие протечек. Утечка информации в СМИ создает серьезные риски для безопасности и окружающей среды. Для проведения технического обслуживания требуется остановка и сброс давления. Перед проведением технического обслуживания трубопроводы необходимо полностью сбросить давление. Длительные простои и значительные производственные потери Неспособность достичь истинной позитивной изоляции Изоляция зависит от герметизирующих компонентов с ограниченной надежностью. Риск перекрестного загрязнения при смене среды. Клиент специально запросил клапанное решение, которое могло бы: ● Работают без использования уплотнений ● Поддержка работы в условиях повышенного давления ● Предоставить абсолютная физическая изоляция Решение DVS с раздвижными запорными клапанами: физическая изоляция + управление в режиме реального времени + нулевая утечка В скользящем запорном клапане DVS для физического перекрытия прохождения рабочей среды используется сплошная заглушка. Такая конструкция принципиально исключает риски, связанные с традиционными клапанами, работающими за счет уплотнения. Следующие четыре технических преимущества сыграли ключевую роль в решении эксплуатационных задач заказчика: Абсолютная физическая изоляция с нулевой утечкой Сплошная заглушка напрямую блокирует поток рабочей среды, исключая проблемы старения и выхода из строя уплотнения. Это обеспечивает абсолютную герметичность при любых условиях эксплуатации. Работа сети в условиях повышенной нагрузки без остановки Клапан может переключаться между открытым и закрытым положениями, сохраняя при этом...

Заглушка из нержавеющей стали
加载中...

Заглушка из нержавеющей стали, 8 дюймов, класс 150 CF8/CF8M, ASME B16.34 Dervos

  • Оплата:

    30% when order confirmed, 70% before shipment
  • происхождение продукта:

    china
  • Цвет:

    Customization
  • порт доставки:

    Shanghai, China
  • Время упреждения:

    30~60 days Ex Works after order confirmation
  • Material:

    ASTM A351 CF8 / CF8M (Stainless Steel)
  • Method of Operation:

    Handwheel
запрос сейчас
Деталь продукта

Этот 8-дюймовый заглушка для трубопровода из нержавеющей стали класса 150. предназначен для обеспечения абсолютная положительная изоляция Предназначен для трубопроводов, по которым протекают коррозионные, химические или морские среды. В отличие от клапанов из углеродистой стали, которые могут быть подвержены ржавчине и химическому воздействию, этот клапан изготовлен из нержавеющая сталь ASTM A351 CF8/CF8M , обеспечивая превосходную коррозионную стойкость и долговременную надежность в агрессивных средах.

Он механизм жалюзи раздвижного или поворотного типа (в зависимости от модели) создает прочный физический барьер, обеспечивая нулевая утечка Во время технического обслуживания, не полагаясь на изнашивающиеся или подверженные износу сиденья. Такая конструкция позволяет операторам переключаться между режимами подачи и закрытия заслонки. без сброса давления в трубопроводе значительно сокращая время простоя и повышая безопасность.

Полностью соответствует требованиям ASME B16.34 и протестировано на API 598 Этот клапан имеет следующие характеристики: ВЧ-фланцы согласно ASME B16.5 Доступен с ручным приводом, редукторным приводом или пневматическим/электрическим приводом. Это идеальный выбор для химические заводы, морские платформы, водоочистные сооружения и любые трубопроводные системы, где коррозионная стойкость имеет решающее значение. .

Параметры продукта

Параметр

Спецификация

Тип

Запорный клапан (раздвижного/поворотного типа)

Размер

8″ (DN200)

Давление

Класс 150 (PN20)

Связь

Фланец RF, ASME B16.5

Операция

Маховик / Шестерня / Дополнительный привод

Материал тела

ASTM A351 CF8 / CF8M (нержавеющая сталь)

Очковая тарелка

Нержавеющая сталь (CF8 / 316)

Тюлени

ПТФЭ / Графит / Металл (доступны различные варианты)

Стандарт проектирования

ASME B16.34

Стандарт тестирования

API 598

Диапазон температур

От -29°C до 150°C (до 425°C с металлическим седлом)

Применимые медиа

Вода, нефть, газ, коррозионные жидкости, химикаты, морская вода

Функции

Корпус из нержавеющей стали CF8/CF8M – Обеспечивает превосходную устойчивость к ржавчине, точечной коррозии и химическому воздействию, гарантируя длительный срок службы в агрессивных средах.

Абсолютная физическая изоляция – Сплошная заглушка создает настоящий барьер, гарантируя отсутствие утечек во время технического обслуживания трубопровода.

Работа в линию без сброса давления – Скользящий механизм позволяет переключаться без сбоя системы, сокращая время простоя и эксплуатационные риски.

Проверено в соответствии со стандартом API 598. – Проверено на 100% гидростатическим и пневматическим методом для обеспечения герметичности.

Множество вариантов привода – Доступны варианты с маховиком, редуктором, пневматическим или электрическим приводом в соответствии с требованиями вашей системы.

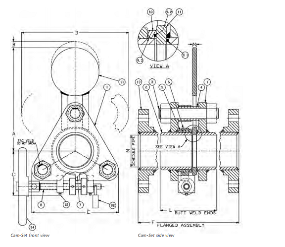
Технический чертеж

8" Line Blind Valve

Почему стоит выбрать нержавеющую сталь для заглушки трубопровода?

Коррозионная стойкость: Идеально подходит для применения в морской, химической и водоочистной отраслях, где углеродистая сталь может ржаветь.

Низкие эксплуатационные расходы: Снижен риск износа уплотнений и корпуса с течением времени.

Широкий температурный диапазон: Подходит для использования как при криогенных, так и при повышенных температурах при надлежащей герметизации.

Гигиенические применения: Широко используется в пищевой, напиточной и фармацевтической промышленности благодаря своей легкости в очистке.

Для стандартных промышленных применений, не связанных с агрессивными средами, наша серия углеродистой стали остается надежным и экономически выгодным вариантом.

Оставить Сообщение

Если вы заинтересованы в наших продуктах и хотите знать больше деталей,пожалуйста, оставьте здесь сообщение,мы ответим вам как только мы можем.

сопутствующие товары

оставьте сообщение

    Если вы заинтересованы в наших продуктах и хотите знать больше деталей,пожалуйста, оставьте здесь сообщение,мы ответим вам как только мы можем.

Главная

Продукция

около

контакт