русский

русский

Get a Quote
Продукция

Горячие продукты

новости компании

Ошибки при установке заглушек для трубопроводов, которых следует избегать,
Ошибки при установке заглушек для трубопроводов, которых следует избегать,
2026-05-15

А Заглушка трубопровода (также называемое устройством изоляции типа «лопатка/глухая пластина») — это механическое устройство, используемое для достижения позитивная изоляция В трубопроводных системах. Широко применяется в нефтегазовой, нефтехимической, нефтеперерабатывающей и ремонтно-изоляционной отраслях. Его основная функция заключается не в регулировании потока, а в обеспечении... нулевой проход жидкости в условиях технического обслуживания . Однако неправильная установка или эксплуатация могут привести к утечкам, нарушению герметичности, деформации фланца и даже к угрозе безопасности. В следующих разделах, исходя из инженерной логики, обобщены распространенные ошибки при монтаже, а также их последствия. 1. Несоблюдение требования о полном снижении давления перед установкой. Если в трубопроводе сохраняется остаточное давление, установка или замена заглушки может привести к механическому воздействию или повреждению уплотнительных поверхностей. Если срабатывание заглушки трубопровода выполняется без полного сброса давления, это может привести к следующим последствиям: ● Образование царапин или деформация уплотнительных поверхностей. ● Аномально высокий рабочий крутящий момент ● Неполная установка глухой пластины. ● В крайних случаях существует риск утечки жидкости. Таким образом, стандартная процедура требует: полного сброса давления, полного удаления остаточных сред и подтверждения нулевого давления перед началом операции изоляции. 2. Установка заглушки трубопровода при неправильном выравнивании фланца. Системы заглушек трубопроводов зависят от точного выравнивания фланцев. При наличии смещения или эксцентриситета фланца: ● Неравномерная нагрузка на глухую пластину ● Локализованная концентрация напряжений в герметизации ● Постоянные пути утечки после эксплуатации ● Заедание или блокировка рабочего механизма При наличии значительного смещения заглушку трубопровода не следует устанавливать с усилием. Сначала необходимо исправить опоры трубопровода или нарушения соосности. 3. Пренебрежение чистотой герметизирующей поверхности. Герметичность запорных клапанов обычно обеспечивается за счет герметизации «металл к металлу» или использования мягких уплотнительных конструкций. Если уплотнительные поверхности содержат: ● Сварочный шлак ● Ржавчина ● Мусор или частицы ● Остаточный материал прокладки В этом случае эффективная герметизация не будет достигнута даже при приложении расчетного крутящего момента. С инженерной точки зрения: если уплотнительная поверхность не чистая, микропротечки неизбежны. 4. Неправильная ориентация глухой пластины. Для некоторых конструкций заглушек трубопроводов существуют особые требования к направлению потока или ориентации при установке. При неправильной установке: ● Неполная установка глухой пластины. ● Неправильное направление нагрузки при герметизации. ● Недостаточный ход привода ● Сбой механической блокировки При монтаже необходимо строго следовать маркировке производителя (стрелке направления потока или ориентации конс...

Скользящий запорный клапан DVS обеспечивает нулевую утечку и надежную изоляцию для южноафриканского нефтяного клиента в трубопроводах различного типа.
Скользящий запорный клапан DVS обеспечивает нулевую утечку и надежную изоляцию для южноафриканского нефтяного клиента в трубопроводах различного типа.
2026-05-09

Крупный южноафриканский нефтяной клиент развернул скользящий заглушечный клапан DVS В многокомпонентной трубопроводной системе, требующей частого переключения между нефтепродуктами, природным газом и химическими растворителями. С момента установки система демонстрирует стабильную работу без утечек. Работа клапана в режиме онлайн под давлением полностью исключает необходимость остановки и сброса давления, значительно повышая безопасность технического обслуживания на месте. Проблема, с которой столкнулся клиент: нарушение герметичности и недостаточная изоляция при частом переключении между различными средами. Клиент — крупная компания по переработке и хранению нефти в Южной Африке. В их трубопроводной сети часто происходит переключение между различными средами, включая нефтепродукты, природный газ и химические растворители. Из-за существенных различий в характеристиках сред система предъявляет чрезвычайно высокие требования к герметичности клапанов, коррозионной стойкости и безопасности эксплуатации. При использовании обычных задвижка В связи с производством шаровых и других аналогичных изделий, в долгосрочной перспективе клиент столкнулся со следующими критическими эксплуатационными проблемами: Тип проблемы Характеристики обычных задвижек/шаровых клапанов Фактическое влияние на операционную деятельность Нарушение герметичности и внутренняя утечка Уплотнения со временем изнашиваются и не могут гарантировать полное отсутствие протечек. Утечка информации в СМИ создает серьезные риски для безопасности и окружающей среды. Для проведения технического обслуживания требуется остановка и сброс давления. Перед проведением технического обслуживания трубопроводы необходимо полностью сбросить давление. Длительные простои и значительные производственные потери Неспособность достичь истинной позитивной изоляции Изоляция зависит от герметизирующих компонентов с ограниченной надежностью. Риск перекрестного загрязнения при смене среды. Клиент специально запросил клапанное решение, которое могло бы: ● Работают без использования уплотнений ● Поддержка работы в условиях повышенного давления ● Предоставить абсолютная физическая изоляция Решение DVS с раздвижными запорными клапанами: физическая изоляция + управление в режиме реального времени + нулевая утечка В скользящем запорном клапане DVS для физического перекрытия прохождения рабочей среды используется сплошная заглушка. Такая конструкция принципиально исключает риски, связанные с традиционными клапанами, работающими за счет уплотнения. Следующие четыре технических преимущества сыграли ключевую роль в решении эксплуатационных задач заказчика: Абсолютная физическая изоляция с нулевой утечкой Сплошная заглушка напрямую блокирует поток рабочей среды, исключая проблемы старения и выхода из строя уплотнения. Это обеспечивает абсолютную герметичность при любых условиях эксплуатации. Работа сети в условиях повышенной нагрузки без остановки Клапан может переключаться между открытым и закрытым положениями, сохраняя при этом...

Каков производственный процесс изготовления задвижек, соответствующих стандарту ISO 15761? От сырья до испытаний под давлением.
Каков производственный процесс изготовления задвижек, соответствующих стандарту ISO 15761? От сырья до испытаний под давлением.
2026-04-30

ISO 15761 — это стандарт для стальных клапанов малого диаметра, используемых в нефтегазовой отрасли, охватывающий размеры от DN 15 до DN 100 и классы давления от Class 150 до Class 2500. Он применяется к задвижка шаровые вентили и обратные клапаны. Эти клапаны производятся не за один этап, а в рамках последовательной производственной цепочки. Качество каждого этапа напрямую влияет на следующий. Понимание этой цепочки помогает более эффективно выявлять критические проблемы при выборе клапанов, проверке соответствия стандартам и оценке поставщиков. Полный производственный процесс Шаг 1: Выбор материалов Материал определяет применимые условия эксплуатации и является отправной точкой всего процесса. К распространенным материалам, соответствующим стандарту ISO 15761, относятся: ● Углеродистая сталь для общего применения в нефтегазовой отрасли. ● Низкотемпературная углеродистая сталь для криогенных или низкотемпературных условий (например, для применения в СПГ). ● Нержавеющая сталь для работы в агрессивных средах Если в рабочей среде присутствует сероводород (H₂S), материалы также должны соответствовать требованиям NACE MR0175 / ISO 15156 для предотвращения сульфидного растрескивания под напряжением. Это требование применяется независимо от ISO 15761. Неправильный выбор материала не может быть компенсирован последующим контролем технологического процесса. Шаг 2: Ковка На этом этапе определяется внутреннее качество корпуса клапана. Ковка — это процесс формования нагретого металла под давлением, в результате которого образуется плотная внутренняя структура с меньшей вероятностью дефектов. Этот метод обычно предпочтителен для применений, связанных с высоким давлением или высокой надежностью. Для классов 800 и выше. поддельные тела В инженерной практике их обычно выбирают для снижения риска внутренних дефектов и повышения надежности конструкции, хотя окончательный выбор зависит от технических условий проекта. Шаг 3: Механическая обработка После формовки выполняется прецизионная механическая обработка для соответствия заданным размерам и требованиям к герметизации. Обработка уплотнительной поверхности является критически важным контрольным моментом. Контактные поверхности между седлом и диском должны подвергаться многократным процессам механической обработки и притирки для достижения заданной плоскостности и шероховатости поверхности, что напрямую влияет на эффективность отключения. Поверхность штока также должна соответствовать требованиям к низкой шероховатости для обеспечения долговременной стабильности герметизации сальника. Чрезмерная шероховатость ускоряет износ сальника и может привести к внешней утечке во время работы. Шаг 4: Сварка (наплавка уплотнительных поверхностей) Этот процесс используется для повышения эксплуатационных характеристик герметизирующей поверхности. Для обеспечения износостойкости или коррозионной стойкости уплотнительные поверхности обычно покрывают твердыми сплавами, такими как стеллит, для повышения их прочности. В процессе св...

Пять тысяч двести один
加载中...

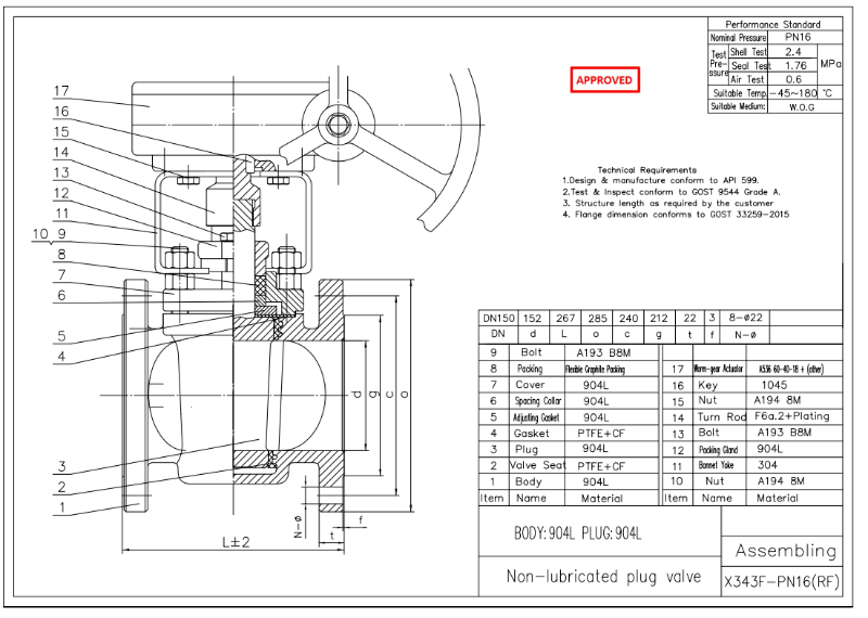
Несмазываемый пробковый клапан DN150 PN16 904L API599

  • Оплата:

    30% when order confirmed, 70% before shipment
  • происхождение продукта:

    china
  • Цвет:

    Customization
  • порт доставки:

    Shanghai, China
  • Время упреждения:

    30~60 days Ex Works after order confirmation
  • Material:

    904L
  • Method of Operation:

    Worm Gear with Handwheel
запрос сейчас
Деталь продукта

Пробковый клапан DN150 PN16 изготовлен в соответствии со стандартом API599. Корпус клапана изготовлен из стали 904L. Он имеет следующие конструктивные характеристики: компрессионный тип, прямоточный, запорный, установка: в любом положении, направление потока: двунаправленное. Тип соединения: фланцевое. Имеет червячный редуктор с маховиком. режим работы.

Параметры продукта

Тип

Запорный клапан

Размер

ДН150

Давление

PN16

Связь

Фланец

Операция

Червячная передача с маховиком

Материал тела

904Л

Стандарт проектирования

API 599

Длина структуры

клиент

Размеры фланца

ГОСТ 33259-2015

Кодекс испытаний и контроля

API 599

Температура

45 ~ 180 °С

Применимый носитель

Вода, нефть и газ

Функции

1. Несмазываемый пробковый клапан DN150 PN16 904L API 599 обеспечивает работу без технического обслуживания и превосходную коррозионную стойкость, идеально подходит для применения в агрессивных химических средах и морской воде (несмазываемый пробковый клапан 904L DN150 PN16).

Эксцентриковый пробковый клапан 2.904L API 599 обеспечивает надежное уплотнение без смазки, гарантируя стабильную работу в трубопроводных системах низкого и среднего давления (пробковый клапан DN150 PN16 904L).

Технический чертеж

Non-lubricated Plug Valve

Проверка размеров

Non-lubricated Plug Valve

Испытание под давлением

Non-lubricated Plug Valve

Рисование

Non-lubricated Plug Valve

Табличка и упаковка

Non-lubricated Plug Valve

Отчет об инспекции

Non-lubricated Plug Valve

Оставить Сообщение

Если вы заинтересованы в наших продуктах и хотите знать больше деталей,пожалуйста, оставьте здесь сообщение,мы ответим вам как только мы можем.

сопутствующие товары
плунжерный клапан из литой стали
смазываемый плунжерный клапан сбалансированный по давлению тип 8 дюймов

8-дюймовый смазанный плунжерный клапан имеет перевернутую и сбалансированную структуру. фланцевый седельный клапан с металлическим седлом подходит для применения на природном газе. быстрая деталь тип штепсель   клапан размер 8 '' Расчетное давление 300lb строительство смазывать   тип, перевернутый тип, сбалансированный по давлению тип, металлический тип соединения отбортованный   соединение операция шестерня   управляемый код проекта API 599 лицом к лицу как я   B16.10 конец соединения как я   B16.5 давление & amp;   температура как я   B16.34 тест & amp;   осмотр апи   598 материал корпуса соск диапазон температур -29 ℃ ~ 425 ℃ применение вода,   нефтяной газ измерение учебный класс размер 1 1/2 2 2 1/2 3 4 6 8 10 12 300 б 191 216 241 283 305 403 419 457 502 с 156 165 191 210 254 318 381 445 521 d 20,6 22,2 +25,4 28,3 31,8 36,5 41,3 47,6 50,8 е 169 178 & ЕПРС; 219 235 362 & ЕПРС; & ЕПРС; & ЕПРС; е 106 118 & ЕПРС; 143 165 187 248 300 392 о 73 92,1 105 127 157 216 270 324 381 вес (РЧ) 16 21 & ЕПРС; 38 60 101 192 281 508 связанные знания что такое плунжерный клапан? плунжерный клапан - это клапан с поворотом на четыре оборота, плунжер которого вращается вокруг центральной линии корпуса клапана, чтобы реализовать функцию включения-выключения. плунжерный клапан используется для отсечки, распределения и изменения направления потока. В настоящее время плунжерные клапаны в основном применяются для небольших размеров, нормальной температуры и условий низкого давления. Преимущества плунжерного клапана показаны ниже:-быстрое открытие и закрытие клапана-малое сопротивление жидкостинадежный герметичный сервис-доступное встроенное обслуживание

Клапан сброса давления с рычагом
Перевернутый сбалансированный по давлению смазанный wcb 2-дюймовый плунжерный клапан

Перевернутый клапан со смазкой с обратным давлением сбалансирован на 2 дюйма и имеет корпус с металлическим седлом. применять при температуре ниже 80 ℃. быстрая деталь тип плунжерный клапан размер 2” Расчетное давление 150lb строительство плунжерный клапан смазочного типа тип соединения фланцевое соединение операция рычаг / ключ код проекта API6D лицом к лицу Asme B16.10 конец соединения ASM B16,5 давление & amp; температура Asme B16.34 тест & amp; осмотр API6D материал корпуса A216 WCB диапазон температур & Лт; 80 ℃ применение воговского

Пять тысяч двести один
Клапан api6d перевернутый сбалансированный давлением смазанный клапан штепсельной вилки 150 фунтов

Перевернутый сбалансированный давлением смазанный клапан штепсельной вилки 2 дюйма и 150 фунтов. Изготовлен в соответствии с клапан api6d, клапана способен в коллекторы и услуги по производству нефтяных месторождений, асфальтобетонные заводы, другие.

Пробка клапана
1-дюймовый плунжерный клапан Class600 с обратным балансом давления, кованая сталь, полнопроходной

Быстрая деталь Тип Пробка клапана Размер 1 '' Расчетное давление 600 фунтов Строительство Смазываемый тип, инвертированный тип, тип с балансировкой давления, Тип соединения FNPT Операция Рычаг Операция Код дизайна API6D Конечное соединение ASMEB1.20.1 Давление & Темп. ASME B16.34 Тест & Inspection API 598 Пожарная безопасность API 6FA Материал корпуса A105 Диапазон температур ≤80 ℃ Применение Вода, нефть, газ Функции - Надежное уплотнение и небольшой крутящий момент; --Свободное сечение, проходное - Низкоэмиссионная упаковка; - Пожаробезопасный дизайн; - Дополнительное запорное устройство Технический рисунок Проверка размеров Свидетельство испытаний Упаковка Почему выбирают Дервос своим партнером? Единое обслуживание Здесь, в Dervos, мы можем предоставить вам комплексные услуги по нашему полному списку продуктов, это означает, что вам не нужно искать различных поставщиков для различных типов клапанов, и это, безусловно, сэкономит ваше время и энергию. Все, что вам нужно сделать, это выбрать Dervos, и мы предоставим вам комплексные решения. Своевременная доставка Dervos сохраняет высокий процент своевременной доставки. Почему мы могли этого добиться? Наша команда по закупкам очень внимательно следит за заказом. Кроме того, наш менеджер по контролю качества и продавец также будут следить за каждым заказом. Строгий контроль качества Все члены команды QC очень опытны и профессиональны. Для каждого заказа они будут проверять сырье, производственный процесс, проводить испытания корпуса и уплотнения под давлением, а также проверять размер клапана по сборочному чертежу. Наконец, они осмотрят покраску и упаковку.

пробковый клапан
самосмазывающийся плунжерный клапан втулка типа 1 дюйм 150LB CF3

1-дюймовый самосмазывающийся или несмазываемый пробковый клапан изготовлен из A315 CF3 в соответствии с API 599.. Он обладает превосходными уплотняющими и антикоррозионными характеристиками, благодаря седлу из ПТФЭ., кроме того, Клапан втулочного типа подходит только для нормальной температуры до 120 градусов. краткая информация тип пробковый клапан размер 1'' Расчетное давление 150 фунтов строительство самосмазывающийся тип, с втулкой, мягкое седло связь фланец операция работа рычага код дизайна API 599 лицом к лицу асме б16.10 конечное соединение асме б16.5 испытание и осмотр API 598 материал корпуса а351 цф3 диапазон температур -29℃~+120℃ заявление вода, нефть, газ проверка размеров гидростатические испытания

пробковый клапан
Перевернутый пробковый клапан API 6D LCB 8-дюймовый редуктор 600 фунтов

8-дюймовый пробковый клапан разработан в соответствии с API 6D с фланцем RF класса 150 и редуктором.. dervos может предложить услуги по настройке, предоставив клиентам клапаны разных размеров,, материалов,, стандартов,, расчетного давления,, конструкции,, типа работы и типа соединения.. краткая информация тип пробковый клапан размер 8'' Расчетное давление 600 фунтов строительство перевернутого типа, со смазкой, с разгрузкой по давлению связь ВЧ фланец операция коробка передач код дизайна апи 6д лицом к лицу анси б16.10 конечное соединение анси б16.5 испытание и осмотр API 598 материал корпуса лкб диапазон температур -46℃~+425℃ заявление вода, нефть и газ измерение

Пробковый клапан
1-дюймовый 600-фунтовый перевернутый плунжерный клапан с балансировкой давления со смазкой API 6D

1-дюймовый пробковый клапан 600LB изготовлен в соответствии со стандартом API 6D. Корпус клапана изготовлен из A105. Он имеет конструктивные характеристики масляного уплотнения и полнопроходного типа. Его тип соединения - FNPT. И он имеет режим работы с ручкой (с запорным устройством). .

Пробковый клапан
2-дюймовый пробковый клапан со смазкой, 900 фунтов, рычаг RF 5A API6D

2-дюймовый пробковый клапан 900LB изготовлен в соответствии со стандартом API 6D. Корпус клапана изготовлен из A995 5A. Он имеет структурные характеристики масляного уплотнения и полнопроходного типа. Режим соединения - RF. И он имеет режим работы рычага.

Смазанный пробковый клапан
Пробковый клапан со смазкой, 1 дюйм, 600 фунтов, корпус WCB, радиочастотное соединение, API6D

1-дюймовый пробковый клапан 600LB изготовлен в соответствии со стандартом API 6D. Корпус клапана изготовлен из A216 WCB. Он имеет структурные характеристики перевернутого балансира давления, смазанный и пожаробезопасный, соответствует API 6FA. Режим соединения - RF. И он имеет рычаг режим работы.

Смазанный пробковый клапан
Пробковый клапан со смазкой, 1 дюйм, 3000 фунтов на квадратный дюйм, NPT A105, рычаг API6D

1-дюймовый плунжерный клапан со смазкой, 3000 фунтов на квадратный дюйм изготовлен в соответствии со стандартом API6D. Корпус клапана изготовлен из A105. Он имеет структурные характеристики типа перевернутого балансира давления. Режим соединения - NPT. И он имеет режим работы рычага.

Перевернутый пробковый клапан со смазкой и балансировкой давления
API6D, 2-дюймовый перевернутый плунжерный клапан со смазкой и сбалансированным давлением, 600 фунтов, RF, WCB, рычаг

2 дюйма, 600 фунтов, перевернутый, сбалансированный по давлению, со смазкой плунжерный клапан изготовлен по стандарту API 6D. Корпус клапана изготовлен из A216. ВКБ. Он имеет структурные характеристики перевернутого типа баланса давления, масляная герметичность. Его режим подключения — RF. И у него есть режим работы рычага.

Пять тысяч двести один
2-дюймовый перевернутый пробковый клапан со смазкой и балансировкой давления, 150 фунтов, RF, WCB, API6D

2 дюйма, 150 фунтов, перевернутый, сбалансированный по давлению, со смазкой плунжерный клапан изготовлен по стандарту API 6D. Корпус клапана изготовлен из A216. ВКБ. Имеет структурные характеристики короткой структуры, перевернутое масло. уплотнение, корпус седла клапана. Его режим подключения — RF. И он имеет рычажное управление режим.

оставьте сообщение

    Если вы заинтересованы в наших продуктах и хотите знать больше деталей,пожалуйста, оставьте здесь сообщение,мы ответим вам как только мы можем.

Главная

Продукция

около

контакт