русский

русский

Get a Quote
Продукция

Горячие продукты

новости компании

Differences Between Wide-Body and Single-Piece Ball Valves
Differences Between Wide-Body and Single-Piece Ball Valves
2026-02-06

Wide-body ball valves and single-piece ball valves are both types of ball valves used for controlling the on/off flow of medium in pipelines.   Both wide-body and single-piece ball valves feature a one-piece (integral) body design, unlike split-body designs. This differs from two-piece and three-piece ball valves, which have segmented valve bodies.   For internally threaded wide-body ball valves, the valve body is made from round or hexagonal stock, using either bar material or forged components. The ball core features a reduced-diameter design and is inserted from one side of the valve body. The stem uses an internal anti-blowout structure. Flat surfaces are machined on both the inlet and outlet sides of the body to facilitate assembly of the ball valve and allow the use of wrenches during pipeline installation.   In wide-body ball valves, the stem stuffing box is relatively shallow, and the internal packing volume is limited, resulting in a moderate sealing performance of the stem. Therefore, these valves are more suitable for low-pressure medium applications. In contrast, two-piece and three-piece ball valves feature stem stuffing box structures that provide reliable sealing for high-pressure medium applications.   The structure of flanged wide-body ball valves is essentially the same as that of internally threaded wide-body ball valves. Typically, the flange is connected to the intermediate valve body via threaded fasteners, although some designs utilize a forged one-piece structure.   Externally threaded wide-body ball valves can use a union-type structure, where the union is directly welded to the pipeline and connects to the external threads on the valve body. This design allows for easy disassembly and reassembly during valve maintenance or replacement without requiring separate unions on the pipeline.   The valve bodies of single-piece internally threaded ball valves and single-piece flanged ball valves are manufactured using casting processes, with the ball core featuring a reduced-diameter design. The stem uses an internal anti-blowout structure. The inlet and outlet ends of single-piece internally threaded ball valves have a hexagonal shape, similar to conventional internally threaded valves, to facilitate wrench operation and secure installation.   In single-piece flanged ball valves, the flange and valve body are cast as a single unit, eliminating the need to machine and assemble the flange separately as in wide-body flanged ball valves. This approach reduces cost and simplifies the manufacturing process.   Single-piece wafer-style ball valves have a shorter valve body length, making them more suitable for pipelines with limited space.   Wide-body and single-piece ball valves both use a reduced-diameter ball design, resulting in higher flow resistance compared with two-piece and three-piece ball valves. The main differences are as follows:   Valve Body Manufacturing Process ● Wide-bo...

Конструкция клинового задвижного клапана и принцип его герметизации
Конструкция клинового задвижного клапана и принцип его герметизации
2026-01-30

В клиновом задвижном клапане уплотнительные поверхности затвора имеют клиновидную форму, образуя определенный угол относительно центральной оси затвора. Затвор приводится в действие штоком клапана для закрытия. По мере увеличения усилия штока возрастает и нормальная сила, действующая на клиновидные уплотнительные поверхности, создавая эффект принудительного уплотнения. Такая конструкция значительно улучшает герметичность в условиях низкого давления. При открытии уплотнительные поверхности затвора мгновенно отсоединяются от седла, что помогает уменьшить износ уплотнительных поверхностей и продлить срок службы клапана. Применимые стандарты для Клиновые задвижки Клиновые задвижки обычно изготавливаются в соответствии со следующими стандартами: ● GB/T 12234-2019 – Стальные задвижки с болтовым креплением крышки для нефтегазовой промышленности ● GB/T 12232-2005 – Задвижки общего назначения из чугуна с фланцами ● Стандарт API 600 (2015) – Сталь задвижка для нефтяной и газовой промышленности Типы клиновых задвижек Задвижки клинового типа обычно выпускаются в трех вариантах исполнения: сплошная клиновая задвижка, гибкая клиновая задвижка и двойная клиновая задвижка. Гибкий клиновой затвор и двойной клиновой затвор основаны на контролируемой деформации уплотнительных поверхностей для достижения улучшенного контакта с седлом клапана. Такая конструкция повышает надежность уплотнения и эффективно предотвращает заедание или заклинивание затвора, вызванное колебаниями температуры, обеспечивая бесперебойную работу даже в условиях колеблющихся температур. Конструкция и принцип герметизации параллельного задвижного клапана В задвижке с параллельными заслонками уплотнительные поверхности на входном и выходном концах заслонки параллельны центральной оси заслонки. В однозадвижных конфигурациях герметизация в основном достигается за счет перемещения плавающей заслонки или плавающего седла в нужное положение рабочей средой. В двухзадвижных конфигурациях герметизация может осуществляться с помощью пружин или компенсационного механизма между заслонками. На протяжении всего процесса открытия и закрытия уплотнительные поверхности заслонки и седла остаются в постоянном контакте, обеспечивая надежную герметизацию. Применимые стандарты для параллельных задвижек К общим стандартам для параллельных задвижек относятся: ● GB/T 23300-2009 – Параллельные задвижки ● JB/T 5298-2016 – Стальные параллельные задвижки для трубопроводов ● API 6D – Трубопроводные клапаны для нефтегазовой промышленности Типы и характеристики параллельных задвижек Параллельные задвижки выпускаются в однозатворном и двухзатворном исполнении. ● Задвижки могут иметь сквозные отверстия или быть сплошными. Задвижки со сквозными отверстиями соответствуют внутреннему диаметру седла, что облегчает очистку и дренаж трубопровода. ● В зависимости от требований применения, уплотнение может быть выполнено на входном, выходном или на обоих концах. Данная конструкция обеспечивает гибкость в выборе способов герметизации, со...

Анализ причин повреждения уплотнительной поверхности клапана
Анализ причин повреждения уплотнительной поверхности клапана
2026-01-23

Повреждение уплотнительных поверхностей клапанов обычно является результатом множества факторов, включая выбор материала, условия эксплуатации, методы работы и техническое обслуживание. Ниже приведено краткое описание наиболее распространенных причин: 1. Механические повреждения ● Одежда: Твердые частицы в среде (такие как песок или сварочный шлак) вызывают эрозию уплотнительной поверхности, в результате чего образуются царапины или бороздки. ● Абразивные царапины : Фрикционный износ, вызванный относительным перемещением уплотнительных поверхностей во время работы. клапан Открытие и закрытие, особенно в герметичных соединениях типа «металл к металлу». ● Ударные повреждения: Деформация уплотнительной поверхности, вызванная высокоскоростным воздействием жидкости или быстрым открытием и закрытием клапана, приводит к ударной нагрузке. 2. Химическая коррозия ● Коррозия среды: Кислотные, щелочные или окислительные среды непосредственно воздействуют на материал уплотнительной поверхности, например, вызывают коррозию металла, обусловленную H₂S или хлорид-ионами. ● Электрохимическая коррозия : При воздействии электролита на уплотнительные пары, изготовленные из разнородных металлов, может возникать гальваническая коррозия вследствие образования электрохимической ячейки. ● Эрозия-коррозия: Совместное воздействие агрессивных сред и высокоскоростного потока ускоряет износ уплотнительной поверхности. 3. Термическое повреждение ●Термическая усталость: Частые колебания температуры вызывают многократное термическое расширение и сжатие уплотнительной поверхности, что приводит к растрескиванию или деформации. ●Высокотемпературное окисление: При повышенных температурах уплотнительная поверхность может подвергаться окислению, затвердеванию или выгоранию, что часто наблюдается в паровых клапанах. ●Термический шок: Внезапное воздействие сред с высокой или низкой температурой может привести к растрескиванию уплотнительной поверхности, например, при быстром образовании конденсата или проникновении холодной среды. 4. Неправильная установка и эксплуатация ●Неправильная установка: Неправильная установка клапана или чрезмерное напряжение в трубопроводе могут привести к неравномерной нагрузке на уплотнительные поверхности. ●Чрезмерное затягивание: Чрезмерное предварительное натяжение штока клапана или болтов может привести к деформации или повреждению уплотнительной поверхности, особенно в клапанах с мягким уплотнением или мягкими уплотнительными прокладками. ●Неудовлетворительная работа: Резкое открывание и закрывание или чрезмерное усилие при работе могут привести к повреждению уплотнительных поверхностей в результате удара. 5. Материальные дефекты ●Неправильный выбор материалов: Материал уплотнительной поверхности не обладает достаточной устойчивостью к воздействию технологических сред, высоким температурам или износу, например, как в случае использования углеродистой стали в кислотных средах. ●Производственные дефекты: Дефекты в наплавленном или защитном слое, включая по...

Пять тысяч двести один
加载中...

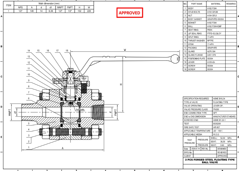
ASME B16.34 3 шт. Шаровой поплавковый клапан 1/2” PN350 F304 NPT

  • Оплата:

    30% when order confirmed, 70% before shipment
  • происхождение продукта:

    china
  • Цвет:

    Customization
  • порт доставки:

    Shanghai, China
  • Время упреждения:

    30~60 days Ex Works after order confirmation
  • Material:

    A182 F304
  • Method of Operation:

    hand wheel
запрос сейчас
Деталь продукта

Шаровой поплавковый клапан 1/2” PN350 изготовлен в соответствии со стандартом ASME B16.34. Корпус клапана изготовлен из стали A182 F304. Тип соединения – резьбовое соединение M/F NPT. Клапан оснащен маховиком. operation mode.

Product Parameters

Type

Floating Ball Valve

Size

1/2”

Pressure

PN350

Connection

NPT

Operation

Hand wheel

Body Material

A182 F304

Design Norm

ASME B16.34

End to End

MANUFACTURER STANDARD

End connection

NPT

Test & Inspection Code

ISO5208

Temperature

-29 ~ 150 °C

Applicable Medium

Water, Oil and Gas

Features

1.Three-piece floating ball valve structure allows easy disassembly for maintenance and in-line service.

2.F304 stainless steel body with PN350 rating and NPT ends ensures secure sealing under high-pressure conditions.

Technical Drawing

Floating Ball Valve

Dimension Checking

Floating Ball Valve

Pressure Testing

Floating Ball Valve

Nameplate & Packing

Floating Ball Valve

Inspection Report

Floating Ball Valve Floating Ball Valve Floating Ball Valve Floating Ball Valve

Оставить Сообщение

Если вы заинтересованы в наших продуктах и хотите знать больше деталей,пожалуйста, оставьте здесь сообщение,мы ответим вам как только мы можем.

сопутствующие товары
плавучий шаровой клапан класса 150
алюминиевый бронзовый плавающий шаровой кран 1 дюйм 150 фунтов

1-дюймовый шаровой кран плавающего типа изготовлен из алюминиевой бронзы C95800. Шаровой кран с уменьшенным внутренним диаметром имеет рычажный привод, фланец ВЧ, корпус из двух частей. быстрая деталь тип шаровой кран размер 1" давление ANSI 150 строительство плавающий   шар, корпус из 2 частей, боковой вход, уменьшенное отверстие соединение отбортованный   конец операция рычаг   операция тело   материал алюминий   бронзовый астм b148 c95800 СМИ w.o.g доступные модификации для шарового крана Номинальное давление размер клапана порт и усиление полный порт -материал корпуса, шара, штока, седла, уплотнения, болта и гайки работа клапана (рычаг, коробка передач, пневматический или гидравлический или электрический привод) -конечный тип подключения -доступный удлиненный ствол индивидуальное покрытие & amp; упаковка -модификации дренажного порта упаковка дервосов хорошая упаковка означает хорошее первое впечатление. только представьте, как вы себя чувствуете, когда видите две коробки ниже? и вы узнаете причину, почему в дерво мы так ценим упаковку. в дерво, мы уверены, 1. Каждый клапан чистый и сухой. что мы делаем? очистить клапан перед упаковкой антикоррозионное масло крышка фланца 2. нет повреждений клапанов при доставке. как нам этого добиться? закрепить клапан железной проволокой -разделить клапан мягким материалом клапан с фанерой Коробка 3.strong и ясный знак перевозкы груза

двухкомпонентный литой стальной шаровой кран
литой шаровой кран из 2-х частей, 4-дюймовый ключ класса 150

тип 2 части плавающий шаровой кран имеет полный порт, пожаробезопасную конструкцию, противовыбросовый шток, фланец ANSI 150 и рычаг. Шаровой кран из углеродистой стали оснащен корпусом w216 a2, штоком и шаром f316, мягким седлом ptfe. быстрая деталь тип шаровой кран размер 4" давление 150 фунтов строительство плавающий тип   шар, корпус из двух частей, полнопроходной соединение поднятый   конец лицевого фланца операция гаечный ключ   операция тело   материал литая сталь   WCB отделка   материал ss316 & ptfe стандарт дизайна API 6D давление   & Amp; временный код Asme B16.34 лицом к лицу Asme B16.10 конец   соединение ASM B16,5 осмотр   код API 6D температура   спектр -29 ℃ ~ + 125 ℃ СМИ вода, масло   и газ материал & amp; измерение нет Наименование углерод   стали астме нержавеющий   стали астме WCB LCB CF8 CF8M cf3 CF3M 1 тело A216 WCB a352 lcb a351 cf8 a351 cf8m a351 cf3 a351 cf3m 2 гайка капота а194 2ч а4 4 а194 8 3 болт капота а193 б7 а320 л7 а193 б8 4 шапка A216 WCB a352 lcb a351 cf8 a351 cf8m a351 cf3 a351 cf3m 5 прокладка ss спиральная рана / графит или   ss спиральная рана / ptfe 6 мяч a105 / ep.cr или f6 а182 ф6 a351 cf8 a351 cf8m a351 cf3 a351 cf3m 7 кольцо сиденья rptfe или pom 8 маленькая весна нержавеющая сталь 9 небольшой мяч a182 f304 a182 f316l 10 стебель а182 ф6 а182 ф6 A182 F304 a182 f316 а182 ф304л a182 f316l 11 седло птфэ 12 набивка стволов ПТФЭ или графит 13 железа а182 ф6 A182 F304 a182 f316 а182 ф304л a182 f316l 14 сальник болт а193 б7 а193 б8 15 фланец A216 WCB a351 cf8 16 позиционная пластина стали 17 wrentch A216 WCB материал   в соответствии со стандартом astm класс 150 дп мм 15 20 25 40 50 65 80 100 150 200 250 аэс в 0,5 0,75 1 1,5 2 2.5 3 4 6 8 10 L (РЧ) мм 108 117 127 165 178 191 203 229 394 457 533 в 4,25 4,6 5 6,5 7 7,5 8 9 15,5 18 21 l1 (Мт) мм 140 152 165 190 216 241 283 305 457 521 559 в 5,5 6 6,5 7,48 8,5 9,5 11,13 12 18 +20,5 22 l2 (RTJ) мм 119 129,7 139,7 178 191 203 216 241 406 470 546 в 4,69 5,11 5,5 6,9 7,5 8 8,5 9,5 16 18,5 +21,5 час мм 66 74 87 105 132 152 182 215 250 285 495 в 2,6 2,9 3,48 4,2 5,28 6,08 7,28 8,6 10 11,4 +19,5 делать (ж) мм 130 130 160 230 400 400 600 850 1100 1500 * 350 в 5,1 5,11 6,3 9 15,74 15,74 23,62 33,46 43,3 59 13,8 РЧ (кг) & ЕПРС; 2,3 3 4.5 7 15 20 25 40 97 160 240 м.т. (кг) & ЕПРС; 2,0 2.5 3,8 5,8 12 17 21 36 92,8 154 227 * работает червячная передача или электрический привод специальные тесты инспекции В дополнение к регулярным гидравлическим испытаниям и воздушным испытаниям dervos также может проводить специальные испытания в соответствии с требованиями клиентов, такие как pt-тест, rt-тест, ut-тест, криогенный тест, тест на низкую утечку, тест на огнестойкость, тест на твердость и т. д. ,

шаровый кран dn100 wcb
шаровый кран din-dn100 pn16 wcb плавающий шаровой нагревательный кожух

шаровой кран DIN с полными порами РЧ с плавающей точкой огнезащитный антистатический рычаг Корпус wcb a105 + шарик enp 17-4ph шток f304 + седло ni55 x750 пружинная сварка фланца нагревательная рубашка dn100 pn16 быстрая деталь тип шаровой кран размер DN100 Расчетное давление PN16 строительство плавающий шаровой кран тип соединения выступающий фланец operationtype рычаг материал корпуса WCB ballmaterial A105 + ni60 материал ствола 17-4PH seatmaterial F304 + ni55 код проекта en12516-1 измерение лицом к лицу en558-1 конец соединения en1092-1 b1 давление & amp; температура en12266 средний вода, нефть и газ происхождения Китай

производитель шаровых кранов API 6D
api 6d плавающий шаровой кран 2 дюйма 600 фунтов расширенный шток a105

Шаровой кран API 6D разработан с удлиненный шток для специального использования, например, подземный шаровой кран или низкая температура применение. длина расширенного стебля может быть настроена в соответствии с клиентом запрос. быстрая деталь тип шаровой кран размер 2 дюйма давление класс 600 строительство Трещина   корпус, боковой вход, плавающий тип, пожаробезопасная конструкция, антистатическая система,   противовыбросовый шток, удлиненный капот соединение рф фланец режим работы рычаг материал корпуса a105n отделочный материал шарик и шток ss304, сиденье rptfe дизайн & amp; производство API 6D давление & amp; временный код Asme B16.34 концы с концами Asme B16.10 конец соединения ASM B16,5 осмотр API 6D,   API 598 диапазон температур -29 ℃ ~ 200 ℃ средний масло,   вода, газ КК процесс в дерво осмотр отливки : мы может выяснить проблему с сырьем, например, плохое литье, неквалифицированное толщина стен, химический состав и т. д., которые гарантируют, что вы не будете быть обманутым механическая проверка: -Обеспечение точность обработки -найти как можно раньше избавиться от ошибки обработки, чтобы выиграть больше времени на ремонт, переделка Окончательная проверка: -финал инспекционной деятельности включает документ и контрольную запись обзор, визуальный осмотр, проверка размеров, опрессовка, окраска и упаковка чек об оплате - сэкономьте время и деньги: вам не нужно приходить и проверять лично и все документы могут быть предоставлены в качестве доказательства. отчет о проверке будет предоставляется бесплатно, в том числе: -en 10204 3.1 сертификат испытаний мельницы -инспекционный отчет, показывающий весь процесс проверки

 шаровой кран из кованой стали a105 npt
кованая сталь dn25 pn100 шаровой кран n105 npt

dn25 pn100 кованая сталь a105 npt соединительный путь 2 шт. конструкция полнопористый рычажный механизм плавающий шар корпус и крышка a105 шарик a182 f304 седло ptfe стержень a182 f304 уплотнительное кольцо стержень уплотнение из витона уплотнение из графитового сальника конструкция из нержавеющей стали и изготовление asme b16.34 лицом к дизайн лицевой стороны изготовление стандартное изготовление стандартные винты и размеры ansi b1.20.1 проверка и испытание api598 конструкция пожарной безопасности api 607 быстрая деталь тип шаровой кран размер DN25 давление PN100 строительство 2 куска соединение нтр режим работы рычаг материал корпуса A105 обложка A105 дизайн & amp; производство Asme B16.34 концы с концами Asme B16.10 конец соединения ansi b1.20.1 осмотр API 598 диапазон температур -29 ℃ ~ + 538 ℃ средний нефть, вода, газ

Пять тысяч двести один
2 шт плавающий шаровой кран wcb 150 фунтов 4 дюйма с уменьшенным отверстием

Двухсекционный плавающий шаровой кран, изготовленный в соответствии с API 6a, имеет конструкцию с уменьшенным отверстием, пожаробезопасную конструкцию, противовыбросовый шток. с седлом rptfe и уплотнительным кольцом ptfe, 4-дюймовый клапан wcb является сертификатом для вас.

Пять тысяч двести один
В JIS 2 части плавая шариковый клапан РЧ×ДНР 25А 16К

Этот шариковый клапан, разработанный в соответствии с ASME в16.34, располагает двумя различными способами соединения--одна сторона для РФ и другой стороной договора. Клапан с плавающим шаром, PTFE сиденье, тело scs13 ПК и другие функции имеет превосходное проведение запечатывания.

Пять тысяч двести один
2-дюймовый 600 фунтов шаровой клапан клапан api6d РФ полный проход 2 шт тип

Кованой стали шаровой клапан изготовлен из А105 тела и 17-4ph с отделкой взыскать конец фланца и работы рычага. Этот плавая шариковый клапан особенности надежное уплотнение производительность и простота в эксплуатации.

Пять тысяч двести один
Из нержавеющей стали 2 шт тип шариковый клапан 1-1/2 дюйма 800lb задерживающего

Изготовлен из F316, плавая шариковый клапан конструирован в соответствии кода на Асме Б16.34. Клапан состоит из двух частей Тело, плавая шарик, рычаг управления, с хорошим надежное проведение запечатывания и небольшой крутящий момент.

Кованый стальной плавающий шаровой кран
Корпус плавающего шарового крана из кованой стали DN25 PN16 ASTM ISO 17292

Кран с плавающим шаром из кованой стали DN25 PN16 изготовлен в соответствии со стандартом ISO17292. Корпус клапана изготовлен из стали ASTM-A105. Он имеет разъемный корпус, плавающий шар, полнопроходной, огнестойкий, антистатичный, с противовыбросовым штоком. Тип соединения – армированный (RF). Управление осуществляется маховиком.

Пять тысяч двести один
1 дюйм трехкомпонентный ручной шаровой кран полнопроходной

изготовленный из CF8M, 2-х компонентный клапан разработан в соответствии с ASME B16.34. смешанный с 15 процентов стекловолокна, RPTFE седло клапана более пригодно для работы при высоких температурах и коррозионных условиях.

Пять тысяч двести один
Фланцевое концевой шаровой кран, ASTM A350 LF6, CL600, 1 / 2 Дюйм, из двух частей

китай Фланцевые концевой шаровой кран Производитель, Dervos предлагает Фланцевые концевой шаровой кран, ASTM A350 LF6, класс 600, 1 / 2 Дюймовая, двухкомпонентная, ковка, API 608, bs 5351, ASME B16.34.

оставьте сообщение

    Если вы заинтересованы в наших продуктах и хотите знать больше деталей,пожалуйста, оставьте здесь сообщение,мы ответим вам как только мы можем.

Главная

Продукция

около

контакт