русский

русский

Get a Quote
Продукция

Горячие продукты

новости компании

Руководство по устранению неполадок, связанных с вибрацией и шумом клапанов.
Руководство по устранению неполадок, связанных с вибрацией и шумом клапанов.
2026-01-06

Эти симптомы обычно указывают на несоответствие водно-электролитного баланса. valve selection, or system configuration. If left unaddressed over prolonged operation, they can accelerate valve wear and pose safety risks. Based on field experience, this article outlines the common causes of valve vibration and noise and provides practical guidance for troubleshooting. 1. Basic Manifestations of Valve Vibration and Noise Valve vibration usually appears as noticeable oscillations of the valve body, stem, or connected piping. Noise may present as humming, whistling, or banging sounds. These phenomena often occur simultaneously and are primarily related to the following factors: ● Abnormal flow velocity or pressure differential ● Unstable internal forces within the valve ● Mismatch between actual operating conditions and valve design 2. Common Causes Analysis 1. Excessive Flow Velocity or Pressure Differential When the fluid passes through the throttling section of a valve at high speed, strong turbulence and pressure fluctuations are likely to occur, causing periodic impact on internal components. This issue is particularly pronounced when using standard globe valve s or ball valves under regulating conditions. Typical manifestations include: ● Noise increases as the valve opening decreases ● Vibration intensifies under high-pressure-drop conditions 2. Improper Valve Selection Incorrect valve selection is a common root cause of vibration, such as: ● Using on/off valves for prolonged throttling ● Oversized valve operating at small openings for extended periods ● Insufficient pressure rating or structural rigidity of the valve These conditions can cause unstable movement of the valve plug or ball, resulting in vibration and noise. 3. Loose or Worn Internal Components After long-term operation, the following issues are commonly observed: ● Wear of valve plugs or discs ● Increased clearance between the stem and guiding parts ● Loosened fasteners Non-design clearances amplify fluid impact, leading to persistent noise. If vibration is accompanied by metallic knocking sounds, the condition of internal components should be checked as a priority. 4. Cavitation or Flashing In liquid service, cavitation or flashing occurs when local pressure drops below the saturation vapor pressure. Bubble collapse in high-pressure regions impacts internal components, often accompanied by noise and vibration. Typical signs include: ● Sand- or gravel-like scraping sounds ● Rapid wear of internal components ● Significant pressure fluctuations 5. Insufficient Piping Support or System Resonance Some vibrations are not directly caused by the valve. When upstream or downstream piping lacks adequate support, or when the piping structure resonates near the fluid pulsation frequency, system resonance may occur, amplifying existing vibrations. 3. On-Site Troubleshooting Approach It is recommended to follow the sequence below when troubleshooting: ● Verify whether the pressure, flow rate,...

Огнестойкие шаровые краны: объяснение. Когда они действительно необходимы?
Огнестойкие шаровые краны: объяснение. Когда они действительно необходимы?
2025-12-29

В промышленных трубопроводных системах безопасность всегда является первостепенной задачей. Огнестойкий шаровой клапан Огнестойкий шаровой клапан — это специализированный тип клапана, предназначенный для обеспечения герметичности и предотвращения утечек при высоких температурах или в условиях пожара. Хотя внешне он похож на стандартный шаровой клапан, его конструкция и функциональность существенно отличаются. В данной статье представлен подробный анализ принципа работы, сценариев применения и рекомендаций по выбору огнестойких шаровых клапанов. 1. Введение в огнестойкие шаровые краны Огнестойкий шаровой клапан предназначен для работы в условиях пожара или экстремально высоких температур. Его ключевая особенность заключается в способности поддерживать герметичный контакт металла с металлом между шаром и седлом даже при воздействии огня. клапан Седла или уплотнительные элементы повреждаются под воздействием высоких температур, что препятствует утечке рабочей среды. Функции: ● Защита от высоких температур: даже если мягкие уплотнительные материалы расплавятся или сгорят, металлическое уплотнение продолжит функционировать. ● Соответствие международным стандартам: К распространенным стандартам относятся API 607 и ISO 10497. ● Высокая износостойкость: подходит для работы в суровых условиях и с легковоспламеняющимися или взрывоопасными средами. Принцип работы: При нормальных температурах мягкое седло клапана обеспечивает нулевую утечку. Когда температура повышается до точки разрушения мягкого уплотнения, пружина или механизм предварительной нагрузки прижимает шарик к металлическому седлу, обеспечивая герметичность «металл к металлу» и предотвращая утечку среды при высоких температурах или в условиях пожара. 2. Сценарии применения огнестойких шаровых кранов ● Нефтехимическая промышленность и природный газ: В трубопроводах, по которым транспортируются легковоспламеняющиеся или взрывоопасные среды, пожаробезопасный сейф Шаровой клапан может эффективно предотвратить распространение огня через клапан. ● Высокотемпературные технологические системы: В паропроводах, трубопроводах с горячим маслом или высокотемпературным газом, даже если мягкие уплотнительные материалы выйдут из строя из-за нагрева, металлическое уплотнение обеспечит безопасность системы. ● Области применения с высокими требованиями к безопасности: На таких объектах, как нефтеперерабатывающие заводы, химические предприятия и морские платформы, где действуют строгие стандарты безопасности, использование огнестойких шаровых клапанов помогает снизить риск утечек. 3. Различия между огнестойкими шаровыми кранами и стандартными шаровыми кранами ● Уплотнительные материалы: В стандартных шаровых кранах для уплотнения обычно используется ПТФЭ или другие гибкие материалы, которые могут выйти из строя при высоких температурах. В огнестойких шаровых кранах в случае выхода из строя мягкого уплотнения используется металлическое уплотнение. ● Стандарты проектирования: Огнестойкие шаровые краны должны соответст...

Почему многие клиенты удивляются, получая клапаны DERVOS?
Почему многие клиенты удивляются, получая клапаны DERVOS?
2025-12-18

При экспорте промышленных клапанов упаковка часто рассматривается лишь как заключительный этап перед отгрузкой. Однако во время фактической транспортировки упаковка напрямую влияет на общее состояние клапана в процессе перевозки, погрузки и разгрузки, и даже в момент распаковки заказчиком. Для промышленный клапан Для клапанов, подвергающихся транспортировке на большие расстояния и многократным перевалкам, упаковка является неотъемлемой частью обеспечения качества продукции. Основываясь на обширном экспортном опыте, компания DERVOS разработала четкий, стабильный и воспроизводимый стандарт упаковки клапанов, гарантирующий безопасную и безупречную доставку клапанов клиентам. 1. Подготовка к упаковке и проверка продукции. Перед началом процесса упаковки все клапаны проходят очистку, осмотр и проверку соответствия информации о продукте. Этот этап гарантирует, что каждый клапан находится в стабильном и полностью контролируемом состоянии перед упаковкой. ● Удалите масло и смазку с клапан поверхность тела ● Осмотрите уплотнительные поверхности фланца и полость клапана на наличие посторонних предметов. ● Установите и надежно закрепите табличку с названием, чтобы информация о продукте была четкой и легко узнаваемой. Этот процесс обеспечивает надежную основу для последующей защиты и транспортировки. 2. Внутренняя антикоррозионная обработка и защита уплотнительной поверхности. Для обеспечения безопасности в условиях, типичных для экспортных перевозок, клапаны перед упаковкой подвергаются целенаправленной защитной обработке: ● Полость клапана равномерно покрыта антикоррозионным маслом для снижения риска коррозии во влажной или соленой среде. ● На всех поверхностях фланцев установлены защитные кожухи для предотвращения повреждений от ударов или загрязнения во время погрузки и транспортировки. Эти меры гарантируют, что как внутренние компоненты, так и уплотнительные поверхности останутся в исправном состоянии до момента доставки клапанов на объект заказчика. 3. Многослойная внутренняя упаковка и индивидуальная защита клапанов. На этапе внутренней упаковки компания DERVOS применяет многослойную амортизирующую структуру для обеспечения всесторонней защиты каждого клапана: ● По всему периметру и на дне внутренней коробки размещен ударопрочный пенополиэтилен. ● Между клапанами устанавливаются разделители для предотвращения прямого контакта. ● Каждый клапан индивидуально обернут защитным амортизирующим материалом, при этом особое внимание уделяется покрытиям и обработанным поверхностям. Такая конструкция упаковки эффективно снижает риск повреждения лакокрасочного покрытия, истирания и дефектов поверхности во время транспортировки. 4. Индивидуальная настройка перегородок и удобный дизайн. При упаковке нескольких клапанов в один ящик для фиксации каждого из них используются специальные деревянные перегородки. ● Клапаны точно расположены в соответствии со своими размерами, чтобы предотвратить их перемещение внутри ящика. ● Перегородки имеют скошенные края, что облегчае...

Поплавковый шаровой клапан из кованой стали
加载中...

6-дюймовый кованый стальной поплавковый шаровой клапан 150 фунтов, F304 RF API608

  • Оплата:

    30% when order confirmed, 70% before shipment
  • происхождение продукта:

    china
  • Цвет:

    Customization
  • порт доставки:

    Shanghai, China
  • Время упреждения:

    30~60 days Ex Works after order confirmation
  • Material:

    A182 F304
  • Method of Operation:

    handwheel
запрос сейчас
Деталь продукта

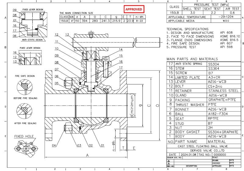
6-дюймовый (150 фунтов) кованый стальной плавающий шаровой клапан изготовлен в соответствии со стандартом API608. Корпус клапана изготовлен из стали A216-WCB. Он обладает следующими конструктивными характеристиками: полный проход, плавающий шар, огнестойкость и антистатичность, шток с защитой от выдувания. Способ соединения – RF. Управление осуществляется с помощью маховика.

Продукт Параметры

Тип

Поплавковый шаровой клапан из кованой стали

Размер

6 дюймов

Давление

150 фунтов

Связь

РЧ

Операция

Маховое колесо

Материал тела

A182 F304

Стандарт проектирования

API 608

Лицом к лицу

ASME B16.10

Размеры фланцевых концов

ASME B16.5

Кодекс испытаний и контроля

API 598

Температура

-29 ~ 120 °С

Применимый носитель

Вода, нефть и газ

Функции

1. Изготовлен из нержавеющей стали F304, обеспечивающей превосходную коррозионную стойкость и долговечность для систем под давлением 150 фунтов.

2. Конструкция с плавающим шариком и фланцем RF, соответствующая стандарту API 608, обеспечивает плавную работу и герметичность.

Технический чертеж

Forged Steel Floating Ball Valve Technical Drawing

Технический чертеж шарового клапана с плавающим шаром из литой стали

Проверка размеров

Forged Steel Floating Ball Valve Dimension Checking

Испытание под давлением

Forged Steel Floating Ball Valve Pressure Testing

Рисование

Forged Steel Floating Ball Valve

Табличка и упаковка

Forged Steel Floating Ball Valve

Отчет об инспекции

Forged Steel Floating Ball Valve Inspection Report Cast Steel Floating Ball Valve Forged Steel Floating Ball Valve Inspection Report Forged Steel Floating Ball Valve Inspection Report

Оставить Сообщение

Если вы заинтересованы в наших продуктах и хотите знать больше деталей,пожалуйста, оставьте здесь сообщение,мы ответим вам как только мы можем.

сопутствующие товары
плавучий шаровой клапан класса 150
алюминиевый бронзовый плавающий шаровой кран 1 дюйм 150 фунтов

1-дюймовый шаровой кран плавающего типа изготовлен из алюминиевой бронзы C95800. Шаровой кран с уменьшенным внутренним диаметром имеет рычажный привод, фланец ВЧ, корпус из двух частей. быстрая деталь тип шаровой кран размер 1" давление ANSI 150 строительство плавающий   шар, корпус из 2 частей, боковой вход, уменьшенное отверстие соединение отбортованный   конец операция рычаг   операция тело   материал алюминий   бронзовый астм b148 c95800 СМИ w.o.g доступные модификации для шарового крана Номинальное давление размер клапана порт и усиление полный порт -материал корпуса, шара, штока, седла, уплотнения, болта и гайки работа клапана (рычаг, коробка передач, пневматический или гидравлический или электрический привод) -конечный тип подключения -доступный удлиненный ствол индивидуальное покрытие & amp; упаковка -модификации дренажного порта упаковка дервосов хорошая упаковка означает хорошее первое впечатление. только представьте, как вы себя чувствуете, когда видите две коробки ниже? и вы узнаете причину, почему в дерво мы так ценим упаковку. в дерво, мы уверены, 1. Каждый клапан чистый и сухой. что мы делаем? очистить клапан перед упаковкой антикоррозионное масло крышка фланца 2. нет повреждений клапанов при доставке. как нам этого добиться? закрепить клапан железной проволокой -разделить клапан мягким материалом клапан с фанерой Коробка 3.strong и ясный знак перевозкы груза

двухкомпонентный литой стальной шаровой кран
литой шаровой кран из 2-х частей, 4-дюймовый ключ класса 150

тип 2 части плавающий шаровой кран имеет полный порт, пожаробезопасную конструкцию, противовыбросовый шток, фланец ANSI 150 и рычаг. Шаровой кран из углеродистой стали оснащен корпусом w216 a2, штоком и шаром f316, мягким седлом ptfe. быстрая деталь тип шаровой кран размер 4" давление 150 фунтов строительство плавающий тип   шар, корпус из двух частей, полнопроходной соединение поднятый   конец лицевого фланца операция гаечный ключ   операция тело   материал литая сталь   WCB отделка   материал ss316 & ptfe стандарт дизайна API 6D давление   & Amp; временный код Asme B16.34 лицом к лицу Asme B16.10 конец   соединение ASM B16,5 осмотр   код API 6D температура   спектр -29 ℃ ~ + 125 ℃ СМИ вода, масло   и газ материал & amp; измерение нет Наименование углерод   стали астме нержавеющий   стали астме WCB LCB CF8 CF8M cf3 CF3M 1 тело A216 WCB a352 lcb a351 cf8 a351 cf8m a351 cf3 a351 cf3m 2 гайка капота а194 2ч а4 4 а194 8 3 болт капота а193 б7 а320 л7 а193 б8 4 шапка A216 WCB a352 lcb a351 cf8 a351 cf8m a351 cf3 a351 cf3m 5 прокладка ss спиральная рана / графит или   ss спиральная рана / ptfe 6 мяч a105 / ep.cr или f6 а182 ф6 a351 cf8 a351 cf8m a351 cf3 a351 cf3m 7 кольцо сиденья rptfe или pom 8 маленькая весна нержавеющая сталь 9 небольшой мяч a182 f304 a182 f316l 10 стебель а182 ф6 а182 ф6 A182 F304 a182 f316 а182 ф304л a182 f316l 11 седло птфэ 12 набивка стволов ПТФЭ или графит 13 железа а182 ф6 A182 F304 a182 f316 а182 ф304л a182 f316l 14 сальник болт а193 б7 а193 б8 15 фланец A216 WCB a351 cf8 16 позиционная пластина стали 17 wrentch A216 WCB материал   в соответствии со стандартом astm класс 150 дп мм 15 20 25 40 50 65 80 100 150 200 250 аэс в 0,5 0,75 1 1,5 2 2.5 3 4 6 8 10 L (РЧ) мм 108 117 127 165 178 191 203 229 394 457 533 в 4,25 4,6 5 6,5 7 7,5 8 9 15,5 18 21 l1 (Мт) мм 140 152 165 190 216 241 283 305 457 521 559 в 5,5 6 6,5 7,48 8,5 9,5 11,13 12 18 +20,5 22 l2 (RTJ) мм 119 129,7 139,7 178 191 203 216 241 406 470 546 в 4,69 5,11 5,5 6,9 7,5 8 8,5 9,5 16 18,5 +21,5 час мм 66 74 87 105 132 152 182 215 250 285 495 в 2,6 2,9 3,48 4,2 5,28 6,08 7,28 8,6 10 11,4 +19,5 делать (ж) мм 130 130 160 230 400 400 600 850 1100 1500 * 350 в 5,1 5,11 6,3 9 15,74 15,74 23,62 33,46 43,3 59 13,8 РЧ (кг) & ЕПРС; 2,3 3 4.5 7 15 20 25 40 97 160 240 м.т. (кг) & ЕПРС; 2,0 2.5 3,8 5,8 12 17 21 36 92,8 154 227 * работает червячная передача или электрический привод специальные тесты инспекции В дополнение к регулярным гидравлическим испытаниям и воздушным испытаниям dervos также может проводить специальные испытания в соответствии с требованиями клиентов, такие как pt-тест, rt-тест, ut-тест, криогенный тест, тест на низкую утечку, тест на огнестойкость, тест на твердость и т. д. ,

шаровый кран dn100 wcb
шаровый кран din-dn100 pn16 wcb плавающий шаровой нагревательный кожух

шаровой кран DIN с полными порами РЧ с плавающей точкой огнезащитный антистатический рычаг Корпус wcb a105 + шарик enp 17-4ph шток f304 + седло ni55 x750 пружинная сварка фланца нагревательная рубашка dn100 pn16 быстрая деталь тип шаровой кран размер DN100 Расчетное давление PN16 строительство плавающий шаровой кран тип соединения выступающий фланец operationtype рычаг материал корпуса WCB ballmaterial A105 + ni60 материал ствола 17-4PH seatmaterial F304 + ni55 код проекта en12516-1 измерение лицом к лицу en558-1 конец соединения en1092-1 b1 давление & amp; температура en12266 средний вода, нефть и газ происхождения Китай

производитель шаровых кранов API 6D
api 6d плавающий шаровой кран 2 дюйма 600 фунтов расширенный шток a105

Шаровой кран API 6D разработан с удлиненный шток для специального использования, например, подземный шаровой кран или низкая температура применение. длина расширенного стебля может быть настроена в соответствии с клиентом запрос. быстрая деталь тип шаровой кран размер 2 дюйма давление класс 600 строительство Трещина   корпус, боковой вход, плавающий тип, пожаробезопасная конструкция, антистатическая система,   противовыбросовый шток, удлиненный капот соединение рф фланец режим работы рычаг материал корпуса a105n отделочный материал шарик и шток ss304, сиденье rptfe дизайн & amp; производство API 6D давление & amp; временный код Asme B16.34 концы с концами Asme B16.10 конец соединения ASM B16,5 осмотр API 6D,   API 598 диапазон температур -29 ℃ ~ 200 ℃ средний масло,   вода, газ КК процесс в дерво осмотр отливки : мы может выяснить проблему с сырьем, например, плохое литье, неквалифицированное толщина стен, химический состав и т. д., которые гарантируют, что вы не будете быть обманутым механическая проверка: -Обеспечение точность обработки -найти как можно раньше избавиться от ошибки обработки, чтобы выиграть больше времени на ремонт, переделка Окончательная проверка: -финал инспекционной деятельности включает документ и контрольную запись обзор, визуальный осмотр, проверка размеров, опрессовка, окраска и упаковка чек об оплате - сэкономьте время и деньги: вам не нужно приходить и проверять лично и все документы могут быть предоставлены в качестве доказательства. отчет о проверке будет предоставляется бесплатно, в том числе: -en 10204 3.1 сертификат испытаний мельницы -инспекционный отчет, показывающий весь процесс проверки

 шаровой кран из кованой стали a105 npt
кованая сталь dn25 pn100 шаровой кран n105 npt

dn25 pn100 кованая сталь a105 npt соединительный путь 2 шт. конструкция полнопористый рычажный механизм плавающий шар корпус и крышка a105 шарик a182 f304 седло ptfe стержень a182 f304 уплотнительное кольцо стержень уплотнение из витона уплотнение из графитового сальника конструкция из нержавеющей стали и изготовление asme b16.34 лицом к дизайн лицевой стороны изготовление стандартное изготовление стандартные винты и размеры ansi b1.20.1 проверка и испытание api598 конструкция пожарной безопасности api 607 быстрая деталь тип шаровой кран размер DN25 давление PN100 строительство 2 куска соединение нтр режим работы рычаг материал корпуса A105 обложка A105 дизайн & amp; производство Asme B16.34 концы с концами Asme B16.10 конец соединения ansi b1.20.1 осмотр API 598 диапазон температур -29 ℃ ~ + 538 ℃ средний нефть, вода, газ

Пять тысяч двести один
2 шт плавающий шаровой кран wcb 150 фунтов 4 дюйма с уменьшенным отверстием

Двухсекционный плавающий шаровой кран, изготовленный в соответствии с API 6a, имеет конструкцию с уменьшенным отверстием, пожаробезопасную конструкцию, противовыбросовый шток. с седлом rptfe и уплотнительным кольцом ptfe, 4-дюймовый клапан wcb является сертификатом для вас.

Пять тысяч двести один
В JIS 2 части плавая шариковый клапан РЧ×ДНР 25А 16К

Этот шариковый клапан, разработанный в соответствии с ASME в16.34, располагает двумя различными способами соединения--одна сторона для РФ и другой стороной договора. Клапан с плавающим шаром, PTFE сиденье, тело scs13 ПК и другие функции имеет превосходное проведение запечатывания.

Пять тысяч двести один
2-дюймовый 600 фунтов шаровой клапан клапан api6d РФ полный проход 2 шт тип

Кованой стали шаровой клапан изготовлен из А105 тела и 17-4ph с отделкой взыскать конец фланца и работы рычага. Этот плавая шариковый клапан особенности надежное уплотнение производительность и простота в эксплуатации.

Пять тысяч двести один
Из нержавеющей стали 2 шт тип шариковый клапан 1-1/2 дюйма 800lb задерживающего

Изготовлен из F316, плавая шариковый клапан конструирован в соответствии кода на Асме Б16.34. Клапан состоит из двух частей Тело, плавая шарик, рычаг управления, с хорошим надежное проведение запечатывания и небольшой крутящий момент.

Кованый стальной плавающий шаровой кран
Корпус плавающего шарового крана из кованой стали DN25 PN16 ASTM ISO 17292

Кран с плавающим шаром из кованой стали DN25 PN16 изготовлен в соответствии со стандартом ISO17292. Корпус клапана изготовлен из стали ASTM-A105. Он имеет разъемный корпус, плавающий шар, полнопроходной, огнестойкий, антистатичный, с противовыбросовым штоком. Тип соединения – армированный (RF). Управление осуществляется маховиком.

Пять тысяч двести один
1 дюйм трехкомпонентный ручной шаровой кран полнопроходной

изготовленный из CF8M, 2-х компонентный клапан разработан в соответствии с ASME B16.34. смешанный с 15 процентов стекловолокна, RPTFE седло клапана более пригодно для работы при высоких температурах и коррозионных условиях.

Пять тысяч двести один
Фланцевое концевой шаровой кран, ASTM A350 LF6, CL600, 1 / 2 Дюйм, из двух частей

китай Фланцевые концевой шаровой кран Производитель, Dervos предлагает Фланцевые концевой шаровой кран, ASTM A350 LF6, класс 600, 1 / 2 Дюймовая, двухкомпонентная, ковка, API 608, bs 5351, ASME B16.34.

оставьте сообщение

    Если вы заинтересованы в наших продуктах и хотите знать больше деталей,пожалуйста, оставьте здесь сообщение,мы ответим вам как только мы можем.

Главная

Продукция

около

контакт