русский

русский

Get a Quote
Продукция

Горячие продукты

новости компании

Являются ли задвижки полнопроходными?
Являются ли задвижки полнопроходными?
2026-03-13

В промышленных трубопроводных системах задвижки обычно считаются запорными клапанами с низким сопротивлением. Когда клапан полностью открыт, затвор полностью отводится от пути потока, позволяя жидкости проходить через него с минимальным препятствием. Однако, со строгой инженерной точки зрения, не все задвижки относятся к полнопроходным клапанам. Если диаметр седла равен или очень близок к внутреннему диаметру трубопровода, поток практически не испытывает сопротивления. В этом случае клапан можно считать полнопроходным (или почти полнопроходным). Такая конструкция широко используется в нефтегазопроводах, системах водоснабжения и других областях, где требуется низкое падение давления. Если диаметр седла клапана немного меньше внутреннего диаметра трубы, внутри клапана возникнет незначительное ограничение потока. В таких случаях более точным описанием клапана является клапан с уменьшенным диаметром. Такая конфигурация чаще встречается в клапанах меньших размеров или оптимизированных по стоимости. клапан дизайны. В инженерной практике можно применить простую логику выбора: ● Если система требует минимального сопротивления потоку или очистки трубопровода с помощью поршня, диаметр отверстия клапана должен соответствовать диаметру трубопровода. ● Если клапан используется для общего запорного режима, большинство стандартных задвижек уже могут обеспечить требуемую пропускную способность. Таким образом, можно сделать краткий вывод: Задвижки, как правило, имеют конструкцию, близкую к полнопроходной, но является ли она действительно полнопроходной, зависит от того, совпадает ли диаметр седла с внутре

Монтаж шаровых кранов большого диаметра
Монтаж шаровых кранов большого диаметра
2026-03-09

Большой диаметр шаровой клапан Клапаны широко используются в таких отраслях, как нефтехимическая промышленность, энергетика, транспортировка грузов по трубопроводам на большие расстояния и крупномасштабные системы водоочистки. Неправильная установка может привести к протечкам, заклиниванию клапанов или повреждению конструкции из-за напряжений. Поэтому для обеспечения долгосрочной стабильной работы крайне важны правильные методы установки. 1. Предварительная проверка перед установкой Если предварительная проверка перед установкой недостаточна, вероятность возникновения эксплуатационных сбоев во время эксплуатации возрастает. В первую очередь, осмотрите корпус клапана на наличие повреждений при транспортировке. Если на корпусе клапана или уплотнительных поверхностях обнаружены царапины, следы ударов или деформации, установку следует прекратить и связаться с поставщиком. Далее проверьте модель клапана, номинальное давление и стандарты подключения. Если расчетное давление системы не соответствует классу давления клапана, могут возникнуть риски для безопасности эксплуатации. Например, если в трубопроводной системе высокого давления по ошибке используется клапан низкого давления, корпус клапана может подвергнуться пластической деформации под воздействием гидравлического удара. Также необходимо проверить состояние поверхности шара и уплотнительных колец. При наличии царапин на поверхности шара эффективность герметизации снизится. Это особенно важно в газотранспортных системах, где микроутечки более вероятны. 2. Инструкция по установке На шаровых кранах большого диаметра обычно имеется маркировка направления потока. При неправильном направлении установки могут возникнуть следующие проблемы: Если направление потока жидкости совпадает с расчетным направлением, рабочий крутящий момент останется более стабильным. Если клапан установлен в обратном направлении, шток может испытывать повышенную механическую нагрузку, что ускорит износ штока при длительной эксплуатации. Для двустороннего двойного уплотнения шаровой клапан Хотя двунаправленный поток допускается, для обеспечения более равномерного распределения герметизирующего напряжения все же рекомендуется установка в соответствии с указанным направлением потока. В высокотемпературных или паровых системах неправильное направление установки может привести к ускорению старения уплотнительного кольца из-за теплового расширения. 3. Контроль напряжений в трубопроводе Шаровые краны большого диаметра тяжелые. При установке без надлежащей опоры дополнительные изгибающие моменты могут передаваться на фланцевые соединения. При осевом смещении трубопроводов необходимо установить опоры для сегментированной фиксации. Без опорных конструкций корпус клапана может подвергаться длительной гравитационной растягивающей нагрузке, что в конечном итоге приведет к нарушению герметичности фланца. Как правило, рекомендуется устанавливать независимые опоры с обеих сторон шаровых кранов большого диаметра. Если трубопроводная система подв...

Объединим силы, создадим будущее вместе — Ежегодное грандиозное мероприятие Dervos успешно завершилось.
Объединим силы, создадим будущее вместе — Ежегодное грандиозное мероприятие Dervos успешно завершилось.
2026-03-02

В этом году ежегодная конференция в Дервосе прошла заметно масштабнее и лучше организована, чем в предыдущие годы. На утреннем заседании каждый департамент представил свой годовой отчет о работе, в котором были рассмотрены ключевые проекты. и достижения за прошедший год. Команды также открыто делились информацией о достижениях за прошедший год. возникшие проблемы в течение выполнение а также практический опыт, приобретенный в процессе работы. Благодаря этому межведомственному обмену все лучше поняли друг друга. распределение обязанностей и организация рабочих процессов, закладывая более прочную основу для будущего сотрудничества и общения. Во второй половине дня состоялось вручение наград «Выдающийся сотрудник». Каждый номинант был отмечен наградой. поделились своими достижениями в работе и практический опыт, демонстрирующий сильное чувство Ответственность и выполнение обязанностей на разных должностях. Именно такой проактивный подход, дух сотрудничества и практичный стиль работы являются залогом успеха. из Сотрудники компании Dervos, которые неуклонно ведет команду к достижению общих целей. Приходить вовремя каждый день в течение всего года — это уже большое достижение. Иэн... теперь получил Награда за безупречную посещаемость в течение двух лет подряд. В ходе ежегодной конференции компания Dervos также вручила медали и эксклюзивные памятные сувениры. подарки для сотрудники, отработавшие пять лет. Дервос Компания высоко ценит долгосрочную преданность и неизменную самоотдачу своих сотрудников, и Искренне ценит доверие и вклад, которые они вносили на протяжении многих лет. Для многих в Дервосе это... Ком

Пять тысяч двести один
加载中...

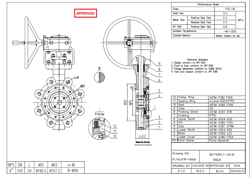
4-дюймовый поворотный затвор на 150 фунтов, RF LCC API609

  • Оплата:

    30% when order confirmed, 70% before shipment
  • происхождение продукта:

    China
  • Цвет:

    Customization
  • порт доставки:

    Shanghai, China
  • Время упреждения:

    30~60 days Ex Works after order confirmation
  • Material:

    ASTM A352 LCC
  • Method of Operation:

    no
запрос сейчас
Деталь продукта

4-дюймовый поворотный затвор на 150 фунтов изготовлен в соответствии со стандартом API609. Тип соединения – RF (радиально-поступательное).

Параметры продукта

Тип

Запорный клапан типа "бабочка" с креплением на выступе

Размер

4 дюйма

Давление

150 фунтов

Связь

РЧ

Материал тела

ASTM A352 LCC

Стандарт проектирования

API 609

Лицом к лицу

API 609

Размеры фланца

ASME B16.5

Кодекс испытаний и контроля

API 598

Температура

-40~ 120 °С

Применимый носитель

Вода, пар, нефть и т. д.

Функции

1. Конструкция с выступами обеспечивает легкую установку между фланцами и поддерживает трубопровод, расположенный ниже по потоку, во время технического обслуживания.

2. Изготовлен из углеродистой стали LCC, рассчитан на нагрузку 150 фунтов с фланцем RF и соответствует стандарту API 609, что обеспечивает надежное уплотнение и долговечность.

Технический чертеж

lug Butterfly Valve

Проверка размеров

Lug Butterfly Valve

Испытание под давлением

Lug Butterfly Valve

Спектр

Lug Butterfly Valve

Отчет об инспекции

Lug Butterfly Valve Lug Butterfly Valve Lug Butterfly Valve Lug Butterfly Valve

Оставить Сообщение

Если вы заинтересованы в наших продуктах и хотите знать больше деталей,пожалуйста, оставьте здесь сообщение,мы ответим вам как только мы можем.

сопутствующие товары
высокопроизводительный дроссельный клапан ss
двухдисковый высокопроизводительный дроссельный клапан cf8m 3 дюйма

Высокопроизводительный дроссельный клапан с двойным смещением, с рычажным управлением и корпусом с проушинами, рассчитан на API 609. Корпус cf8m и дроссельный клапан из седла ptfe более долговечны в обслуживании. быстрая деталь тип бабочка   клапан размер 3 '' Расчетное давление 150lb строительство двойной   мягкое сиденье тип соединения тащить операция гаечный ключ   управляемый код проекта апи   609 лицом к лицу asmeb16.10 конец соединения asmeb16.5 тест & amp;   осмотр апи   598 материал корпуса нержавеющий   сталь CF8M диапазон температур -29 ℃ ~ 150 ℃ + применение вода,   нефтяной газ измерение класс 150 дп мм 40 50 65 80 100 125 150 200 250 300 350 400 аэс в 1 1/2 2 2 1/2 3 4 5 6 8 10 12 14 16 L мм & ЕПРС; & ЕПРС; & ЕПРС; 127 127 127 127 152 203,2 203,2 203,2 203,2 в & ЕПРС; & ЕПРС; & ЕПРС; 5 5 5 5 6 8 8 8 8 l1 мм 38,1 46 50,8 48 54 63,5 57 63,5 71,5 81 92 101,5 в 1,5 1,81 2 1,88 2,13 2.5 2,25 2.5 2,81 3,19 3,62 4 час мм 185 190 220 229 239 252 284 307 337 392 435 481 в 7328 7,48 8,7 9 9,4 9,9 11,2 12 13,3 15,4 17,1 19 д (ж) мм 160 160 160 160 160 160 160 200 200 250 250 300 в 6,3 6,3 6,3 6,3 6,3 6,3 6,3 7,9 7,9 9,8 9,8 11,8 Вес (кг) мм & ЕПРС; & ЕПРС; & ЕПРС; 12,5 13,5 17 38 72 105 148 182 230 в 8 9 10 10 11 14,5 34,2 66 98 134 168 200 связанные знания Что такое высокоэффективный дроссельный клапан? высокоэффективный дроссельный клапан часто конструируется с двойным смещением и седлом ptfe, чтобы обрабатывать все, от общего применения до вязких и агрессивных жидкостей; едкие газы и пар. по сравнению с концентрическим дроссельным клапаном с упругим седлом диск высокоэффективного дроссельного клапана расположен и расположен от центра отверстия трубы, что может снизить износ клапана во время работы и повысить эффективность уплотнения. В заключение, высокоэффективный дроссельный клапан применим для применений с более высоким давлением и температурой. Между тем, он имеет более длительный срок службы и лучшую герметизирующую способность

высокопроизводительный дроссельный клапан
высокоэффективный поворотный поворотный затвор типа wcb

Высокопроизводительный дроссельный клапан имеет конструкцию с двойным эксцентриком или двойным смещением. Клапан имеет литой стальной корпус wcb, диск из нержавеющей стали и шток вместе с мягким седлом rptfe. быстрая деталь тип бабочка   клапан номинальный размер 6 дюймов номинальный   давление класс 150 структура двойное смещение,   двойной эксцентрик, мягкое сиденье соединение   тип тип наконечника операция управляемый механизмом код проекта API 609 лицом к лицу Asme B16.10 конец соединения Асме 16,5 тест & amp;   осмотр API 598 материал корпуса литой стали WC отделочный материал диск cf8m,   17-4ph ствол, сиденье rptfe применение вода, масло,   газ акт осмотра дервоса

Пять тысяч двести один
Высокая производительность 150 фунтов двойным эксцентриситетом клапан-бабочка вафли

3-дюймовый клапан-бабочка 150 фунтов имеет двойной смещения диска, что позволяет диску сдвинуться с места снижения крутящим моментом и пристегиваться. Тип вафли клапан может управляться коробка передач и маховик или с помощью электрического, пневматического или гидравлического привода.

Двустворчатый клапан
12" 300LB Высокопроизводительный клапан-бабочка с двойным эксцентриком API609

12-дюймовый дисковый затвор 300LB изготовлен в соответствии со стандартом API 609. Корпус клапана изготовлен из WCB. Он имеет структурные характеристики высокой производительности и двойного эксцентрика. Его работа - работа турбины, а набивка - графит.

Клапан-бабочка с металлическим седлом и тройным эксцентриситетом C95500
DN900 150LB C95500 Турбинный дисковый затвор с тройным эксцентриситетом и металлическим седлом

Дисковый затвор с металлическим седлом и тройным эксцентриситетом DN900 150LB изготовлен в соответствии со стандартом API 609. Корпус затвора изготовлен из материала C95500. Он имеет конструктивные характеристики: тройной эксцентриситет, двунаправленный, равное давление, нулевая утечка. Тип соединения – двухфланцевое соединение FF. Клапан работает в турбинном режиме.

кованый стальной шаровой клапан astm a105
шаровой клапан из кованой стали 1 дюйм, 800 фунтов, резьбовое руководство

1-дюймовый 800-фунтовый резьбовой клапан с внутренней резьбой имеет пробку, уменьшенный порт и ручное управление маховиком. Клапан изготовлен из корпуса A105N и трима 5 согласно API 602. быстрая деталь тип земной шар   клапан размер 1 '' давление учебный класс   800 строительство болтовой   капот, уменьшенный порт, внешний вид и усилитель; иго тип соединения нтр   внутренняя резьба operationtype маховик   управляемый код проекта апи   602 концы с концами   измерение как я   B16.10 соединение как я   B1.20.1 давление & amp;   температура как я   B16.34 тест & amp;   осмотр апи   598 материал корпуса кованый   сталь а105 trimmaterial 13Cr + стеллит диапазон температур -29 ℃ ~ + 427 ℃ применение вода,   нефтяной газ происхождения Китай ассортимент продукции1. размер до 4 дюймов2. расчетное давление от 150 до 2500 фунтов3. соединение: фланец, раструб, сварка, резьба4. операция: маховик, коробка передач, голый шток, с приводами5. Материал корпуса: углеродистая сталь, нержавеющая сталь, легированная сталь6. Трим материал: отделка 1, 5, 8, 10, 12, 16 и т. Д.7. Болтовая крышка, герметичная крышка, приваренная крышка, крышка с резьбой8. уменьшенное отверстие, полное отверстие отчеты об инспекцияхВместе с каждым заказом dervos предоставит отчеты об инспекциях и протоколы испытаний материалов бесплатно после отправки. Все эти сертификаты позволят вам получить четкое представление о процессе и результатах проверки. Кроме того, эти отчеты могут быть использованы для отслеживания.

Задвижка из кованой стали
Задвижка из кованой стали 1-1/2" 150 фунтов RF A105N API602

Задвижка из кованой стали диаметром 1-1/2 дюйма и грузоподъемностью 150 фунтов изготовлена в соответствии со стандартом API 602. Корпус задвижки изготовлен из стали ASTM A105N. Она имеет следующие конструктивные особенности: уменьшенный диаметр, сплошной клин, болтовое крепление крышки. Способ соединения – RF (радиально-натяжное). Управление осуществляется с помощью маховика.

обратный клапан
однодисковый вафельный обратный клапан 6 дюймов 150 фунтов

6-дюймовый 150-фунтовый однодисковый межфланцевый обратный клапан,, разработанный в соответствии с API 594,, имеет один диск и межфланцевое соединение., он будет иметь наилучшие рабочие характеристики при температуре от -29 до 350 градусов Цельсия.

Задвижка
API литая сталь NPS 8 Class150 Задвижка OSY Маховик

Dervos является производителем промышленных задвижек из литой стали по стандарту API 600 в Китае. Наши задвижки из нержавеющей стали, задвижки из углеродистой стали и задвижки из легированной стали доступны во всех конфигурациях трима.

Плавающий шаровой клапан
Кованая сталь, плавающий шаровой кран 2 дюйма, 1000WOG, API608, рычаг, BW, корпус из нержавеющей стали 304

2-дюймовый плавающий шаровой кран 1000WOG изготовлен в соответствии со стандартом API608. Корпус клапана изготовлен из A182 F304. Он имеет структурные характеристики полнопроходного, плавающего шара и трехсекционного типа. Режим соединения - BW. И он имеет режим работы рычага. .

Задвижка кованая стальная DN25 PN40
Задвижка кованая стальная DN25 PN40 ASTM A105N EN1092-1 B HW

Задвижка кованая стальная DN25 PN40 изготовлена в соответствии со стандартом BS 5352. Корпус задвижки изготовлен из стали ASTM A105N. Она имеет следующие конструктивные особенности: суженный проход, сплошной клин, BB и O,S&Y. Тип соединения – EN1092-1 B. Управление осуществляется с помощью маховика.

Пять тысяч двести один
Клапан выпуска воздуха DN80 PN10 EN1092-1 QT450 CJ/T217-2005

Клапан выпуска воздуха DN80 PN10 изготовлен в соответствии с CJ/T217-2005. стандарт. Корпус клапана изготовлен из QT450. Его режим подключения — EN1092-1.

оставьте сообщение

    Если вы заинтересованы в наших продуктах и хотите знать больше деталей,пожалуйста, оставьте здесь сообщение,мы ответим вам как только мы можем.

Главная

Продукция

около

контакт