русский

русский

Get a Quote
Продукция

Горячие продукты

новости компании

What are the differences between globe valves and gate valves?
What are the differences between globe valves and gate valves?
2025-12-12

In industrial piping systems, globe valves and gate valves are two of the most commonly used shutdown valves. Although both are designed for starting and stopping fluid flow, they differ significantly in structural design, operating principles, application scenarios, and overall performance. Understanding these differences helps engineers make informed selections that ensure system efficiency, reliability, and cost-effectiveness.   I. Key Differences in Structure and Operating Principles   1. Different opening and closing mechanisms Globe Valve: The disc moves up and down along a path perpendicular to the flow direction. Shutoff is achieved when the disc and seat sealing surfaces come into full contact. Gate Valve: The gate moves vertically in a manner similar to a “gate” that is either fully open or fully closed, with sealing achieved through surface compression.  This means that globe valves are suitable for precise throttling, while gate valves are mainly used for full open or full shut service.   2. Flow path design differences A globe valve has an S-shaped flow path that forces the medium to change direction, resulting in higher flow resistance. A gate valve features a straight-through flow path with minimal resistance and low pressure drop, making it better suited for long-distance transmission.   II. Differences in Application Scenarios   1. Throttling vs. On/Off Service Globe valves can be used for throttling and flow regulation, making them suitable for applications requiring high sealing performance and precise flow control, such as steam, cooling water, and various process media.   Gate valves are not suitable for throttling, as operating them in a partially open position may cause gate vibration, damage to the sealing surfaces, and fluid-induced impact. Gate valves are ideal for large-diameter pipelines where low flow resistance is required and switching frequency is relatively low, including oil transportation, water supply and drainage, and power plant systems.   2. Size range and installation space Globe valves are generally used in small to medium sizes (more common below DN50). Their body structure is heavier and requires more installation space. Gate valves are suitable for medium to large sizes. Due to their simpler design, they offer a cost advantage in larger dimensions.   III. Sealing Performance and Pressure Ratings   1. Differences in sealing surface design The globe valve features a tapered sealing surface, which achieves tight shutoff through axial compression, making it easier to obtain reliable sealing performance. The gate valve uses either parallel or wedge-type sealing surfaces. Its sealing effectiveness depends largely on the pressure applied by the gate and is more influenced by the system’s medium pressure.   2. Pressure and temperature adaptability Both valve types are suitable for medium- to high-pressure and high-temperature applications....

Основные международные стандарты для поворотных затворов: подробный обзор API 609, ISO 5752 и JB/T 8527
Основные международные стандарты для поворотных затворов: подробный обзор API 609, ISO 5752 и JB/T 8527
2025-12-05

Дроссельный клапан Задвижки-поворотные механизмы широко используются в промышленных трубопроводных системах благодаря своей компактной конструкции, малому весу и быстроте срабатывания. Они широко применяются в водоочистке, химической, энергетической, нефтегазовой отраслях. Однако при работе с промышленными стандартами разных стран и регионов выбор поворотного затвора, соответствующего соответствующим спецификациям, имеет решающее значение. В данной статье представлен подробный анализ требований к проектированию и выбору поворотных затворов на основе трех ключевых стандартов: API 609, ISO 5752 и GB/T 12238. 1. API 609 — Стандарт Американского института нефти API 609 Это стандарт Американского института нефти (API) для дисковых затворов с металлическим уплотнением, используемых в основном в нефтегазовой и химической промышленности. Стандарт определяет конструкцию, материалы, размеры и номинальные значения давления клапанов для обеспечения надежной работы в условиях высоких температур, высокого давления и агрессивных сред. Ключевые моменты включают: ● Номинальные значения давления: Рассматриваются вагоны классов от 150 до 1500, подходящие для различных условий эксплуатации. ● Конструкция корпуса и диска: Для обеспечения герметичности "металл к металлу" необходимо точное выравнивание диска и седла, чтобы предотвратить утечку при высоких температурах или высоком давлении. ● Испытания и проверка: Включает в себя испытания корпуса, испытания на герметичность седла и проверки эксплуатационных характеристик для обеспечения безопасности и надежности клапана. Для трубопроводов, по которым транспортируются высокотемпературный пар или нефть и газ под высоким давлением, выбор поворотного затвора, соответствующего стандарту API 609, может значительно снизить риск утечек и продлить срок службы оборудования. 2. ISO 5752 — стандарт Международной организации по стандартизации. ISO 5752 — это стандарт Международной организации по стандартизации (ISO), определяющий торцевые размеры и размеры фланцевых соединений для клапанов. Он определяет межосевые размеры, размеры фланцев и способы соединения для поворотных затворов, обеспечивая согласованные технические характеристики интерфейса для промышленных пользователей по всему миру. Ключевые моменты включают: ● Размеры при личном контакте: Указывает длину клапанов для различных номинальных диаметров, чтобы обеспечить совместимость с трубопроводными системами. ● Размеры фланца: Обеспечивает соответствие клапанов международным стандартам трубопроводной арматуры, таким как фланцы ANSI или DIN. ● Взаимозаменяемость: Запорные вентили типа «бабочка», разработанные в соответствии со стандартом ISO 5752, могут быть заменены или обслужены в любом регионе без перепроектирования интерфейса трубопровода. Стандарт ISO 5752 особенно подходит для многонациональных инженерных проектов, обеспечивая универсальность дисковых затворов на различных установках и в различных системах. 3. JB/T8527 — Китайский национальный стандарт JB/T8527 — это ...

Как предотвратить утечку обратного клапана и обеспечить надлежащую герметичность
Как предотвратить утечку обратного клапана и обеспечить надлежащую герметичность
2025-11-27

Обратные клапаны часто считаются самыми «тихими», но при этом важными компонентами трубопроводной системы. Их основная функция — предотвращение обратного потока и защита насосов, компрессоров и обеспечение общей стабильности системы. Однако в реальных условиях эксплуатации ненадлежащая герметичность, обычно называемая «протечкой», является одной из самых частых и неприятных проблем, возникающих при эксплуатации обратных клапанов. Негерметичность обратного клапана может снизить эффективность системы, вызвать колебания давления, гидравлический удар и даже повредить критически важное оборудование. В этой статье рассматриваются технические причины протечек через обратный клапан и предлагаются практические методы диагностики и устранения, которые помогут вам быстро выявить и устранить проблемы с герметичностью даже в сложных условиях эксплуатации. . 1. Почему обратный клапан не закрывается должным образом? Объяснение распространённых причин 1. Наличие частиц или твердых примесей в среде Твердые частицы могут попасть между диском и седлом, что приведет к невозможности полного контакта и возникновению незначительной или даже заметной утечки. Типичные признаки включают в себя: ● Значительная утечка при небольших открытиях ● Утечка уменьшается после очистки 2. Износ диска или повреждение седла Частые циклы, агрессивные среды или высокоскоростной поток могут привести к износу уплотнительных поверхностей, что приведет к появлению царапин, выбоин или деформации. Эта проблема особенно распространена в высокотемпературных паровых системах. 3. Неправильное направление установки или недостаточный угол наклона Хоть это и может показаться простой ошибкой, неправильная установка все еще встречается на многих рабочих площадках. Поскольку обратные клапаны в значительной степени зависят от силы тяжести и направления потока, неправильная установка не позволит диску плавно возвращаться в закрытое положение. 4. Скорость потока слишком низкая для создания достаточного перепада давления. Обратный клапан открывается потоком жидкости. При слишком низком расходе диск может вибрировать или не закрываться полностью, что приводит к утечке. Распространенные сценарии включают в себя: ● Недостаточная длина прямой трубы ● Частый запуск/остановка насоса ● Плохо спроектированные системы с низким расходом 5. Заедание диска или нарушение плавной работы шарнирного механизма. В поворотный обратный клапан Ржавчина, коррозия или недостаток смазки на штифте петли или соединении диска могут стать причиной заедания, препятствующего полному закрытию. 6. Термическая деформация уплотнительных поверхностей из-за колебаний температуры В условиях высоких температур, например, при работе с паром, тепловое расширение и сжатие могут слегка деформировать уплотнительные поверхности, что приводит к несовершенству уплотнения. 2. Как быстро определить, закрывается ли обратный клапан должным образом? 1. Аномальные показания манометра Если давление на входе остается стабильным, а давление на выходе постепенно...

Задвижка из кованой стали
加载中...

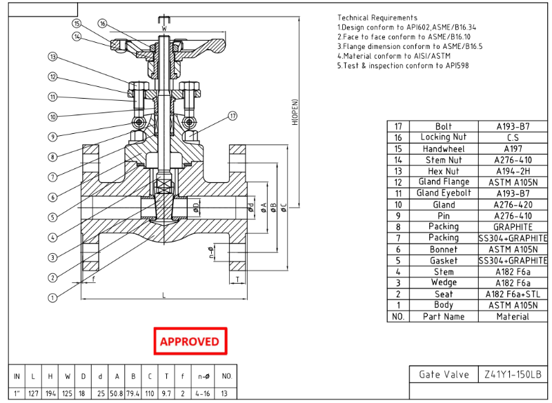
Задвижка 1”150LB из кованой стали A105N API602 ASME B16.34 RF

Задвижка 1”150LB из кованой стали изготовлена в соответствии со стандартами API602 и ASME B16.34. Корпус задвижки изготовлен из стали ASTM A105N. Конструкция задвижки: крышка на болтах, цельный клин. Тип соединения – армированный (RF). Управление – маховик.

  • Оплата:

    30% when order confirmed, 70% before shipment
  • происхождение продукта:

    china
  • Цвет:

    Customization
  • порт доставки:

    Shanghai, China
  • Время упреждения:

    30~60 days Ex Works after order confirmation
  • Material:

    ASTM A105N
  • Method of Operation:

    ASTM A105N
запрос сейчас
Деталь продукта

Описание продукта

Тип

Задвижка из кованой стали

Размер

1”

Давление

150 фунтов

Связь

РФ

Материал корпуса

ASTM A105N

Норма дизайна

ASME B16.34

Лицом к лицу

ASME/B16.10

Размер фланца

ASME/B16.5

Код испытаний и проверок

API 598

Температура

-29 ~ 425 °С

Применимая среда

Вода, нефть и газ

Функции

1. Изготовлены из углеродистой стали A105N, обеспечивающей высокую прочность и надежную работу систем под давлением 150 фунтов.

2. Задвижка с фланцем RF, соответствующая стандартам API 602 и ASME B16.34, обеспечивает надежную перекрытую подачу и простоту монтажа в промышленных трубопроводах.

Технический рисунок

Forged Steel Gate Valve

Проверка размеров

Forged Steel Gate Valve

Испытание под давлением

Forged Steel Gate Valve

Паспортная табличка и упаковка

Forged Steel Gate Valve

Отчет о проверке

Forged Steel Gate Valve Forged Steel Gate Valve Forged Steel Gate Valve Forged Steel Gate Valve

Оставить Сообщение

Если вы заинтересованы в наших продуктах и хотите знать больше деталей,пожалуйста, оставьте здесь сообщение,мы ответим вам как только мы можем.

сопутствующие товары
кованая задвижка
задвижка из кованой стали a105 с резьбой 1 дюйм 2500 фунтов

задвижка из кованой стали высокого давления 1 дюйм, 2500 фунтов, имеет цельный клин, уменьшенное отверстие, болтовую крышку, маховик, поднимающийся шток и внутреннюю резьбу (fnpt). кованые клапаны соответствуют API 602 и API 598. быстрая деталь тип Ворота   клапан размер 1 '' давление учебный класс   2500 строительство бб,   восходящий ствол, ось и у, сплошной клин соединение нить   соединение операция маховик   управляемый материал корпуса ASTM   A105 trimmaterial 13Cr + СТЛ дизайн API 602 концы с концами astm b16.10 давление & amp; температура Astm B16.34 конец соединения astm b1.20.1 диапазон температур -29 ℃ ~ 425 ℃ средний воговского происхождения Китай ассортимент продукцииматериал корпуса: углеродистая сталь, нержавеющая сталь, легированная сталь, низкотемпературная стальнормальный диаметр: 1/2 ’’ ~ 4 ’’концевое соединение: bw, sw, фланец, резьбовоедиапазон давления: 150 фунтов ~ 2500 фунтов (pn16 ~ pn420)работа: маховик, голый шток, с приводамирабочая температура: -46 ℃ ~ + 425 ℃ Как мы контролируем качество в процессе производства? осмотр отливки: проверьте внешний вид, толщину стенки, количество, размер и исходный материал, отчет и т. д. должны отремонтировать его в соответствии с MSS SP 55 перед обработкой, если он не квалифицирован. механический контроль:Контролировать производственный процесс и находить потенциальные проблемы, чтобы избежать неправильного производства или неправильного дизайна производства путем случайного посещения завода и проверки производственного процесса.

задвижка api602
Задвижка api602, 1 дюйм, 0,75 дюйма, 900 фунтов, маховичок

api602 задвижка шиберная крышка наружный винт хомут цельный клин с уменьшенным отверстием соединение для стыковой сварки sch80s a182 f11 отделка кузова № 5 (13% cr + stl) 900 фунтов 1 дюйм 3/4 дюйма быстрая деталь тип задвижка размер 3/4 дюйма -1 дюйм Расчетное давление CL900 строительство bb, os & amp; y тип соединения м.т. operationtype маховик материал корпуса f11 wedgematerial F6A + СТЛ материал ствола F6A материал сиденья F6A + СТЛ код проекта API 602 измерение лицом к лицу Asme B16.10 проверить и проверить API 598 давление & amp; температура Asme B16.34 средний вода, нефть и газ происхождения Китай Задвижка api602, 1 дюйм, 0,75 дюйма, 900 фунтов, маховичок

A105N 0,5-дюймовый РЧ задвижка
встроенный фланцевый болт капота a105n полнопроходной задвижка

api602 задвижка шиберная крышка наружный винт хомут цельный клин полнопроходной встроенный фланцевое соединение с выступающей поверхностью a105n отделка кузова 13cr 150 фунтов 300 фунтов 1/2 дюйма 3/4 дюйма a182 f6a седло / клин / шток, 304 + графит / уплотнение & nbsp;

Задвижка 800 фунтов dn20
dn20 кованая сталь 800 фунтов a105 sw bb маховик задвижка a105

dn20 800 фунтов фунт pn130 кованая сталь a105 sw способ соединения bb os & amp; y работа маховика Корпус затвора и капот a105 обивка api600 8 седло 410 + клин stl 420 прокладка 410 304 + графитовая конструкция и изготовление api602 лицом к лицу ANSI B16.11 размеры сварного конца API 602 тест и осмотр API 508. быстрая деталь тип задвижка размер DN20 давление 800lb строительство бб, OS & амп; у соединение ЮЗ режим работы маховик материал корпуса A105 обложка A105 дизайн & amp; производство API 602 конец соединения API 602 осмотр API 598 диапазон температур -29 ℃ ~ 425 ℃ средний нефть, вода, газ

Задвижка 1 дюйм 800 фунтов bb osy sw
Задвижка 1 дюйм 800 фунтов bb osy sw

Задвижка 1 дюйм 800 фунтов спроектирована в соответствии с API 602 с поворотным переключателем и маховиком. Задвижка из нержавеющей стали f316 имеет конструкцию крышки с болтовым соединением, внешнего винта и вилки.

Пять тысяч двести один
Уменьшенный отверстие кованого затвора, сварной капот, интеграл Фланцевые

Китай Сварные производителя затвора BONNET CARDAL изготавливает уменьшенную кованую древесную древесину, A105N, 1 / 2-4 Дюйм, 150-1500 ЛБ, сварной капот, интеграл Фланцевая.

Кузнечный запорный клапан
1-дюймовый 600-фунтовый ковочный задвижка API 600 с выдвижным штоком с маховиком

Китай 1 дюймовые ворота, Производитель клапана Dervos предлагает 1-дюймовый запорный клапан, A105 , API 600, класс600, Фланцевое, маховик Операция.

задвижка
задвижка из кованой стали 1 дюйм 300 фунтов твердый клин

1-дюймовая задвижка из кованой стали состоит из цельного фланца,, крышки с болтовым креплением,, подъемного штока и массивного клина и крышки с болтовым креплением.. Клапан соответствует стандарту проектирования API 602 и стандарту проверки API 598.. dervos может предложить услуги по настройке, предоставив клиентам клапаны разных размеров,, материалов,, стандартов,, расчетного давления,, конструкции,, типа работы и типа соединения..

Задвижка
1" запорная заслонка из кованой стали 800LB BW*NPT F5 API602

1-дюймовая задвижка 800LB изготовлена ​​в соответствии со стандартом API 602. Корпус клапана изготовлен из A182-F5. Он имеет структурные характеристики жесткого затвора, сварной крышки и удлиненного корпуса клапана 100 мм. Его способ соединения - BW * NPT. имеет режим работы штурвала.

Задвижка
DN50 PN40 кованая стальная задвижка A105 маховик ISO

Задвижка DN50 PN40 изготовлена ​​в соответствии со стандартом EN ISO 15761. Корпус клапана изготовлен из ASTM A105N. Он имеет структурные характеристики жесткого клина, полнопроходного отверстия, поднимающегося штока и крышки на болтах. Его режим подключения EN1092-1 B1. И у него есть режим работы маховика.

Задвижка
1/2" запорная заслонка А105Н АПИ602 ББ ОС&И РФ кованой стали 300ЛБ

Задвижка 1/2 "300LB изготовлена ​​в соответствии со стандартами API602 и ASME B16.34. Корпус клапана изготовлен из A105N. Он имеет структурные характеристики BB, OS&Y, жесткий клин, NACE MR0175, допуск на коррозию 3 мм и уровень утечки ISO5208A. , Его режим подключения в целом RF.И он имеет режим работы штурвала.

Задвижка
АПИ602 1" маховик РФ запорной заслонки А105Н кованой стали 300ЛБ

1-дюймовая задвижка 300LB изготовлена ​​в соответствии со стандартом API 602. Корпус клапана изготовлен из ASTM A105N. Он имеет структурные характеристики крышки с болтовым креплением и жесткого клина. Его способ соединения - встроенный фланец RF. И он имеет режим работы маховика.

оставьте сообщение

    Если вы заинтересованы в наших продуктах и хотите знать больше деталей,пожалуйста, оставьте здесь сообщение,мы ответим вам как только мы можем.

Главная

Продукция

около

контакт