русский

русский

Get a Quote
Продукция

Горячие продукты

новости компании

Являются ли задвижки полнопроходными?
Являются ли задвижки полнопроходными?
2026-03-13

В промышленных трубопроводных системах задвижки обычно считаются запорными клапанами с низким сопротивлением. Когда клапан полностью открыт, затвор полностью отводится от пути потока, позволяя жидкости проходить через него с минимальным препятствием. Однако, со строгой инженерной точки зрения, не все задвижки относятся к полнопроходным клапанам. Если диаметр седла равен или очень близок к внутреннему диаметру трубопровода, поток практически не испытывает сопротивления. В этом случае клапан можно считать полнопроходным (или почти полнопроходным). Такая конструкция широко используется в нефтегазопроводах, системах водоснабжения и других областях, где требуется низкое падение давления. Если диаметр седла клапана немного меньше внутреннего диаметра трубы, внутри клапана возникнет незначительное ограничение потока. В таких случаях более точным описанием клапана является клапан с уменьшенным диаметром. Такая конфигурация чаще встречается в клапанах меньших размеров или оптимизированных по стоимости. клапан дизайны. В инженерной практике можно применить простую логику выбора: ● Если система требует минимального сопротивления потоку или очистки трубопровода с помощью поршня, диаметр отверстия клапана должен соответствовать диаметру трубопровода. ● Если клапан используется для общего запорного режима, большинство стандартных задвижек уже могут обеспечить требуемую пропускную способность. Таким образом, можно сделать краткий вывод: Задвижки, как правило, имеют конструкцию, близкую к полнопроходной, но является ли она действительно полнопроходной, зависит от того, совпадает ли диаметр седла с внутре

Монтаж шаровых кранов большого диаметра
Монтаж шаровых кранов большого диаметра
2026-03-09

Большой диаметр шаровой клапан Клапаны широко используются в таких отраслях, как нефтехимическая промышленность, энергетика, транспортировка грузов по трубопроводам на большие расстояния и крупномасштабные системы водоочистки. Неправильная установка может привести к протечкам, заклиниванию клапанов или повреждению конструкции из-за напряжений. Поэтому для обеспечения долгосрочной стабильной работы крайне важны правильные методы установки. 1. Предварительная проверка перед установкой Если предварительная проверка перед установкой недостаточна, вероятность возникновения эксплуатационных сбоев во время эксплуатации возрастает. В первую очередь, осмотрите корпус клапана на наличие повреждений при транспортировке. Если на корпусе клапана или уплотнительных поверхностях обнаружены царапины, следы ударов или деформации, установку следует прекратить и связаться с поставщиком. Далее проверьте модель клапана, номинальное давление и стандарты подключения. Если расчетное давление системы не соответствует классу давления клапана, могут возникнуть риски для безопасности эксплуатации. Например, если в трубопроводной системе высокого давления по ошибке используется клапан низкого давления, корпус клапана может подвергнуться пластической деформации под воздействием гидравлического удара. Также необходимо проверить состояние поверхности шара и уплотнительных колец. При наличии царапин на поверхности шара эффективность герметизации снизится. Это особенно важно в газотранспортных системах, где микроутечки более вероятны. 2. Инструкция по установке На шаровых кранах большого диаметра обычно имеется маркировка направления потока. При неправильном направлении установки могут возникнуть следующие проблемы: Если направление потока жидкости совпадает с расчетным направлением, рабочий крутящий момент останется более стабильным. Если клапан установлен в обратном направлении, шток может испытывать повышенную механическую нагрузку, что ускорит износ штока при длительной эксплуатации. Для двустороннего двойного уплотнения шаровой клапан Хотя двунаправленный поток допускается, для обеспечения более равномерного распределения герметизирующего напряжения все же рекомендуется установка в соответствии с указанным направлением потока. В высокотемпературных или паровых системах неправильное направление установки может привести к ускорению старения уплотнительного кольца из-за теплового расширения. 3. Контроль напряжений в трубопроводе Шаровые краны большого диаметра тяжелые. При установке без надлежащей опоры дополнительные изгибающие моменты могут передаваться на фланцевые соединения. При осевом смещении трубопроводов необходимо установить опоры для сегментированной фиксации. Без опорных конструкций корпус клапана может подвергаться длительной гравитационной растягивающей нагрузке, что в конечном итоге приведет к нарушению герметичности фланца. Как правило, рекомендуется устанавливать независимые опоры с обеих сторон шаровых кранов большого диаметра. Если трубопроводная система подв...

Объединим силы, создадим будущее вместе — Ежегодное грандиозное мероприятие Dervos успешно завершилось.
Объединим силы, создадим будущее вместе — Ежегодное грандиозное мероприятие Dervos успешно завершилось.
2026-03-02

В этом году ежегодная конференция в Дервосе прошла заметно масштабнее и лучше организована, чем в предыдущие годы. На утреннем заседании каждый департамент представил свой годовой отчет о работе, в котором были рассмотрены ключевые проекты. и достижения за прошедший год. Команды также открыто делились информацией о достижениях за прошедший год. возникшие проблемы в течение выполнение а также практический опыт, приобретенный в процессе работы. Благодаря этому межведомственному обмену все лучше поняли друг друга. распределение обязанностей и организация рабочих процессов, закладывая более прочную основу для будущего сотрудничества и общения. Во второй половине дня состоялось вручение наград «Выдающийся сотрудник». Каждый номинант был отмечен наградой. поделились своими достижениями в работе и практический опыт, демонстрирующий сильное чувство Ответственность и выполнение обязанностей на разных должностях. Именно такой проактивный подход, дух сотрудничества и практичный стиль работы являются залогом успеха. из Сотрудники компании Dervos, которые неуклонно ведет команду к достижению общих целей. Приходить вовремя каждый день в течение всего года — это уже большое достижение. Иэн... теперь получил Награда за безупречную посещаемость в течение двух лет подряд. В ходе ежегодной конференции компания Dervos также вручила медали и эксклюзивные памятные сувениры. подарки для сотрудники, отработавшие пять лет. Дервос Компания высоко ценит долгосрочную преданность и неизменную самоотдачу своих сотрудников, и Искренне ценит доверие и вклад, которые они вносили на протяжении многих лет. Для многих в Дервосе это... Ком

Пять тысяч двести один
加载中...

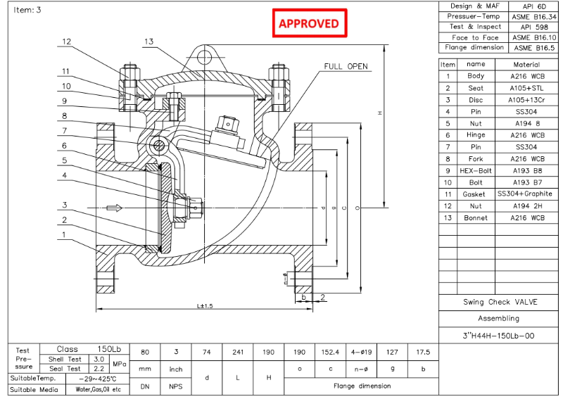
3-дюймовый поворотный обратный клапан на 150 фунтов, WCB API6D

  • Оплата:

    30% when order confirmed, 70% before shipment
  • происхождение продукта:

    china
  • Цвет:

    Customization
  • порт доставки:

    Shanghai, China
  • Время упреждения:

    30~60 days Ex Works after order confirmation
  • Material:

    WCB
  • Method of Operation:

    no
запрос сейчас
Деталь продукта

Обратный клапан с поворотным механизмом, диаметром 3 дюйма и рабочим весом 150 фунтов, изготовлен в соответствии со стандартом API6D. Корпус клапана выполнен из WCB. Он имеет болтовое крепление крышки, поворотный тип и подходит для горизонтальной и вертикальной установки. Способ подключения – RF.

Параметры продукта

Тип

Поворотный обратный клапан

Размер

3 дюйма

Давление

150 фунтов

Связь

РЧ

Материал тела

WCB

Стандарт проектирования

API 6D

Лицом к лицу

ASME B16.10

Размеры фланца

ASME B16.5

Кодекс испытаний и контроля

API 598

Температура

-29 ~ 425 °С

Применимый носитель

Вода, нефть и газ и т. д.

Функции

1. Конструкция с поворотным механизмом обеспечивает беспрепятственный поток и предотвращает обратный поток в трубопроводах.

2. Корпус WCB соответствует стандартам API6D, что обеспечивает надежную работу при высоком давлении.

Технический чертеж

Swing Check Valve

Проверка размеров

Swing Check Valve

Испытание под давлением

Swing Check Valve

Рисование

Swing Check Valve

Табличка и упаковка

Swing Check Valve

Отчет об инспекции

Swing Check Valve Swing Check Valve Swing Check Valve Swing Check Valve

Оставить Сообщение

Если вы заинтересованы в наших продуктах и хотите знать больше деталей,пожалуйста, оставьте здесь сообщение,мы ответим вам как только мы можем.

сопутствующие товары
Обратный клапан поворотного типа BS 1868
8-дюймовый поворотный обратный клапан 1500 фунтов wcb фланцевый BB BS 1868

Обратный обратный клапан 8 дюймов соответствует нормам конструкции BS 1868, с крышкой на болтах и ​​диском качающегося типа. фланцевый обратный клапан изготовлен из углеродистой стали a216 wcb. конструктивная особенность1.bb: крышка на болтахДиск типа 2.wing3. уменьшенная конструкция отверстия4. супер скорость потока5. минимизированные потери на трение6. стандартный материал отделки для выбора7. внешний или внутренний стержень петли доступны по запросу8. Цилиндр и противовес доступны по запросу 9. голый шток и приводы доступны по запросу быстрая деталь тип чек об оплате   клапан размер 8 '' Расчетное давление ANSI   1500 строительство болтовой   капот, качели соединение поднятый   лицевой фланец дизайн & amp; производство бс   1868 концы с концами как я   B16.10 соединение как я   B16.5 давление & amp;   температура как я   B16.34 тест & amp;   осмотр апи   598 материал корпуса углерод   стали применимый темп -29 ℃ ~ 400 ℃ СМИ w.o.g. измерение класс 1500 аэс в 2 2 1/2 3 4 6 8 10 12 дп мм 50 65 80 100 150 200 250 300 л-l1(ВЧ-м.т.) в 14-1 / 2 16-1 / 2 18-1 / 2 21-1 / 2 27-3 / 4 32-3 / 4 39 44-1 / 2 мм 368 419 470 546 705 +832 +991 1130 l2(RTJ) в 14-5 / 8 16-5 / 8 18-5 / 8 21-5 / 8 28 33-1 / 8 39-3 / 8 45-1 / 8 мм 371 422 473 549 700 +841 1000 1146 час(открытый) в 12-1 / 4 12-1 / 4 13 14 15-3 / 4 20-7 / 8 22-1 / 16 25-5 / 8 мм 310 310 330 355 400 530 560 650 вес(кг) ВЧ 69 93 140 232 490 990 1490 1970 м.т. 49 74 111 185 375 803 1250 1625

обратный клапан с двойным фланцем
обратный клапан поворотного типа dn150 pn40 рф фланец 1.0619

обратный клапан поворотного типа, с фланцем pn40, с болтовым креплением, изготовлен из литой стали 1.0619 и отделочного материала ss316. полнопроходной обратный клапан может быть изготовлен в соответствии со специальными требованиями клиента. быстрая деталь тип не   обратный клапан (обратный клапан) номинальный размер дп   150 nominalpressure рп   40 строительство бб,   поворотный диск, внешний штифт соединение поднятый   лицевой фланец дизайн & amp; производство шум   3356 концы с концами ан   558 соединение ан   1092 тест & amp;   осмотр ан   12266 материал корпуса гс-c25   (1,0619) applicabletemp -29 ℃ ~ 425 ℃ СМИ w.o.g. материал нет Наименование углерод   стали астме сплав   стали астме нержавеющий   стали астме WCB LCB WC6 wc9 c5 CF8 CF8M cf3 CF3M 1 тело A216 WCB a350 lcb A217 WC6 A217 WC9 а217 с5 a351 cf8 a351 cf8m a351 cf3 a351 cf3m 2 кольцо сиденья A105 A350 LF2 A182 F11 A182 F22 а182 ф5 A182 F304 a182 f316 а182 ф304л a182 f316l 3 дисковая гайка A182 F304 A182 F304 a182 f316 а182 ф304л a182 f316l 4 дисковая шайба A182 F304 A182 F304 a182 f316 а182 ф304л a182 f316l 5 диск A216 WCB a350 lcb A217 WC6 A217 WC9 а217 с5 a351 cf8 a351 cf8m a351 cf3 a351 cf3m 6 шарнир A216 WCB a350 lcb A217 WC6 A217 WC9 а217 с5 a351 cf8 a351 cf8m a351 cf3 a351 cf3m 7 шарнирный палец A182 F304 A182 F304 a182 f316 а182 ф304л a182 f316l 8 иго A216 WCB a350 lcb A217 WC6 A217 WC9 а217 с5 a351 cf8 a351 cf8m a351 cf3 a351 cf3m 9 гайка капота а194 2ч а4 4 а194 7 а194 8 10 болт капота а193 б7 а193 17 а193 б16 а193 б8 11 прокладка спираль из нержавеющей стали   намотанный графит или спираль из нержавеющей стали ptfe 12 обложка A216 WCB a350 lcb A217 WC6 A217 WC9 а217 с5 a351 cf8 a351 cf8m a351 cf3 a351 cf3m 13 винт с крючком стали 14 именная табличка нержавеющая сталь или алюминий 15 заклепка нержавеющая сталь или алюминий другие материалы (сплав 20, анси 321, монель хастеллой и т. д.)   доступен для запроса о твоя служба хорошее обслуживание клиентов так же ценно, как и сам продукт. В Дервосе мы предложим полный спектр услуг для клиентов, чтобы вы чувствовали себя легко, работая с нами. предоставление еженедельного отчета о производстве когда производство начнется, вы будете получать производственный отчет еженедельно, чтобы вы могли хорошо знать состояние продукта и в то же время отчитываться перед своим клиентом. предлагает гарантию 18 месяцев После отгрузки будет предложен 18-месячный гарантийный срок, не беспокойтесь о покупке клапана у dervos. предоставление решения в течение 3 дней для жалоб Все жалобы будут решены в течение 3 дней, в этом случае вы сможете своевременно ответить и решить проблемы для вашего клиента, чтобы смягчить их, даже когда жалобы возникают.

обратный клапан из нержавеющей стали cf8
поворотный обратный клапан из нержавеющей стали 8 дюймов 150 л

Обратный клапан из нержавеющей стали cf8 оснащен диском без захлопывания, фланцевым концом ANSI 150 и конструкцией с полным отверстием. быстрая деталь тип не   обратный клапан (обратный клапан) размер 8 '' Расчетное давление учебный класс   150 строительство не   тип хлопка соединение ВЧ   фланец дизайн & amp; производство как я   B16.34 концы с концами как я   B16.10 соединение как я   B16.5 давление & amp;   температура как я   B16.34 тест & amp;   осмотр апи   598 материал корпуса A351   CF8 отделочный материал SS304 СМИ w.o.g. доступные модификации для клапанов dervos давление размер клапана -сниженное отверстие & amp; свободное сечение, проходное тело & amp; материал отделки (диск, седло, палец, пружина) -концевое соединение (фланец, bw, sw, резьба, пластина, наконечник) -доступная операция (голый шток, с приводами) -доступный противовес цилиндр настраивающее покрытие -конфигурация упаковки связанные знания что такое не хлопающий обратный клапан? гидравлический удар - это гидравлическое явление, которое резко изменяется в скорости потока и вызвано внезапным закрытием или ударом. гидравлический удар снизит эффективность процесса, приведет к повреждению клапана, утечкам в прокладках и другим проблемам. обратный клапан без хлопка предназначен для уменьшения гидравлического удара. внутренняя пружина может предотвратить закрытие диска. Конструкция обратного клапана без хлопка может устранить колебания давления, вибрацию и повреждения. Кроме того, диск и пружина со временем подвергаются минимальному износу, что в значительной степени продлевает срок службы безударного контроля по сравнению с обратным обратным клапаном.

обратный клапан
api 6d wcb rf обратный клапан обратного типа cl600 4 дюйма 6 дюймов

Поворотный обратный клапан api6d типа rf Крышка с болтовым соединением полнопористый корпус wcb, диск wcb + 13cr, седло a105 + 13cr, шарнир wcb. подходящая температура в -29 ℃ ~ + 425 ℃ быстрая деталь тип обратный клапан размер 4 дюйма - 6 дюймов Расчетное давление CL600 строительство до н.э, качели тип соединения фланец operationtype - материал корпуса WCB discmaterial WCB + 13Cr материал петли WCB материал сиденья A105 + 13Cr код проекта API 6D измерение лицом к лицу Asme B16.10 проверить и проверить API 598 давление & amp; температура Asme B16.34 средний вода, нефть и газ происхождения Китай

Пять тысяч двести один
API 6D nps 14 крышка обратного клапана из литой стали 600LB

китайский производитель Дерво предлагает 14-дюймовые обратные клапаны, изготовленные по API 6D. другие функции охватывают CL300, ВЧ-соединение, WCB тело.

Обратный обратный клапан
Литая сталь NPS 6 класс 150 качал обратный клапан РФ WCB Металлический сидел

Обратный клапан качели изготовлен из A216, своего рода WCB. Изготовлено в соответствии с BS1868, обратный клапан составляет 6 дюймов и 150Lb. И Клапан способен в рабочей температуре между -19 до 425 Степень Цельсия.

Обратный обратный клапан
стандарт DIN 1.0619 Обратный обратный клапан DN80 PN40

Обратный обратный клапан изготовлен из 1,0619, своего рода углеродистой стали, как PER DIN стандартный.Обратный клапан DN80 и PN40 или 3 дюйма и 300LB. И Клапан способен в рабочей температуре между -19 до 425 Степень Цельсия.

обратный клапан
поворотный обратный клапан из кованой стали API 602 1 дюйм CL150 RF

1-дюймовый поворотный обратный клапан имеет конструкцию крышки с болтовым креплением и фланцевого конца RF. Поворотный обратный клапан из кованой стали имеет уменьшенный проходной диаметр в соответствии с API 602. dervos также может предоставлять услуги по настройке в соответствии с запросами клиентов по размерам ,, рейтингам дизайна ,, материалам , и стандартам и т. Д. .

обратный клапан
Затвор обратный поворотный DIN 3840 DN200 PN40 из литой стали

изготовлен из высококачественного литья, поворотный обратный клапан DIN имеет корпус из литой стали с конструкцией крышки на болтах и фланцевым соединением. конструкция клапана обеспечивает хорошую герметичность и минимальный эффект гидравлического удара.

обратный клапан
DN400 PN10 Поворотный обратный клапан из литой стали WCB RF

Обратный клапан DN400 PN10 изготовлен по стандарту DIN. Корпус клапана изготовлен из WCB. Он имеет структурные характеристики поворотного типа и структурную длину 310 мм. Он имеет режим подключения RF. Этот клапан имеет встроенный демпфер, который в основном используется для поглощения ударов и рассеивания энергии.

Поворотный обратный клапан
6-дюймовый поворотный обратный клапан из литой стали 1500 фунтов WCB API6D BW

Поворотный обратный клапан 6" 1500LB изготовлен в соответствии со стандартом API 6D. Корпус клапана изготовлен из WCB. Он имеет конструктивные характеристики поворотного типа. Он имеет режим соединения BW.

Поворотный обратный клапан
1" задерживающий клапан API 602 A105 качания фланца кованой стали 150LB

Поворотный обратный клапан 1" 150LB изготовлен в соответствии со стандартом API 602. Корпус клапана изготовлен из A105. Он имеет конструктивные характеристики болтовой крышки, поворотного типа и полнопроходного типа. Его тип соединения - RF (сварной фланец).

оставьте сообщение

    Если вы заинтересованы в наших продуктах и хотите знать больше деталей,пожалуйста, оставьте здесь сообщение,мы ответим вам как только мы можем.

Главная

Продукция

около

контакт