русский

русский

Get a Quote
Продукция

Горячие продукты

новости компании

Installation of Large Diameter Ball Valves
Installation of Large Diameter Ball Valves
2026-03-09

Large diameter ball valves are commonly used in industries such as petroleum and chemical processing, power generation, long-distance pipeline transportation, and large-scale water treatment systems. If installation is not performed correctly, it may lead to sealing leakage, valve jamming, or structural stress damage. Therefore, proper installation practices are essential to ensure long-term stable operation.   1. Pre-installation Inspection   If pre-installation inspection is insufficient, operational failures are more likely to occur during service. First, inspect the valve body for transportation damage. If scratches, impact marks, or deformation are found on the valve body or sealing surfaces, installation should be stopped and the supplier should be contacted.   Next, verify valve model, pressure rating, and connection standards. If the system design pressure does not match the valve pressure class, operational safety risks may occur. For example, if a low-pressure class valve is mistakenly used in a high-pressure pipeline system, the valve body may experience plastic deformation under water hammer impact.   It is also necessary to check the condition of the ball surface and sealing rings. If there are scratches on the ball surface, sealing performance will be reduced. This is especially critical in gas transmission systems where micro-leakage is more likely.   2. Installation Direction   Large diameter ball valves usually have a flow direction marking. If the installation direction is incorrect, the following problems may occur: If the fluid flow direction matches the design direction, the operating torque will remain more stable. If the valve is installed in reverse, the stem may experience increased mechanical load, which will accelerate stem wear during long-term operation. For double-seal bidirectional ball valves, although bidirectional flow is allowed, installation according to the marked flow direction is still recommended to ensure more uniform sealing stress distribution. In high-temperature or steam systems, if the installation direction is incorrect, thermal expansion may accelerate sealing ring aging.   3. Pipeline Stress Control   Large diameter ball valves are heavy. If installed without proper support, additional bending moments may be transferred to flange connections. If pipeline systems experience axial displacement, pipeline supports should be installed for segmented fixation. If support structures are not provided, the valve body may bear long-term gravitational tensile load, eventually causing flange seal failure. It is generally recommended to install independent supports on both sides of large diameter ball valves. If the pipeline system is subject to thermal expansion and contraction, expansion compensation devices must be installed; otherwise, sealing surfaces may gradually fail.   4. Bolt Tightening Process   Flange connections of large diameter ball valves usually ...

Unite Strength, Create the Future Together --Dervos Annual Grand Event Successfully Concluded
Unite Strength, Create the Future Together --Dervos Annual Grand Event Successfully Concluded
2026-03-02

This year’s Dervos annual conference was noticeably more grand and well-organized than in previous years.   In the morning session, each department delivered its annual work summary, reviewing key projects and achievements over the past year. Teams also openly shared the challenges encountered during implementation and the practical experience gained along the way.   Through this cross-department exchange, everyone developed a clearer understanding of one another’s responsibilities and workflows, laying a stronger foundation for future collaboration and communication.     In the afternoon session, the Outstanding Employee awards were presented. Each nominee shared their work achievements and practical experience, demonstrating a strong sense of responsibility and execution across different roles. It is precisely this proactive mindset, collaborative spirit, and down-to-earth working approach of Dervos employees that drives the team steadily toward its shared goals.     Showing up on time every single day throughout the year — that’s quite an achievement. Ian has now received the Perfect Attendance Award for two consecutive years.     During the annual conference, Dervos also presented medals and exclusive commemorative gifts to employees who have completed five years of service.     Dervos values the long-term dedication and consistent commitment of its team members, and sincerely appreciates the trust and contributions they have made over the years. For many at Dervos, the company is not only a platform for professional growth, but also a stage where shared goals and collective efforts come to life. In the evening, the annual conference transitioned into the banquet segment. Performances and interactive games were seamlessly interspersed, creating a relaxed yet organized atmosphere.     Laughter and cheers echoed throughout the venue, and in the moment the camera shutter clicked, the excitement and joy were captured in a single frame.     Eric said: "Let’s dream together, DERVOS's dream. A dream where we all play a part, piece by piece, it becomes a reality." For Dervos, the annual meeting is not just about "summarizing the year," but about bringing our hearts together, strengthening our resolve in doing the same thing, and then continuing to move forward, step by step, with steady progress.            

What Is the Difference Between Plug Valves and Ball Valves?
What Is the Difference Between Plug Valves and Ball Valves?
2026-02-20

Ball valves and plug valves differ significantly in several aspects, including structure, operating principle, mode of operation, flow control capability, sealing performance, and application scenarios. These differences enable the two types of valves to perform distinct roles in their respective fields.   Structural Differences   The ball valve, a design evolved from the plug valve, utilizes a spherical element as its core component. By rotating the ball 90° around the stem axis, the valve can be opened or closed. Its structure is straightforward, consisting primarily of a spherical closure element with a through-bore housed within the valve body.   In contrast, the structure of a plug valve is more complex. It comprises multiple components such as the valve body, bonnet, plug, seat, and stem. The closure element is a cylindrical or tapered plug that controls flow by rotating 90°, aligning or misaligning the port in the plug with the flow passage in the valve body to achieve opening or shutoff.   Operating Principle   The operating principle of a ball valve relies on the rotation of the ball to control the on-off flow of fluid. When the ball is in tight contact with the valve seat, the clearance between them is completely sealed, thereby preventing fluid leakage. When the ball rotates to a position disengaged from the seat, the fluid is allowed to flow freely through the passage inside the valve body.   The operating principle of a plug valve differs in that it primarily controls the flow passage by rotating the plug element to open or close the valve. In a plug valve, the plug is connected to the stem and rotates together with it to achieve flow control. The closure element is a tapered plug with a port, and the flow passage is designed to be perpendicular to the axis of the plug. This configuration enables the plug valve to operate more efficiently and reliably during opening and closing.   The operation of a ball valve is notably simple, requiring only a 90-degree rotation to achieve opening or closing. This design allows the flow passage to be opened or shut off quickly and smoothly when the ball is rotated by 90 degrees, providing both convenience and efficiency. In addition, ball valves offer relatively low flow resistance in the fully open or fully closed position, making them particularly suitable for applications that require rapid on-off operation.   By contrast, the operation of a plug valve is comparatively more complex, as several turns are typically required to complete the opening or closing action. The valve plug is designed in a cylindrical or tapered form and regulates fluid flow through rotation. Nevertheless, plug valves demonstrate excellent performance in flow regulation, enabling precise adjustment of the flow passage diameter and accurate control of flow rate. However, due to the relatively complicated operating process, plug valves are not well suited for frequent operation...

Запорный клапан
加载中...

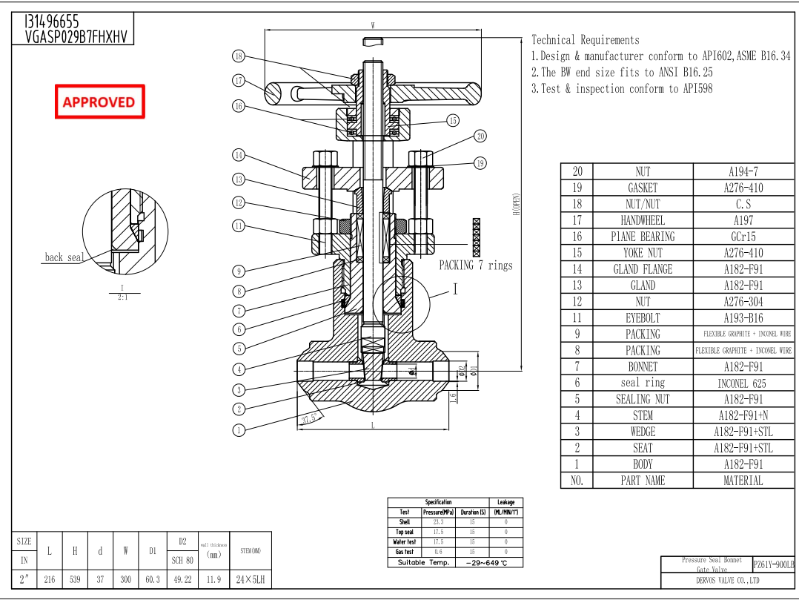
2-дюймовый запорный клапан с герметичной крышкой, 900 фунтов, F91 ASME B16.34 BW

Задвижка 2”900LB с герметичной крышкой изготовлена в соответствии со стандартом ASME B16.34. Корпус задвижки изготовлен из материала A182-F91. Имеет конструктивные характеристики PSB, OS&Y, цельноклиновая. Тип соединения – BW sch 80 ASME B16.25. Управление – маховик.

  • Оплата:

    30% when order confirmed, 70% before shipment
  • происхождение продукта:

    china
  • Цвет:

    Customization
  • порт доставки:

    Shanghai, China
  • Время упреждения:

    30~60 days Ex Works after order confirmation
  • Material:

    A182-F91
  • Method of Operation:

    A182-F91
запрос сейчас
Деталь продукта

Описание продукта

Тип

Запорный клапан

Размер

2”

Давление

900 фунтов

Связь

BW sch 80 ASME B16.25

Материал корпуса

А182-Ф91

Норма дизайна

ASME B16.34, API602

Конечный размер BW

ASME/B16.25

Код испытаний и проверок

API 598

Температура

-29 ~ 649 °С

Применимая среда

Вода, нефть и газ

Функции

1.Изготовлены из легированной стали F91, обеспечивающей исключительную жаропрочность и надежность для применений с классом давления 900LB.

2. Задвижка с герметичной крышкой и торцами BW, соответствующая стандарту ASME B16.34, обеспечивает надежную герметизацию и длительную работу в критических условиях эксплуатации.

Технический рисунок

Pressure Seal Gate Valve

Проверка размеров

Pressure Seal Bonnet Gate Valve

Испытание под давлением

Pressure Seal Bonnet Gate Valve

Паспортная табличка и упаковка

Pressure Seal Bonnet Gate Valve

Отчет о проверке

Pressure Seal Bonnet Gate Valve Pressure Seal Bonnet Gate Valve Pressure Seal Bonnet Gate Valve Pressure Seal Bonnet Gate Valve

Оставить Сообщение

Если вы заинтересованы в наших продуктах и хотите знать больше деталей,пожалуйста, оставьте здесь сообщение,мы ответим вам как только мы можем.

сопутствующие товары
уплотнение крышки клапана
уплотнение крышки капота задний клапан 8 дюймов 2500 фунтов

8-дюймовый задвижка класса 2500 разработана с герметичной крышкой, сваркой стыковым сварным швом и работой коробки передач. 8-дюймовый задвижка имеет корпус из углеродистой стали и отделку 5. быстрая деталь тип Ворота   клапан размер 8 '' Расчетное давление ANSI   2500 строительство давление   уплотнительный капот, гибкий клин, седло от металла к металлу тип соединения приклад   сварка (sw) operationtype коробка передач   операция материал корпуса A217   WC6 trimmaterial отделка 5 код проекта API 600 измерение лицом к лицу как я   B16.10 конец соединения как я   B16.25 давление & amp; температура как я   B16.34 средний вода,   нефти и газа происхождения Китай размер & amp; материал нпс дн учебный класс 2 2 1/2 3 4 6 8 10 12 14 16 18 20 24 50 65 80 100 150 200 250 300 350 400 450 500 600 л (РЧ) 900lb 368 419 381 457 610 737 +838 965 1029 1130 & ЕПРС; & ЕПРС; & ЕПРС; 1500lb 368 419 470 546 705 +832 +991 1130 1257 1384 & ЕПРС; & ЕПРС; & ЕПРС; 2500LB 451 508 578 +673 917 1022 1270 & ЕПРС; & ЕПРС; & ЕПРС; & ЕПРС; & ЕПРС; & ЕПРС; l1 (мт) 900lb 216 254 305 355 508 660 787 914 +991 1092 1346 1473 1600 1500lb 216 254 305 406 559 711 +864 +991 1067 +1194 1697 & ЕПРС; & ЕПРС; 2500LB 279 330 368 457 610 762 914 1041 1118 1245 & ЕПРС; & ЕПРС; & ЕПРС; l2 (RTJ) 900lb 371 422 384 460 613 740 +841 +968 1038 1140 & ЕПРС; & ЕПРС; & ЕПРС; 1500lb 371 422 473 549 711 +841 1000 1146 1276 1407 & ЕПРС; & ЕПРС; & ЕПРС; 2500LB 454 514 584 683 +927 1038 1292 & ЕПРС; & ЕПРС; & ЕПРС; & ЕПРС; & ЕПРС; & ЕПРС; ч (opne) 900lb 554 637 680 +796 1084 1372 1494 1550 1960 2210 & ЕПРС; & ЕПРС; & ЕПРС; 1500lb 554 637 767 875 1094 1372 1655 1834 2150 2260 2460 2721 2940 2500LB 610 654 +753 850 1254 1374 1685 1894 2226 2382 2585 & ЕПРС; & ЕПРС; вес 900lb 300 350 350 400 560 460 * 610 * 610 * 610 * 760 * & ЕПРС; & ЕПРС; & ЕПРС; 1500lb 300 450 450 560 305 * 460 * 610 * 610 * 760 * 760 * & ЕПРС; & ЕПРС; & ЕПРС; 2500LB 500 500 600 600 460 * 460 * 610 * & ЕПРС; & ЕПРС; & ЕПРС; & ЕПРС; & ЕПРС; & ЕПРС; вес (рф) 900lb 50 84 92 154 341 622 950 1295 1720 2380 & ЕПРС; & ЕПРС; & ЕПРС; 1500lb 60 91 128 182 394 795 1370 2120 2800 3870 & ЕПРС; & ЕПРС; & ЕПРС; 2500LB 121 175 195 229 720 1295 2250 & ЕПРС; & ЕПРС; & ЕПРС; & ЕПРС; & ЕПРС; & ЕПРС; вес 900lb 39 64 82 120 266 524 760 1090 1450 2018 & ЕПРС; & ЕПРС; & ЕПРС; 1500lb 46 71 85 130 292 578 974 1615 2010 2815 3315 4150 5219 2500LB 88 135 144 158 500 892 1550 1978 2580 3780 5988 & ЕПРС; & ЕПРС; * рекомендуется ручной привод нет. часть WCB WC6 wc9 c5 CF8 CF8M 1 тело A216 WCB A217 WC6 A217 WC9 а217 с5 a351 cf8 a351 cf8m 2 сиденье а182 ф6а A182 F22 A182 F22 а182 ф5 A182 F304 a182 f316 3 клин A216 WCB A217 WC6 A217 WC9 а217 с5 a351 cf8 a351 cf8m 4 стебель а182 ф6а saehnv3 A182 F304 a182 f316 5 сальник A216 WCB A217 WC6 A217 WC9 а217 с5 a351 cf8 a351 cf8m 6 уплотнительное кольцо ANSI 316L гибкий графит + 316 7 разрезное кольцо стали f6 f6 f6 A182 F304 F316 8 заднее кольцо стали стали стали стали сс сс 9 болт а193 б7 а193 б7 а193 б7 а193 б7 а193 б8 а193 б8 10 орех а194 2ч а194 2ч а194 2ч а194 2ч а194 гр.8 а194 гр.8 11 иго A216 WCB A217 WC6 A217 WC9 а217 с5 a351 cf8 a351 cf8m 12 болт а193 б7 а193 б7 а193 б7 а193 б7 а193 б8 а193 б8 13 орех а194 2ч а194 2ч а194 2ч а194 2ч а194 гр.8 а194 гр.8 14 упаковочная плита ANSI 410 ANSI 410 ANSI 410 ANSI 410 ANSI 304 ANSI 316 15 упаковка гибкий графит (плетеный   и кольцо) или ptfe 16 шплинт стали стали стали стали стали стали 17 рым-болт а193 б7 а193 б7 а193 б7 а193 б7 а193 б8 а193 б8 18 железа а182 ф6 а182 ф6 а182 ф6 а182 ф6 A182 F304 a182 f316 19 фланец сальника A105 A105 A105 A105

задвижка
8" Самоуплотняющаяся задвижка на давление 1500 фунтов WCC BW

8" Задвижка 1500LB изготовлена в соответствии со стандартом ASME B16.34. корпус клапана изготовлен из WCC. имеет конструктивные характеристики самоуплотняющейся под давлением, эластичный затвор и конструктивная длина 711 мм . принцип работы самоуплотняющегося клапана в основном заключается в использовании клиновой уплотняющей поверхности для герметизации под давлением.

задвижка
Задвижка с уплотнением под давлением 2 дюйма 4500 фунтов SW API 602

задвижка высокого давления класса 4500 разработана с концевыми соединениями PSB и SW. из CS A105, 2-дюймовая задвижка соответствует стандарту контроля API 598 и стандарту проектирования API 602. dervos может предложить услуги по настройке, предоставив клиентам клапаны разных размеров,, материалов,, стандартов,, расчетного давления,, конструкции,, типа работы и типа соединения..

Задвижка
Задвижка с уплотнением под давлением 10 дюймов 1500 фунтов WCC BW PSB

10-дюймовая задвижка 1500 фунтов изготовлена ​​в соответствии со стандартом ASME B16.34. Корпус клапана изготовлен из WCC. Он имеет такие структурные характеристики, как самоуплотняющийся под давлением, поднимающийся шток, эластичный клин и структурную длину 864 мм. Оба конца штока клапана имеют резьбу. Имеет тип подключения BW.

металлический седло ss дроссельная заслонка класс 150
металлический седло с тройным смещением, 16 дюймов

16-дюймовый дроссельный клапан с тройным смещением имеет металлическое седло, корпус из нержавеющей стали cf8m, диск и шток. Полностью затянутый дроссельный клапан с коробкой передач имеет расчетное давление класса 150 согласно API 609. конструктивная особенность1. небольшой объем, легкий вес, простая структура2. многослойная металлическая / полностью металлическая3. пожаробезопасный дизайн4. противовыбросовый шток5. небольшое значение крутящего момента для удобной работы6. надежное уплотнение и может удовлетворить требования нулевой утечки7. с функцией регулирования расхода8. тройной эксцентричный дизайн для минимизации износа уплотняющей поверхности быстрая деталь тип бабочка   клапан размер 16 '' давление анс   150 структура тройной   эксцентричный, с тройным смещением, металлический тип соединения тащить   тип операция коробка передач   управляемый код проекта апи   609 лицом к лицу как я   B16.10 конец соединения как я   B16.5 тест & amp;   осмотр апи   598 материал корпуса A351   CF8M диапазон температур -29 ℃ ~ 425 ℃ применение вода,   нефтяной газ материал нет Наименование углеродистая сталь для   ASTM легированная сталь астме нержавеющий   стали астме WCB WC6 wc9 c5 CF8 CF8M cf3 CF3M 1 тело A216 WCB A217 WC6 A217 WC9 а217 с5 a351 cf8 a351 cf8m a351 cf3 a351 cf3m 2 под втулкой оси ПТФЭ или нержавеющая сталь и   графитовая спираль 3 стебель а182 ф6 A182 F304 A182 F304 A182 F304 A182 F304 a182 f316 а182 ф304л a182 f316l 4 кольцо сиденья f6 стеллит 6 стеллит 6 стеллит 6 A182 F304 a182 f316 а182 ф304л a182 f316l 5 тарелка бабочки A216 WCB A217 WC6 A217 WC9 а217 с5 a351 cf8 a351 cf8m a351 cf3 a351 cf3m 6 стопорное кольцо A105 A182 F22 A182 F22 A182 F22 A182 F304 a182 f316 а182 ф304л a182 f316l 7 штырь углеродистая сталь или легированная сталь 8 винт углеродистая сталь или легированная сталь 9 втулка верхней оси ПТФЭ или нержавеющая сталь и   графитовая спираль 10 упаковка графит + SS304 11 болт а193 б7 а193 б7 а193 б7 а193 б7 а193 б8 а193 б8 а193 б8 а193 б8 12 орех а194 2ч а194 2ч а194 2ч а194 2ч а194 гр.8 а194 гр.8 а194 гр.8 а194 гр.8 13 болт а193 б7 а193 б7 а193 б7 а193 б7 а193 б8 а193 б8 а193 б8 а193 б8 14 орех а194 2ч а194 2ч а194 2ч а194 2ч а194 гр.8 а194 гр.8 а194 гр.8 а194 гр.8 15 иго A216 WCB A217 WC6 A217 WC9 а217 с5 a351 cf8 a351 cf8m a351 cf3 a351 cf3m 16 железа а182 ф6 A182 F304 A182 F304 A182 F304 A182 F304 a182 f316 а182 ф304л a182 f316l

сетчатый фильтр типа t
сетчатый фильтр из литой стали 1,5 дюйма

сетчатый фильтр имеет расчетное давление 150 фунтов и размер 1 1/2 дюйма. фланцевое ситечко выполнено из корпуса lcc и сита из нержавеющей стали. быстрая деталь тип стяжка размер 1,5 «» Расчетное давление 150lb строительство болтовой   капот, корзиночный тип тип соединения отбортованный код проекта как я   B16.34 лицом к лицу как я   B16.10 конец соединения как я   B16.5 давление & amp;   температура как я   B16.34 тест & amp;   осмотр апи   598 материал корпуса ASTM   A352 LCC screenmaterial SS304 диапазон температур -46 ℃ ~ + 345 ℃ применение вода,   нефтяной газ Профиль компанииОснованная в Сямыне в 2008 году, компания Dervos Valve Industry Co., Ltd. накопила богатый опыт в поставке и экспорте промышленных клапанов, от общих типов задвижек, запорных клапанов, обратных клапанов, шаровых, дроссельных клапанов, плунжерных клапанов, сетчатых клапанов до специальных клапанов. как игольчатый клапан, регулирующий клапан, предохранительный клапан, предохранительный клапан и конденсатоотводчик. Сотрудники dervos стремятся предоставить нашим клиентам наилучший сервис и клапанную продукцию по конкурентоспособной цене. Имея более 500 поставщиков клапанов, наши богатые ресурсы позволяют нам находить наиболее подходящие продукты в очень короткие сроки для наших клиентов. система закупокСистема закупок dervos играет важную роль в отслеживании заказов и управлении поставщиками. что делает наша команда по закупкам?-подтвердить производственный план с завода-следовать заказ в соответствии с производственным планом очень внимательно- принять все меры, чтобы задействовать все связанные ресурсы для решения кризиса задержки- искать новых поставщиков и включать их в наш пул поставщиков, оценивая их по качеству, оборудованию, сертификатам, уровню цен, технической поддержке и т. д.- проводить ежегодную оценку существующих поставщиков и устранять этих неквалифицированных. Все эти действия обеспечат своевременную доставку заказов, и мы сможем найти наиболее подходящие продукты среди квалифицированных поставщиков эффективным способом.

Обратный клапан из литой нержавеющей стали, 3 дюйма, 150 фунтов, CF3M RF BS1868
Обратный клапан из литой нержавеющей стали, 3 дюйма, 150 фунтов, CF3M RF BS1868

Обратный клапан из литой нержавеющей стали диаметром 3 дюйма и напором 150 фунтов изготовлен в соответствии со стандартом BS1868. Корпус клапана изготовлен из сплава CF3M+STL6. Он имеет конструктивные характеристики шарового обратного клапана, поворотного типа. Тип соединения: RF, S-10S, 125:250AARH. Product Parameters Type Cast Steel Check Valve Size 3” Pressure 150LB Connection RF Body Material CF3M+STL6 Design Norm BS1868 Face to Face ASME B16.10 Flange ASME B16.5 Test & Inspection Code API 598 Temperature -29 ~ 300 °C Applicable Medium Water, Oil and Gas Features 1.Made from CF3M cast stainless steel, providing excellent corrosion resistance and durability for 150LB pressure systems. 2.Floating ball design with RF flange, compliant with BS1868, ensures reliable sealing and smooth operation. Technical Drawing Cast Steel Swing Check Valve Dimension Checking Pressure Testing Nameplate & Packing Inspection Report

Вафельный обратный клапан
API594 3-дюймовый 150-фунтовый обратный клапан с двойной пластиной API598 LCC

3-дюймовый межфланцевый обратный клапан 150 фунтов изготовлен в соответствии со стандартом API594. Корпус клапана изготовлен из A352 LCC + 316. Он имеет конструктивные характеристики двухпластинчатого и встроенного типа. Его тип соединения - межфланцевый.

Задвижка
API 602, корпус A105N, шиберная задвижка из кованой стали, 1 дюйм, 800 фунтов, SW-соединение

Задвижка из кованой стали 1 дюйм 800LB изготовлена согласно стандарту API602. Корпус клапана изготовлен из ASTM A105N. Он имеет Конструктивные характеристики жесткого клина. Его режим подключения — SW. И это имеет полировальный стержень с режимом работы пневматической головки одностороннего действия и его максимальным время включения/выключения 5 секунд.

Задвижка из литой стали
Корпус задвижки из литой стали DN50 PN16 WCB EN1984 HW

Задвижка DN50 PN16 из литой стали изготовлена в соответствии со стандартом EN1984. Корпус задвижки изготовлен из стали ASTM A216 WCB+STL. Конструкция задвижки выполнена по технологии «болтовое крепление» с гибким клином. Тип соединения соответствует стандарту EN1092-1 B1. Управление осуществляется с помощью маховика.

Задвижка из литой стали
Корпус задвижки из литой стали DN200 PN10 WCB EN1092-1 B

Задвижка DN200 PN10 из литой стали изготовлена в соответствии со стандартом EN1984. Корпус задвижки изготовлен из стали марки A216 WCB+STL. Конструкция задвижки соответствует конструктивным особенностям крышки. , Гибкий клин. Соответствует стандарту EN1092-1/B. Имеется режим управления с помощью маховика.

оставьте сообщение

    Если вы заинтересованы в наших продуктах и хотите знать больше деталей,пожалуйста, оставьте здесь сообщение,мы ответим вам как только мы можем.

Главная

Продукция

около

контакт