русский

русский

Get a Quote
Продукция

Горячие продукты

новости компании

Характеристики запорного клапана
Характеристики запорного клапана
2026-04-10

Задвижки и заглушки используются для перекрытия трубопроводов, но работают они по принципиально разным принципам. В промышленных трубопроводных системах, если цель состоит в том, чтобы настоящая физическая изоляция (при наличии положительной изоляции), тогда заглушка (заслонка / линейная заглушка) обычно надежнее обычных клапанов. Вместо того чтобы полагаться на уплотнение седла, она изолирует среду посредством сплошная глухая пластина что определяет как область его применения, так и инженерную ценность. С инженерной точки зрения основные характеристики запорного клапана можно понять следующим образом: 1. Абсолютная физическая изоляция Если нулевая утечка Если требуется использование обычных клапанов (таких как задвижки или шаровые клапаны), то их работа сопряжена с риском, поскольку их эффективность зависит от герметичности. Глухие клапаны работают по другой логике: ▶ Если вставить сплошную пластину, то поток будет полностью заблокирован. ▶ Если заглушка установлена правильно, то проблема нарушения герметичности больше не актуальна. Это делает заглушки более подходящими для: ● Изоляция нефтегазопроводов ● Воспламеняющиеся среды (нефть, сжиженный природный газ, химические вещества) ● Высокотемпературная паровая система с Инженерный вывод: Если проект требует проверяемой изоляции, то следует отдавать приоритет глухому клапану перед промышленными клапанами, работающими только с герметизацией. 2. Возможность работы в режиме непрерывной эксплуатации Традиционные заглушки с лопатообразными и распорными элементами обычно требуют разборки фланца, что усложняет эксплуатацию и создает риски для безопасности. Заглушки (например, скользящий глухой клапан (например, вентили с поворотными заглушками) разработаны с использованием другого подхода: ▶ Если требуется частое переключение между режимами эксплуатации и технического обслуживания, то ручное вмешательство следует свести к минимуму. ▶ Если остановка не допускается, то переключение должно производиться в условиях повышенного давления в трубопроводе (в соответствии со специальными проектными требованиями). Поэтому: ● Сдвижной запорный клапан: подходит для ограниченного пространства и высоких требований к автоматизации. ● Поворотный запорный клапан: Простая конструкция, подходит для средних и низких частот переключения. ● Очковый клапан : подходит для работы на низких частотах и для проектов с ограниченным бюджетом. Инженерный вывод: Если техническое обслуживание требуется часто или остановка работы невозможна, то в первую очередь следует отдать предпочтение глухому клапану с возможностью управления в линию. 3. Механическая надежность Надежность заглушки зависит не от сложных систем уплотнения, а от: ● Механическая структурная устойчивость ● Прочность материала (например, A105, WCB, F22, LF2) ● Способ привода (ручной, с редуктором или гидравлический) ▶ Если условия эксплуатации включают высокие температуры, высокое давление или агрессивные среды, то клапаны с герметизирующим уплотнением более подвержены пол...

Топ-5 типов промышленных клапанов, которые должен знать каждый инженер в 2026 году.
Топ-5 типов промышленных клапанов, которые должен знать каждый инженер в 2026 году.
2026-03-27

Выбор правильного типа промышленного клапана — одно из важнейших решений при проектировании системы. Неправильный выбор, даже при использовании высококачественных клапанов, может привести к утечкам, потере давления, вибрации, частому техническому обслуживанию и долгосрочной неэффективности эксплуатации. В данном руководстве рассматриваются основные типы промышленных клапанов. их применение, преимущества и ограничения, а также практические советы, которые помогут вам сделать правильный выбор клапанов для вашего проекта в 2026 году. Какие бывают типы промышленных клапанов? Типы промышленных клапанов — это различные конструкции клапанов, используемые для управления, регулирования или изоляции потока жидкости в трубопроводных системах. Каждый тип разработан для выполнения определенной функции, например, перекрытия, дросселирования или предотвращения обратного потока, и выбор правильного типа имеет важное значение для безопасности и эффективности системы. 5 основных типов промышленных клапанов и области их применения 1. Шаровой кран Лучше всего подходит для: быстрого отключения и низкого падения давления. Шаровые краны используют вращающийся шар с прямым внутренним диаметром. В полностью открытом состоянии они оказывают минимальное сопротивление, что делает их одним из наиболее эффективных вариантов для перекачки жидкостей. Типичные области применения: ● Нефте- и газопроводы ● Системы высокого давления ● Частые операции включения/выключения Примечания к выбору: ● Конструкция с полным входным отверстием минимизирует потери энергии. ● Шаровые краны с металлическим уплотнением лучше работают в условиях абразивного воздействия или высокой частоты циклов. Избегайте применения, если: Требуется точное регулирование потока. Зарегулирование потока шаровым клапаном со временем может повредить уплотнительные поверхности. 2. Задвижка Идеально подходит для: работы в режиме изоляции с минимальным сопротивлением потоку. Задвижки работают за счет подъема затвора из потока жидкости. Они широко используются в трубопроводах большого диаметра, где требуется полное открытие или полное закрытие. Типичные области применения: ● Трубопроводы для передачи электроэнергии на большие расстояния ● системы водоподготовки ● Высокотемпературные паропроводы Примечания к выбору: ● Практически нулевое падение давления при полном открытии. ● Клиновые задвижки обеспечивают лучшую герметизацию в условиях высоких температур. Избегайте применения, если: Требуется частое включение или регулирование. Задвижки не предназначены для многократного включения/выключения. 3. Шаровой клапан Лучше всего подходит для: точной регулировки потока Шаровые клапаны проталкивают жидкость по контролируемому пути потока, обеспечивая точное регулирование и стабильное управление потоком. Типичные области применения: ● Паровые системы ● Высокотемпературные процессы ● Применение в регулировании потока Примечания к выбору: ● Превосходные показатели регулирования дроссельной заслонки ● Стабильная работа в условиях кол...

Могут ли заглушки трубопроводов работать с паром высокой температуры?
Могут ли заглушки трубопроводов работать с паром высокой температуры?
2026-03-19

Недавно, Клапан Дервос Помог клиенту в Венгрии преодолеть распространенную проблему в промышленных паровых системах: как безопасно изолировать высокотемпературные трубопроводы без утечек и простоев. Система заказчика, работающая с насыщенным паром при температуре около 250 °C и подверженная воздействию температур до -39 °C, требовала решения, которое было бы одновременно надежным и долговечным. Традиционные клапаны часто не обеспечивали герметичность в таких условиях, а обычные методы перекрытия требовали сброса давления в трубопроводе, что увеличивало время простоя и эксплуатационные риски. Для решения этих задач компания Dervos поставила модель DN400 PN40. скользящий линейный заглушечный клапан Разработанный специально для суровых условий проекта, этот клапан оснащен скользящим заглушечным механизмом, позволяющим операторам переключаться между режимами потока и изоляции без сброса давления в системе, что повышает безопасность и эффективность во время технического обслуживания. Изготовленный из кованой стали 20GML и имеющий герметичную конструкцию из нержавеющей стали с металлическим соединением, клапан Обеспечивает надежную работу как при работе с высокотемпературным паром, так и в экстремальных условиях окружающей среды. Полнопроходная конструкция минимизирует сопротивление потоку, а ручной червячный привод гарантирует плавную и контролируемую работу даже при больших размерах и высоком давлении. Функции безопасности, такие как устройства защиты от неправильного использования и защитные глухие пластины, дополнительно снижают риск ошибок при обращении с устройством. С момента установки клапан обесп

Пять тысяч двести один
加载中...

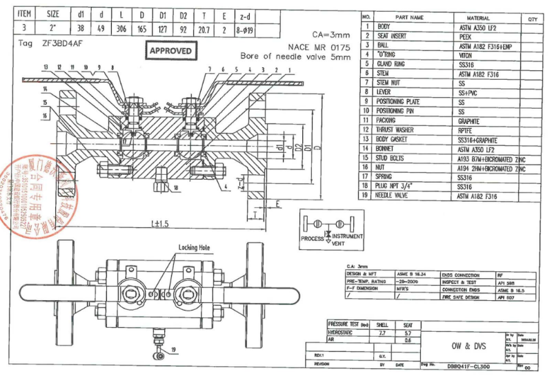
2-дюймовый двухзапорный и дренажный клапан на 300 фунтов LF2 RF ASME B16.34

  • Оплата:

    30% when order confirmed, 70% before shipment
  • происхождение продукта:

    china
  • Цвет:

    Customization
  • порт доставки:

    Shanghai, China
  • Время упреждения:

    30~60 days Ex Works after order confirmation
  • Material:

    ASTM A350 LF2
  • Method of Operation:

    Hand Wheel
запрос сейчас
Деталь продукта

Двухзапорный клапан на 2 дюйма (300 фунтов) изготовлен в соответствии со стандартом ASME B16.34. Корпус клапана изготовлен из стали LF2. Он имеет следующие конструктивные особенности: вход 2" CL300 RF, выход 2" CL300 RF, вентиляционное соединение 3/4" NPT, оснащен двумя шаровыми и одним игольчатым клапаном, имеет огнестойкую конструкцию и обеспечивает двунаправленное движение. Способ подключения – RF. Клапан имеет маховик. operation mode.

Product Parameters

Type

Double block and bleed valve

Size

2”

Pressure

300LB

Connection

RF

Operation

Hand Wheel

Body Material

ASTM A350 LF2

Design Norm

ASME B 16.34

Face to Face

MFR’S

End connection

RF

Test & Inspection Code

API 598

Temperature

-29 ~ 200°C

Applicable Medium

Water, Oil and Gas

Features

1.Manufactured from LF2 carbon steel, offering excellent low-temperature toughness and reliable performance for 300LB pressure class service.

2.Double block and bleed design with RF flange, compliant with ASME B16.34, ensures safe isolation and effective pressure relief.

Technical Drawing

double block and bleed valve

Double block and bleed valve

Dimension Checking

double block and bleed valve

Pressure Testing

double block and bleed valve

Spectrum

double block and bleed valve

Nameplate & Packing

double block and bleed valve

Inspection Report

double block and bleed valve double block and bleed valve double block and bleed valve double block and bleed valve

Оставить Сообщение

Если вы заинтересованы в наших продуктах и хотите знать больше деталей,пожалуйста, оставьте здесь сообщение,мы ответим вам как только мы можем.

сопутствующие товары
фланцевый клапан jis фланцевый
Морской бронзовый шаровой клапан DN32 5K FF фланцевый

Клапан dn32 jis 5k подходит для морского применения. бронзовый шаровой клапан с маховиком и фланцем. быстрая деталь тип морской   шаровой вентиль размер дп   32 Расчетное давление 5k тип соединения Ф.Ф.   фланец код проекта JIS   f7301 лицом к лицу JIS   b2002 материал корпуса бронза отделочный материал бронза применение вода,   нефтяной газ система закупок поздние сроки поставки стали обычной проблемой в 2018 году. однако дерво удерживают более 90% своевременных поставок, так как же нам этого добиться? он владеет нашим отделом закупок. Как мы реагируем на кризис задержки? -Посещай фабрику каждый день и курируй на месте - инициировать связанные ресурсы, такие как механические мастерские и квалифицированные рабочие, чтобы помочь в ускорении производства какие преимущества мы можем сделать для вас, сохраняя своевременную доставку? избежать наказания от конечного пользователя накопить репутацию завоевать доверие клиента Часто задаваемые вопросы 1. у вас есть свой литейный или кузнечный цех? нет, но у нас есть утвержденный список литейных заводов за последнее десятилетие проверок отливок, который может гарантировать, что наши отливки имеют хорошее качество и все сырье отслеживаются. 2. Можете ли вы сделать рентгенографию NDE, MT, UT, LP? Конечно, мы можем проводить все эти тесты на наших клиентах, но за эти тесты будет взиматься дополнительная плата. 3. какой тест вы будете делать для каждого заказа? после сборки клапана мы проведем гидравлическое испытание корпуса & amp; герметизация и воздушные испытания. Кроме того, мы сделаем проверку размеров (размер лицом к лицу, размер фланца) согласно сборочному чертежу и стандартам.

Игольчатый клапан 1/2 дюйма npt
игольчатый клапан из нержавеющей стали 1/2 дюйма 6000 фунтов / кв. дюйм

игольчатый клапан высокого давления 6000 фунтов на квадратный дюйм изготовлен из нержавеющей стали f316 в соответствии с asme b16.34. игла npt 1/2 дюйма используется для регулирования потока жидкости и подходит для применения при высоком давлении и небольшом расходе. быстрая деталь тип игла   клапан размер 0,5   дюймовый Расчетное давление 6000   фунтов на квадратный дюйм тип соединения женский пол   нить фнпт код проекта как я   B16.34 конец соединения как я   B1.20.1 лицом к лицу как я   B16.10 тест & amp; осмотр апи   598 материал корпуса SS316 trimmaterial SS316 применение вода,   нефтяной газ сертификация дервосовсертификаты являются одним из факторов, о которых заботятся наши клиенты. По запросу клиентов мы могли бы предоставить api 5l, api 6a, api 6d, api 607, api 5ct, iso 9001, ped ce и так далее. почему выбирают дерво в качестве партнера?одна остановкаЗдесь, в dervos, мы можем предоставить вам комплексное обслуживание по нашему полному списку продуктов, это означает, что вам не нужно искать различных поставщиков для различных типов клапанов, и это, безусловно, сэкономит ваше время и энергию. все, что вам нужно сделать, это выбрать дерво, и мы предоставим вам комплексные решения. своевременная доставкаДервос держит высокий процент от времени доставки. почему мы можем этого достичь? наша команда по закупкам внимательно следит за заказом. Кроме того, наш менеджер по продажам и продажам также будет следить за работой каждого заказа. строгий контроль качества Все члены команды QC очень опытные и профессиональные. для каждого заказа они будут проверять сырье, производственный процесс, проводить опрессовку корпуса и уплотнения, а также проверять размеры клапана согласно сборочному чертежу. наконец, они будут проверять живопись и упаковку.

регулирующий клапан wcb
электрический шаровой регулирующий клапан wcb pn40 dn200 rf

Электрический регулирующий клапан изготовлен из углеродистой стали, предназначенной для точного контроля и регулирования расхода У dervos есть много поставщиков различных типов регулирующих клапанов. быстрая деталь тип земной шар   регулирующий вентиль размер дп   200 Расчетное давление рп   40 тип соединения ВЧ   фланец код проекта как я   B16.34 конец соединения как я   B16.5 лицом к лицу как я   B16.10 тест & amp; осмотр апи   598 материал корпуса A216   WCB trimmaterial нержавеющий   стали применение вода,   нефтяной газ Профиль компании Основанная в 2008 году, Dervos Valve Industry Co., Ltd является профессиональным поставщиком, экспортером и поставщиком промышленных клапанов, труб и фитингов. Dervos расширила свой бизнес до пяти континентов по всему миру, включая Европу, Океанию, Африку, Америку и Азию. Мы стремимся найти наиболее подходящие продукты для наших клиентов эффективным способом. Мы применяем современные управленческие навыки, чтобы обеспечить эффективность в системе производства и продажи. как мы рассматриваем жалобы когда поступают жалобы, как мы их решаем? Мы ответим в течение 24 часов и попросим предоставить дополнительные доказательства от клиентов. Затем мы обсудим с QC и фабриками, чтобы определить причину. в третий день мы предоставим решение клиентам.

Пять тысяч двести один
маховичок переключающего клапана wcb

Переключающий клапан состоит из двух клапанов, которые отличаются от номинального диаметра: один - dn100, другой - dn150. маховик помещен на правой стороне клапана, чтобы помочь управлять большим устройством, сделанным wcb. сконструированный согласно DIN 3356, клапан обычно устанавливается в нефтяной промышленности. быстрая деталь тип переключающий клапан номинальный диаметр DN100 * 150 nominalpressure PN40 строительство крышка на болтах соединение ВЧ операция маховик дизайн & amp; производство Din 3356 концы с концами на mft's std Размер конца фланца en 1092-1 b1 тест & amp; осмотр en 12266-1 диапазон температур -29 ℃ ~ 425 ℃ материал корпуса astm a216 wcb большой диск astm a105 + 13cr СМИ w.o.g.etc технический чертеж система контроля качества dervos в дерво мы контролируем качество на протяжении всего производственного процесса. осмотр отливки: мы можем выяснить проблему сырья, такого как некачественное литье, неквалифицированная толщина стенок, химический состав и т. д., которые гарантируют, что вас не обманут. механическая проверка: С одной стороны, мы могли бы обеспечить точность обработки посредством этого процесса. с другой стороны, мы могли бы обнаружить ошибку обработки как можно раньше, чтобы выиграть больше времени на ремонт и переделку Окончательная проверка: заключительные инспекционные мероприятия включают в себя проверку документов и документации, визуальный осмотр, проверку размеров, испытание под давлением, проверку окраски и упаковки. Вам не нужно приходить и проверять лично, и все документы могут быть предоставлены в качестве доказательства.

Пять тысяч двести один
Джис F7308 литого железа нормального вентиля угла 10К 150А

В 150А катушка JIS 5К клапан предназначен для морского применения. Чугун глобус клапан управляемый маховичок с фланца FF.

Пять тысяч двести один
DN20 PN40 конденсатоотводчик с перевернутым ковшом из железа и стали WCB

В конденсатоотводчик с перевернутым ковшом известен как самый надежный конденсатоотводчик. В DN20 WCB конденсатоотводчики с перевернутым ковшом используются в системах парового отопления для остановки пара из дренаж, поэтому правильный выбор сифона может помочь паронагревательному оборудованию работать более эффективно.

Пять тысяч двести один
DN100 PN16 A41H-16C подпружиненный предохранительный клапан RF WCB

DN100 предохранительный клапан из WCB и согласно GB / T12241-2005, обычно работают как избыточное давление защитное устройство, работающее под паром, воздухом, водой или другими некоррозийными средний.

Игольчатый вентиль
1/2" 6000PSI Игольчатый клапан FNPT Рычаг SS316 ASME

Игольчатый клапан 1/2" 6000 фунтов на квадратный дюйм изготовлен в соответствии со стандартом ASME B16.34. Корпус клапана изготовлен из нержавеющей стали SS316. Он имеет структурные характеристики прямого прохода. Его тип соединения - FNPT. Он имеет рычажный режим работы.

Клапан-ловушка
Клапан конденсатоотводчик из литой стали DN20 PN40 DIN RF WCB

Клапан конденсатоотводчика DN20 PN40 изготовлен в соответствии со стандартом GB/T22654-2008. Корпус клапана изготовлен из WCB. Он имеет конструктивные характеристики конденсатоотводчика с перевернутым ковшом и модели L881F. Его режим подключения - RF.

Клапан конденсатоотводчика
DN15 PN40 Биметаллический конденсатоотводчик A105 RF GB/T22654

Клапан конденсатоотводчика DN15 PN40 изготовлен в соответствии со стандартом GB/T22654-2008°. Корпус клапана изготовлен из A105. Он имеет структурные характеристики биметаллического типа и модели BK47-Y. Его режим подключения - RF.

Дроссельный клапан
6 "1500LB корпус дроссельной заслонки RTJ LF2 API598

6-дюймовый дроссельный клапан 1500 фунтов изготовлен в соответствии со стандартом ASME B16.34. Корпус клапана изготовлен из LF2. Он имеет структурные характеристики углового, полного потока и крышки корпуса на болтах. Его режим соединения - RTJ. И он имеет маховик. режим.

Обратный клапан
Запорный клапан DN150 JIS10K FF Чугун JIS F7400

Обратный шаровой клапан DN150 JIS10K изготовлен в соответствии со стандартом JIS F7400. Корпус клапана изготовлен из чугуна. Он имеет структурные характеристики крышки болта и F7375. Его режим подключения — FF.

оставьте сообщение

    Если вы заинтересованы в наших продуктах и хотите знать больше деталей,пожалуйста, оставьте здесь сообщение,мы ответим вам как только мы можем.

Главная

Продукция

около

контакт