русский

русский

Get a Quote
Продукция

Горячие продукты

новости компании

Installation of Large Diameter Ball Valves
Installation of Large Diameter Ball Valves
2026-03-09

Large diameter ball valves are commonly used in industries such as petroleum and chemical processing, power generation, long-distance pipeline transportation, and large-scale water treatment systems. If installation is not performed correctly, it may lead to sealing leakage, valve jamming, or structural stress damage. Therefore, proper installation practices are essential to ensure long-term stable operation.   1. Pre-installation Inspection   If pre-installation inspection is insufficient, operational failures are more likely to occur during service. First, inspect the valve body for transportation damage. If scratches, impact marks, or deformation are found on the valve body or sealing surfaces, installation should be stopped and the supplier should be contacted.   Next, verify valve model, pressure rating, and connection standards. If the system design pressure does not match the valve pressure class, operational safety risks may occur. For example, if a low-pressure class valve is mistakenly used in a high-pressure pipeline system, the valve body may experience plastic deformation under water hammer impact.   It is also necessary to check the condition of the ball surface and sealing rings. If there are scratches on the ball surface, sealing performance will be reduced. This is especially critical in gas transmission systems where micro-leakage is more likely.   2. Installation Direction   Large diameter ball valves usually have a flow direction marking. If the installation direction is incorrect, the following problems may occur: If the fluid flow direction matches the design direction, the operating torque will remain more stable. If the valve is installed in reverse, the stem may experience increased mechanical load, which will accelerate stem wear during long-term operation. For double-seal bidirectional ball valves, although bidirectional flow is allowed, installation according to the marked flow direction is still recommended to ensure more uniform sealing stress distribution. In high-temperature or steam systems, if the installation direction is incorrect, thermal expansion may accelerate sealing ring aging.   3. Pipeline Stress Control   Large diameter ball valves are heavy. If installed without proper support, additional bending moments may be transferred to flange connections. If pipeline systems experience axial displacement, pipeline supports should be installed for segmented fixation. If support structures are not provided, the valve body may bear long-term gravitational tensile load, eventually causing flange seal failure. It is generally recommended to install independent supports on both sides of large diameter ball valves. If the pipeline system is subject to thermal expansion and contraction, expansion compensation devices must be installed; otherwise, sealing surfaces may gradually fail.   4. Bolt Tightening Process   Flange connections of large diameter ball valves usually ...

Unite Strength, Create the Future Together --Dervos Annual Grand Event Successfully Concluded
Unite Strength, Create the Future Together --Dervos Annual Grand Event Successfully Concluded
2026-03-02

This year’s Dervos annual conference was noticeably more grand and well-organized than in previous years.   In the morning session, each department delivered its annual work summary, reviewing key projects and achievements over the past year. Teams also openly shared the challenges encountered during implementation and the practical experience gained along the way.   Through this cross-department exchange, everyone developed a clearer understanding of one another’s responsibilities and workflows, laying a stronger foundation for future collaboration and communication.     In the afternoon session, the Outstanding Employee awards were presented. Each nominee shared their work achievements and practical experience, demonstrating a strong sense of responsibility and execution across different roles. It is precisely this proactive mindset, collaborative spirit, and down-to-earth working approach of Dervos employees that drives the team steadily toward its shared goals.     Showing up on time every single day throughout the year — that’s quite an achievement. Ian has now received the Perfect Attendance Award for two consecutive years.     During the annual conference, Dervos also presented medals and exclusive commemorative gifts to employees who have completed five years of service.     Dervos values the long-term dedication and consistent commitment of its team members, and sincerely appreciates the trust and contributions they have made over the years. For many at Dervos, the company is not only a platform for professional growth, but also a stage where shared goals and collective efforts come to life. In the evening, the annual conference transitioned into the banquet segment. Performances and interactive games were seamlessly interspersed, creating a relaxed yet organized atmosphere.     Laughter and cheers echoed throughout the venue, and in the moment the camera shutter clicked, the excitement and joy were captured in a single frame.     Eric said: "Let’s dream together, DERVOS's dream. A dream where we all play a part, piece by piece, it becomes a reality." For Dervos, the annual meeting is not just about "summarizing the year," but about bringing our hearts together, strengthening our resolve in doing the same thing, and then continuing to move forward, step by step, with steady progress.            

What Is the Difference Between Plug Valves and Ball Valves?
What Is the Difference Between Plug Valves and Ball Valves?
2026-02-20

Ball valves and plug valves differ significantly in several aspects, including structure, operating principle, mode of operation, flow control capability, sealing performance, and application scenarios. These differences enable the two types of valves to perform distinct roles in their respective fields.   Structural Differences   The ball valve, a design evolved from the plug valve, utilizes a spherical element as its core component. By rotating the ball 90° around the stem axis, the valve can be opened or closed. Its structure is straightforward, consisting primarily of a spherical closure element with a through-bore housed within the valve body.   In contrast, the structure of a plug valve is more complex. It comprises multiple components such as the valve body, bonnet, plug, seat, and stem. The closure element is a cylindrical or tapered plug that controls flow by rotating 90°, aligning or misaligning the port in the plug with the flow passage in the valve body to achieve opening or shutoff.   Operating Principle   The operating principle of a ball valve relies on the rotation of the ball to control the on-off flow of fluid. When the ball is in tight contact with the valve seat, the clearance between them is completely sealed, thereby preventing fluid leakage. When the ball rotates to a position disengaged from the seat, the fluid is allowed to flow freely through the passage inside the valve body.   The operating principle of a plug valve differs in that it primarily controls the flow passage by rotating the plug element to open or close the valve. In a plug valve, the plug is connected to the stem and rotates together with it to achieve flow control. The closure element is a tapered plug with a port, and the flow passage is designed to be perpendicular to the axis of the plug. This configuration enables the plug valve to operate more efficiently and reliably during opening and closing.   The operation of a ball valve is notably simple, requiring only a 90-degree rotation to achieve opening or closing. This design allows the flow passage to be opened or shut off quickly and smoothly when the ball is rotated by 90 degrees, providing both convenience and efficiency. In addition, ball valves offer relatively low flow resistance in the fully open or fully closed position, making them particularly suitable for applications that require rapid on-off operation.   By contrast, the operation of a plug valve is comparatively more complex, as several turns are typically required to complete the opening or closing action. The valve plug is designed in a cylindrical or tapered form and regulates fluid flow through rotation. Nevertheless, plug valves demonstrate excellent performance in flow regulation, enabling precise adjustment of the flow passage diameter and accurate control of flow rate. However, due to the relatively complicated operating process, plug valves are not well suited for frequent operation...

Пять тысяч двести один
加载中...

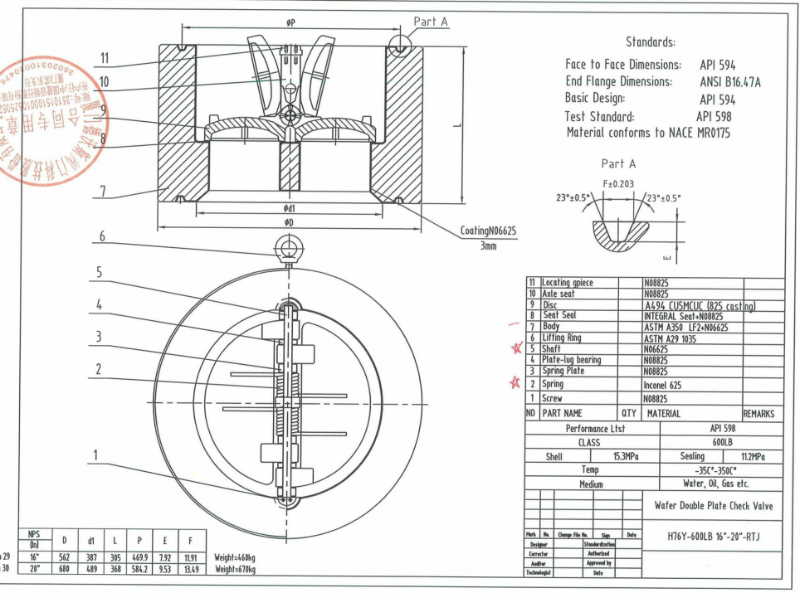
20-дюймовый двухпластинчатый обратный клапан 600 фунтов RF API598 RTJ

  • Оплата:

    30% when order confirmed, 70% before shipment
  • происхождение продукта:

    china
  • Цвет:

    Customization
  • порт доставки:

    Shanghai, China
  • Время упреждения:

    30~60 days Ex Works after order confirmation
  • Material:

    ASTM A350 LF2+N06625
  • Method of Operation:

    no
запрос сейчас
Деталь продукта

Параметры продукта

Тип

Двухпластинчатый обратный клапан

Размер

20 дюймов

Давление

600 фунтов

Связь

РТЖ

Материал тела

ASTM A350 LF2+N06625

Стандарт проектирования

API594

Лицом к лицу

API594

Размеры торцевого фланца

ASME B16.47A

Кодекс испытаний и контроля

API598

Температура

-35 ~ 350 °С

Применимый носитель

Вода, нефть и газ

Функции

1. Двухпластинчатая конструкция обеспечивает быстрое закрытие, предотвращая обратный поток и минимизируя гидроудар.

2. Рассчитан на нагрузку 600 фунтов, с возможностью установки фланцев RF и RTJ, полностью протестирован в соответствии со стандартом API 598 для обеспечения надежного уплотнения и производительности.

Технический чертеж

Dual Plate Check Valve

Проверка размеров

Dual Plate Check Valve

Испытание под давлением

Dual Plate Check Valve

Табличка и упаковка

Dual Plate Check Valve

Оставить Сообщение

Если вы заинтересованы в наших продуктах и хотите знать больше деталей,пожалуйста, оставьте здесь сообщение,мы ответим вам как только мы можем.

сопутствующие товары
обратный клапан с двумя дисками, 150 фунтов
дуплексный клапан с обратным клапаном, тип двойной, 8-дюймовый, класс 150

Двухдисковый обратный обратный клапан на 150 фунтов (150 фунтов), разработанный в соответствии с API 594, имеет двойное соединение пластины и выступа. обратный клапан с двумя тарелками без фиксатора выполнен из дуплексной нержавеющей стали 4а в качестве корпуса и материала отделки. быстрая деталь тип чек об оплате   клапан размер 8 '' Расчетное давление учебный класс   150 строительство двойной   тип пластины, без фиксатора соединение тип наконечника дизайн & amp; производство апи   594 концы с концами как я   B16.10 соединение как я   B16.5 давление & amp;   температура как я   B16.34 тест & amp;   осмотр апи   598 материал корпуса дуплекс   нержавеющая сталь 4а отделочный материал дуплекс   нержавеющая сталь СМИ w.o.g. конструктивная особенность 1.шор лицом к лицу измерение 2. небольшой размер с легким весом 3. поднять закрытие диска с небольшим гидравлическим ударом 4. вертикально или горизонтально установлен 5. плавный проход с небольшим сопротивлением Жизнь цикла 6.long и высокая надежность

6-дюймовый двойной обратный клапан
обратный клапан вафли al бронза c95800 двойной диск 6 дюймов

Двухдисковый обратный клапан для вафель разработан в соответствии с API 594 и испытан в соответствии с API 598. Бронзовый обратный клапан применим для морской воды. быстрая деталь тип чек об оплате   клапан размер 6 '' Расчетное давление учебный класс   150 строительство двойной   тип пластины, с фиксатором соединение вафля   тип дизайн & amp; производство апи   594 концы с концами как я   B16.10 соединение как я   B16.5 давление & amp;   температура как я   B16.34 тест & amp;   осмотр апи   598 материал корпуса алюминий   бронза с95800 отделочный материал алюминий   бронза с95800 СМИ w.o.g. осмотр дервосов после сборки клапана Качество клапанов - одна из перспектив, которые нас интересуют больше всего. В Дервосе контроль качества начинается с сырья, обработки, сборки и проверки перед отгрузкой. После сборки команда проверки качества выполнит визуальную проверку, проверку размеров, гидравлические испытания и воздушные испытания. Каждый заказ должен пройти проверку в соответствии со стандартами проверки. в противном случае наша команда проверки качества не откажется от отправки. отчеты об инспекциях документы могут быть использованы, чтобы доказать, как мы контролируем качество клапана. наряду с каждым заказом, dervos будет предоставлять клиентам отчет о проверке & amp; 3.1-миллиметровый протокол испытаний бесплатно. В отчете по проверке дервосов вы увидите фактические результаты проверки размеров и опрессовки, а также картину окраски и упаковки. Вся эта информация показана через данные и четкие картинки. в протоколе испытаний мельницы 3.1 мы покажем вам химический состав, механические свойства и количество тепла для корпуса клапана, крышки, штока, диска и так далее.

двухдисковый обратный клапан
двухдисковый обратный клапан dn3202 pn25 dn100 cf8

Двухдисковый обратный клапан, изготовленный из нержавеющей стали cf8, обладает отличной устойчивостью к коррозии. сконструированный в соответствии с DIN 3202, обратный клапан должен соединяться с трубами с пластинами. быстрая деталь тип обратный клапан номинальный диаметр DN100 nominalpressure PN25 строительство двойной диск / двойная пластина соединение тип вафли дизайн & amp; производство DIN 3202 концы с концами DIN 3202 Размер конца фланца Din 2401 тест & amp; осмотр API 598 диапазон температур -29 ℃ ~ 425 ℃ материал корпуса a351 cf8 материал клина a351 cf8 СМИ w.o.g. упаковка дервосов хорошая упаковка означает хорошее первое впечатление. только представьте, как вы себя чувствуете, когда видите две коробки ниже? и вы узнаете причину, почему в дерво мы так ценим упаковку. в дерво, мы уверены, 1. каждый клапан чист и сух. что мы делаем? очистить клапан перед упаковкой антикоррозионное масло крышка фланца 2. нет повреждений клапанов при доставке. как нам этого добиться? закрепить клапан железной проволокой -разделить клапан мягким материалом клапан с фанерой 3. сильная коробка и четкий знак доставки

Пять тысяч двести один
обратный клапан с фиксатором вафельного типа 6 '', 900 фунтов

6-дюймовый вафельный обратный клапан изготовлен в строгом соответствии с API 594. Материал корпуса lcc гарантирует, что клапан с проушинами способен выдерживать жесткие условия, а пружина inconel-x 750 обещает клапану длительный срок службы.

Пять тысяч двести один
DN250 10k обратный клапан с двойной пластиной api 594

Двухдисковый обратный клапан из a395 d1 обладает отличной устойчивостью к коррозии. спроектированный в соответствии с api594, обратный клапан подключается к трубам с помощью вафли. этот клапан может использоваться в морских условиях эксплуатации.

Пять тысяч двести один
API594 Двойная плита вафельный обратный клапан WCB 300LB

В 10 дюймов Двойная пластина вафельный обратный клапан изготовлен из WCB и может подвергнуться давлению до 30 фунтов. все Дерво обратные клапаны проходят испытания на API 598 и должен соответствовать или превосходить все применимые API, ANSI и ASTM Стандарты.

Пять тысяч двести один
однопластинчатый обратный клапан DIN DN80 PN40

В однодисковый обратный клапан, изготовленный из CF8, имеет отличную стойкость к коррозии. разработан в соответствии с API594, клапан - вафельный типа.

обратный клапан
однодисковый вафельный обратный клапан 6 дюймов 150 фунтов

6-дюймовый 150-фунтовый однодисковый межфланцевый обратный клапан,, разработанный в соответствии с API 594,, имеет один диск и межфланцевое соединение., он будет иметь наилучшие рабочие характеристики при температуре от -29 до 350 градусов Цельсия.

Вафельный обратный клапан
3" задерживающий клапан API594 A995 5A вафли двойной плиты 150LB

3-дюймовый межфланцевый обратный клапан 150 фунтов изготовлен в соответствии со стандартом API594. Корпус клапана изготовлен из A995 5A. Он имеет конструктивные характеристики встроенного типа и двойной пластины. Его тип соединения - межфланцевый.

Вафельный обратный клапан
CF8M 20" 150LB Двухпластинчатый вафельный обратный клапан API594

Межфланцевый обратный клапан 20 дюймов 150 фунтов изготовлен в соответствии со стандартом API594. Корпус клапана изготовлен из A351 CF8M. Он имеет двойную пластину и встроенные конструктивные особенности. Его тип соединения - бесфланцевый RF.

Вафельный обратный клапан
20-дюймовый обратный клапан WCB API 594 с двойной пластиной 300 фунтов

20-дюймовый межфланцевый обратный клапан 300LB изготовлен в соответствии со стандартом API 594. Корпус клапана изготовлен из WCB. Он имеет конструктивные характеристики двухпластинчатого и встроенного типа. Его тип соединения - межфланцевый.

оставьте сообщение

    Если вы заинтересованы в наших продуктах и хотите знать больше деталей,пожалуйста, оставьте здесь сообщение,мы ответим вам как только мы можем.

Главная

Продукция

около

контакт